приводной вал

  • Автор темы ShEv
  • Дата начала
  • Отслеживают тему 20

Черный

Бывает здесь
4 Июнь 2008
78
0
0
42
Нижегородская обл.
Езжу на ...
Suzuki Baleno, 1.6, 99 г.в., седан, 2wd
Ответ: приводной вал

у меня была такая же проблемма, требовалась замена вала и вн шруса, шрус взял новый, а вот вал привезли Febest 0712BAL. Подшипник не подошел (он меньше родного), вал по длинне и по количеству шлицов один в один, посадочное место в коробке тож, отличается только посадочным местом под подшипник. Отдал токарю и тот выточил втулку и посадил на вал. После этого все было установленно вал-подшипник-вн шрус. если кому поможет то буду рад.:thumbsup:
 


kimbula

Сузуковод со стажем
22 Сентябрь 2008
1,390
171
63
Самара
Езжу на ...
Suzuki Baleno Wagon, G16B, МКПП, 4WD, superior white, 2000г.
Ответ: приводной вал

Febest = русская рулетка. тут уж как повезет. Некоторые ставят и радуются, пока машину не продадут по истечению многих лет пользования, а некотырые меняют чуть не каждые 5000 км...
Китай кооперативный... что ж тут ожидать...
P.S. Насчет Китая... Есть как известно, пара вариантов. Или фабричный (многие OEM производители сдохнут от производимого качества и цены), или откровенный "китай..."
Учитесь определять разницу...

P.P.S. Febest и самый отстойный "китай" - синонимы...
 

strig

Осваивающийся
25 Май 2011
15
0
0
Калуга
Езжу на ...
Suzuki Baleno Universal, 1998, 1.6/98
Ответ: приводной вал

P.S. Насчет Китая... Есть как известно, пара вариантов. Или фабричный (многие OEM производители сдохнут от производимого качества и цены), или откровенный "китай..."
Учитесь определять разницу...
к сожалению, покупая по каталогам разницу определить не получится при любом раскладе...
сайтик у фебеста сделан качественно... выбрать по нему очень даже получается, готовы привезти и экзист, и автодок, и емекс... но продавцы в этих магазинах говорят - лучше не брать :(
 

kimbula

Сузуковод со стажем
22 Сентябрь 2008
1,390
171
63
Самара
Езжу на ...
Suzuki Baleno Wagon, G16B, МКПП, 4WD, superior white, 2000г.
Ответ: приводной вал

Ну так для того форумы и существуют, чтобы обмениваться информацией и опытом. И если сайт насквозь кучерявый и ценник более чем приятный, но все в один голос твердят, что сама продукция, скажем мягко, дерьмовенькая, то это по крайней мере повод задуматься, а стоит ли приобретать сие изделие...
 


strig

Осваивающийся
25 Май 2011
15
0
0
Калуга
Езжу на ...
Suzuki Baleno Universal, 1998, 1.6/98
Ответ: приводной вал

Ну так для того форумы и существуют, чтобы обмениваться информацией и опытом. ...
В общем - сварка рулит... зажали в токарном станке гранату и промежуточный вал, отцентровали, заварили...
 

Baleno812

Бывает здесь
28 Ноябрь 2012
89
11
0
37
Санкт-Петербург
Езжу на ...
Suzuki Baleno 1999 г.в. 1,6, универсал, передний привод
Кто-нибудь уже юзал набор febest - промежуточный вал 0712-BAL + внутренний шрус 0711-BALRH? На сколько может хватить?) За весь комплект 11 тыр просят.
 

kimbula

Сузуковод со стажем
22 Сентябрь 2008
1,390
171
63
Самара
Езжу на ...
Suzuki Baleno Wagon, G16B, МКПП, 4WD, superior white, 2000г.

Baleno812

Бывает здесь
28 Ноябрь 2012
89
11
0
37
Санкт-Петербург
Езжу на ...
Suzuki Baleno 1999 г.в. 1,6, универсал, передний привод
Спасибо, это я уже прочитал. Меня интересует другое - кто-нибудь уже ставил себе такое?
 

kimbula

Сузуковод со стажем
22 Сентябрь 2008
1,390
171
63
Самара
Езжу на ...
Suzuki Baleno Wagon, G16B, МКПП, 4WD, superior white, 2000г.
А зачем? Ставить на себе эксперименты - это и дорого, и не благодарно. По своему опыту сказу, что ставил резинки фебеста, хлам редкостный. Так же на форуме люди пробовали подрамник от фебеста, все вылилось в дальнейшую покупку контрактного... ИМХО, не стоит эта овчинка выделки...
 




Baleno812

Бывает здесь
28 Ноябрь 2012
89
11
0
37
Санкт-Петербург
Езжу на ...
Suzuki Baleno 1999 г.в. 1,6, универсал, передний привод
Подрамник от Фебеста?:wideyed: Он же как оригинал стоит. Неужто тоже так плох. Сорри за оффтоп:)
 

kimbula

Сузуковод со стажем
22 Сентябрь 2008
1,390
171
63
Самара
Езжу на ...
Suzuki Baleno Wagon, G16B, МКПП, 4WD, superior white, 2000г.
Ну, в свое время за него фебест просил всего 11-14 тыр.
А плох фебест, или хорош, можно узнать самому, не так ли? Игру в рулетку никто не отменял вроде как...
 

Migamer

Бывает здесь
11 Июнь 2012
73
3
0
Троицк Чел обл
Езжу на ...
Baleno 1999 4wd
Если кому будет полезно нашел на полноприводную балену 99 года такие вещи!
FEBEST 0712RH413
FEBEST 0711LNRH
других производителей не нашел!
Совместимость шруса(трипоида) 100%
Совместимость вала выясняется!
По результатам отпишусь!

Поправка - полуось не подходит!
Проверяю 0712RH413WD
 

Lovec

Проходил мимо
1 Декабрь 2011
3
0
0
Питер
Езжу на ...
Baleno Wagon 4WD 1,6 16 98г
Подскажите сьело шлицы на правом промежуточном валу,надо ли менять шрус,(шлицы с другого конца вала сидят в шрусе идеально) и как быть с подшипником?
 

kimbula

Сузуковод со стажем
22 Сентябрь 2008
1,390
171
63
Самара
Езжу на ...
Suzuki Baleno Wagon, G16B, МКПП, 4WD, superior white, 2000г.
Шрус менять в том случае, если его шлицы так же сточены/со сколами и т.д. Если все ок, то смазку в нем (предварительно качественно промыв собственно шрус от остатков предыдущей) - обязательно. До кучи и пыльник не помешает обновить...
Причем подшипник, признаться, не понял...
 



kimbula

Сузуковод со стажем
22 Сентябрь 2008
1,390
171
63
Самара
Езжу на ...
Suzuki Baleno Wagon, G16B, МКПП, 4WD, superior white, 2000г.
Если кому будет полезно нашел на полноприводную балену 99 года такие вещи!
FEBEST 0712RH413
FEBEST 0711LNRH.....
FEBEST... Ну что сказать, одно это название - синоним того, что изделие, мягко говоря, далеко не айс. Конечно, при отсутствии кухарки пользуют и дворника, но применять febest оправдано только в том случае, что авто нужно до зарезу, а более ничего (совершенно ничего) нет. Ну, и быть готовым, что в очень близком времени эта деталюшка попросится на замену....
 

Lovec

Проходил мимо
1 Декабрь 2011
3
0
0
Питер
Езжу на ...
Baleno Wagon 4WD 1,6 16 98г
Шрус менять в том случае, если его шлицы так же сточены/со сколами и т.д. Если все ок, то смазку в нем (предварительно качественно промыв собственно шрус от остатков предыдущей) - обязательно. До кучи и пыльник не помешает обновить...
Причем подшипник, признаться, не понял...
Подшипник который на валу в креплении к двиглу,там есть люфт.Он отдельно меняется или в сборе с валом продается.
 

kimbula

Сузуковод со стажем
22 Сентябрь 2008
1,390
171
63
Самара
Езжу на ...
Suzuki Baleno Wagon, G16B, МКПП, 4WD, superior white, 2000г.
В сборе с валом продаются только:
1. Сам вал.
2. 2 (два) шруса (внутренний и наружний со смазкой в них).
3. 2 (два) пыльника.
4. 2 (два) стопорных кольца.
5. 4 (четыре) хомута.

Все. Остальные деталюшки и приблуды за отдельный счет....:yu:
 

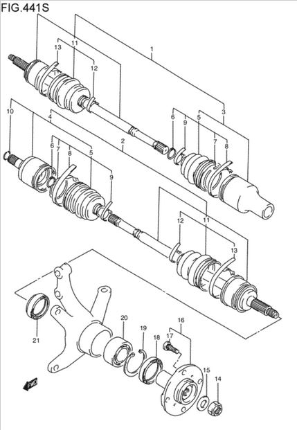
Вложения

  • 49.5 KB Просмотры: 830

Lovec

Проходил мимо
1 Декабрь 2011
3
0
0
Питер
Езжу на ...
Baleno Wagon 4WD 1,6 16 98г
В сборе с валом продаются только:
1. Сам вал.
2. 2 (два) шруса (внутренний и наружний со смазкой в них).
3. 2 (два) пыльника.
4. 2 (два) стопорных кольца.
5. 4 (четыре) хомута.

Все. Остальные деталюшки и приблуды за отдельный счет....:yu:
Спасибо за ответы,нашел то что мне нужно(промежуточный вал) постами выше,только как я понял производителя нужно искать поприличнее,чем FEBEST.
0383760827BCEA49.jpg
 

kimbula

Сузуковод со стажем
22 Сентябрь 2008
1,390
171
63
Самара
Езжу на ...
Suzuki Baleno Wagon, G16B, МКПП, 4WD, superior white, 2000г.
Повторюсь еще раз, FEBEST покупать только от без"исходности или по приговору нарсуда...:)
 





andreyjeep

Продвинутый новичок
23 Июль 2013
48
7
0
47
Езжу на ...
SUZUKI BALENO 1999 2WD ЕВРОПА
У меня сейчас стоит шрус внутренний Febest, пром вал оригинальный, шел вместе с подшипником. В шрус набил VAGовскую смазку для трипоидов. Пол-года полет нормальный. Проехал примерно 3000км.
 

kimbula

Сузуковод со стажем
22 Сентябрь 2008
1,390
171
63
Самара
Езжу на ...
Suzuki Baleno Wagon, G16B, МКПП, 4WD, superior white, 2000г.
Ну, как говорится, Бог в помощь. Febest, оно такая штука, лотерея та еще... Вам, видимо, удалось вытащить счастливый билет.
 

Viktor9113

Новичок
4 Сентябрь 2017
1
7
0
30
Езжу на ...
Suzuki swift
Подскажите пожалуйста привод правый передний на Сузуки Свифт 2003 года , двигатель 1.3 G13bb количество шлицов на полуси внутреннее 19 внешнее 20 , или может сама полуось есть не в сборе, вин tsmmah35s00923564
Нигде не могу найти
 

andy-voit

Свой в доску
19 Май 2014
516
37
28
57
Езжу на ...
Suzuki Cultus Wagon, 1999
А на ветке свифтоводов - одни партизаны наверное?
 

krasser

Проходил мимо
23 Август 2014
4
10
0
62
Езжу на ...
Suzuki Baleno седан 1.6 i 16V 4WD >2002г.
Привод передний правый Сузуки балено 2002г. 1.6, 4wd. Есть ли у кого б/у в хорошем состоянии , очень нужно. Заранее благодарен.
 


А858ХХ

Бывает здесь
19 Март 2012
87
0
0
Санкт-Петербург
Езжу на ...
Suzuki Baleno 1.3 механика 270000
Suzuki Baleno 1.6 4WD механика 200000

krasser

Проходил мимо
23 Август 2014
4
10
0
62
Езжу на ...
Suzuki Baleno седан 1.6 i 16V 4WD >2002г.
А858ХХ, добрый вечер! Какая цена вопроса.