Чертежи - справочные данные

владимир игоревич

Свой в доску
11 Май 2012
575
94
28
42
Ростов-на-Дону
Езжу на ...
сузуки джимни 2007
касторплаты для выравнивания моста без эксцентриковых сайлентблоков
про маленькое отверстие
Оно придумано что б в него вставить гвоздь или тонкий стержень продеть в родные отверстия и прижать максимально вверх, таким образом мы находим отверстия для крепления самих плат.
 

Вложения

Последнее редактирование модератором:
  • Нравится
Реакции: Vladimir S и Димма


Artrom

Старожил
Премиум-аккаунт
9 Декабрь 2007
5,428
1,266
113
47
Старая Русса
Езжу на ...
Suzuki Jimny JB43W 06 г.в. хобот, лифт фиг знает сколько, 32-е, лок, разгруженый задний мост, РК Самик, кит 5.14, лебедь 9500, ништячок :)
Господа, читаем первое сообщение в теме и унижаем свои коммуникативные способности. Нюансы..., есть нюанс - в личку.
 
  • Нравится
Реакции: 1 человек

avasya

Наш человек
10 Январь 2014
248
112
43
Муром
Езжу на ...
Suzuki Jimny
Mitsubishi Out XL
ГАЗ 3102
направляющие тормозного суппорта 43 кузов
20160511_160301.jpg
Безымянный.jpg
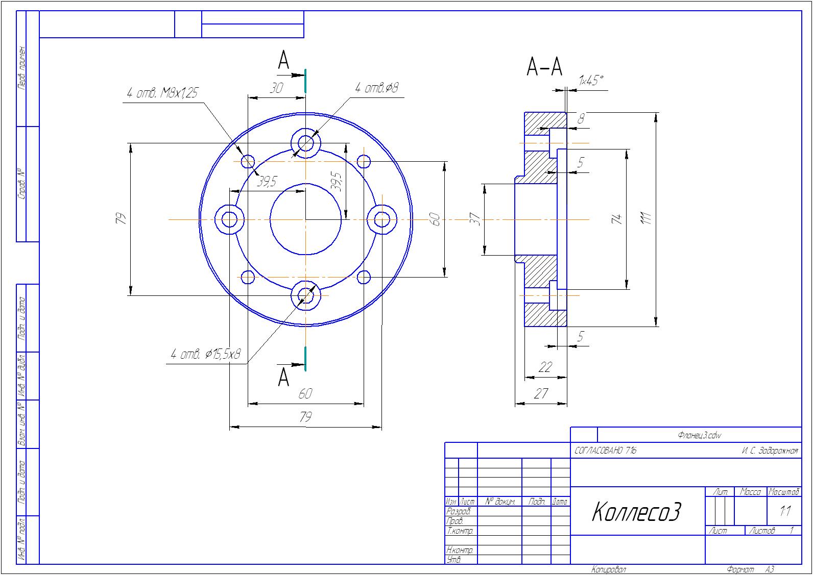
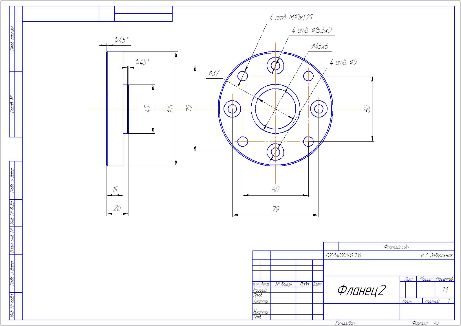
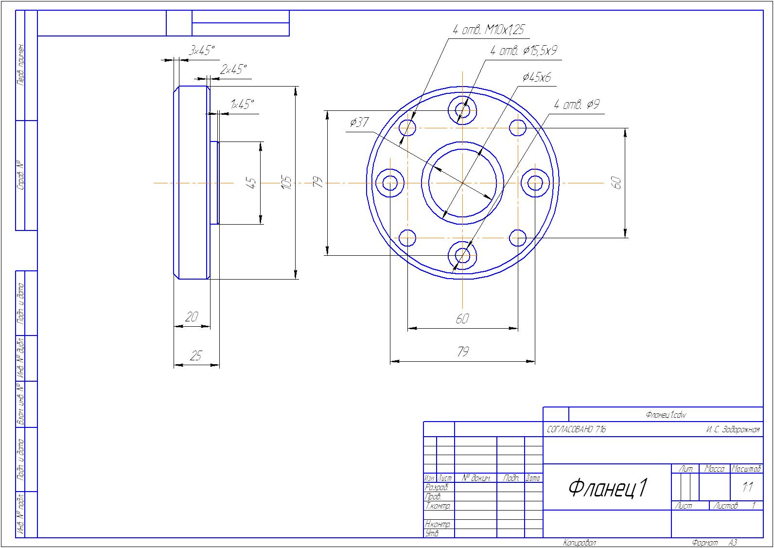
[DOUBLEPOST=1494914826,1462973054][/DOUBLEPOST]Комплект чертежей усиленного крепления "самурайской" раздатки на Джим а-ля "lowrangeoffroad". Файл рамки для лазерной резки.[DOUBLEPOST=1518163756][/DOUBLEPOST]Переходные фланцы на раздатку от Самурая.



кронштейн датчика скорости

c9fed7630c59.jpg
 

Вложения

Последнее редактирование модератором:
  • Нравится
Реакции: 14 человек

Schir

Эксперт
Премиум-аккаунт
27 Июнь 2011
3,093
1,542
113
37
Екатеринбург
Езжу на ...
Джимник 2003 г.в. 1,3 МКПП, теперь 1,5 АКПП.
Под сукном отрыта выкройка для домика задней панары под лифт 50мм, если мне память не изменяет.
Дабы это не лежало мертвым грузом выкладываю здесь, может кому пригодится.
upload_2018-3-15_8-23-3.png

Чертежи домика панары без размеров, масштаб 1:1. Можно распечатать и вырезать по шаблону.
Файл DXF можно засылать на лазер или гидроабразив.
Чертежи сделаны по какому-то домику, но по чертежам домик ни разу не делан, могут всплыть нюансы.
Файлы прилагаю, DXF в архиве, PDF печатать на А4. Для сборки потребуется как минимум втулка в нижнюю секцию, возможно еще что-то, но я не знаю что. Можно поэкспериментировать на картоне.
 

Вложения

Последнее редактирование модератором:

Leventiy

Проходил мимо
14 Июнь 2022
2
0
1
35
Езжу на ...
Suzuki Jimny X-Adventure Salomon
Не могу найти нормального чертежа для защиты раздатки, помогите. Можно чертеж любой сложности