Безопасность Игниса



Дмитр

Старожил
26 Декабрь 2006
5,529
1,126
113
Щелково
Езжу на ...
Suzuki Ignis, Renault Twingo
Ответ: Безопасность Игниса

Не повезло Wagonчику. Интересно был ли там водитель?
 

Вложения

tehnorob

Осваивающийся
10 Август 2010
16
1
0
Подмосковье
Езжу на ...
сузуки игнис"03, механика 1,3 4х4
Ответ: Самый "навороченный" Игнис.

На днях загорелась лампа "Air Bag" без удара, просто так. Универсальный сканер дает 7 ошибок по всей системе, нужно ехать под официальный сканер в сузуковский сервис, чтобы точно определить неисправность, а это деньги + время. Сомневался, отключать или нет всю систему выдергиванием предохранителя, чтобы лампа не мозолила глаз, посмотрел фотку с хаммером и увидел, что при таком ударе подушки не выстрелили и не смягчили удар водителя о руль. Так что отключаю до лучших времен.
 

Дмитр

Старожил
26 Декабрь 2006
5,529
1,126
113
Щелково
Езжу на ...
Suzuki Ignis, Renault Twingo
Ответ: Самый "навороченный" Игнис.

Универсальный сканер дает 7 ошибок по всей системе, нужно ехать под официальный сканер в сузуковский сервис.
Универсальный сканер это какой? OBDешный видит только движек и никаких 7 ошибок по подушкам не даст в принципе. Так не бывает 7 ошибок дает, а какие не говорит.
Либо лента в руле, либо порвали провод под сиденьем идущий на боковую подушку (при наличии оных). Вероятность других причин 1%.
 

tehnorob

Осваивающийся
10 Август 2010
16
1
0
Подмосковье
Езжу на ...
сузуки игнис"03, механика 1,3 4х4
Ответ: Самый "навороченный" Игнис.

Универсальный сканер это какой?
Универсальный в смысле не только на Сузуки. Он сам определяет марку и модель при подключении к порту, (могу и наврать, я в них -лох). Я марку этого сканера не запомнил. Мастер мне показал все ошибки, получается, что ошибка во всех цепях системы, напряжение от 1 до 2 В, в том числе и в цепи преднатяжителей ремней, хотя их у меня нет - дорестайл 2003. Сканировал в двух сервисах разными сканерами, оба мастера сказали, что эти сканеры могут некорректно работать с мои "игнатом". В Московском диллерском сервисе (по телефону) гарантии не дали на устранение неисправности, т.к. машинка до 2005 г.в. Но фишка еще вот в чем: с полной уверенностью в том, что лампа "Air Bag" погаснет, я выдернул соответствующий предохранитель, а лампа горит, емкость не при чем, времени было достаточно, чтобы разрядиться. Вот теперь думаю, что контролька не гаснет при снятии питания с системы, или у меня секрет какой типа стреляных подушек и Потемкинской деревни в виде иммитации нормальной работы системы безопасности, которая перестала обманывать глаз.
 


Дмитр

Старожил
26 Декабрь 2006
5,529
1,126
113
Щелково
Езжу на ...
Suzuki Ignis, Renault Twingo
Ответ: Самый "навороченный" Игнис.

Но фишка еще вот в чем: с полной уверенностью в том, что лампа "Air Bag" погаснет, я выдернул соответствующий предохранитель, а лампа горит, емкость не при чем, времени было достаточно, чтобы разрядиться. Вот теперь думаю, что контролька не гаснет при снятии питания с системы, или у меня секрет какой типа стреляных подушек и Потемкинской деревни в виде иммитации нормальной работы системы безопасности, которая перестала обманывать глаз.
Одно из двух:
Либо предохранитель не тот выдернул, либо действительно имитация.
Лампочка ведь не просто должна загореться при включении зажигания, а потом погаснуть. Она должна помигать, изображая тестирование системы, а потом уж погаснуть.
Хотя имитируют и это.
Блок Air Bag находится строго под ручкой ручника. Попробуй снять разъём с него, лампочка уж точно не должна зажечься.
Можно снять подушку на руле. Муляж поймешь сразу. Корпус стреляного пиропатрона будет слегка ржавым, разъём оплавленый, и если потрясти около уха, внутри как будто песок.
 

tehnorob

Осваивающийся
10 Август 2010
16
1
0
Подмосковье
Езжу на ...
сузуки игнис"03, механика 1,3 4х4
Ответ: Безопасность Игниса

Спасибо за совет, брат! Попробую снять колодку с блока, теперь хоть знаю, где ее искать. Самому интересно разобраться. Но все же, как думаешь, почему ни на одной фотке аварий не видно, что подушки раскрылись, удары ведь не слабые?
 

Дмитр

Старожил
26 Декабрь 2006
5,529
1,126
113
Щелково
Езжу на ...
Suzuki Ignis, Renault Twingo
Ответ: Безопасность Игниса

Взять хотя бы красного на последней фотке. Нет там удара нужного для открытия подушек. Удар должен быть жестким. А там правым лонжероном в "мякоть" Лонжерон наверняка не ушел.
Задние и боковые удары не должны активировать подушки.
Я много их повидал с раскрытыми и не раскрытыми подушками. Хочу сказать что оптимально подобрана чуствительность подушек.
 

tehnorob

Осваивающийся
10 Август 2010
16
1
0
Подмосковье
Езжу на ...
сузуки игнис"03, механика 1,3 4х4
Ответ: Самый "навороченный" Игнис.

Одно из двух:
Попробуй снять разъём с него, лампочка уж точно не должна зажечься.
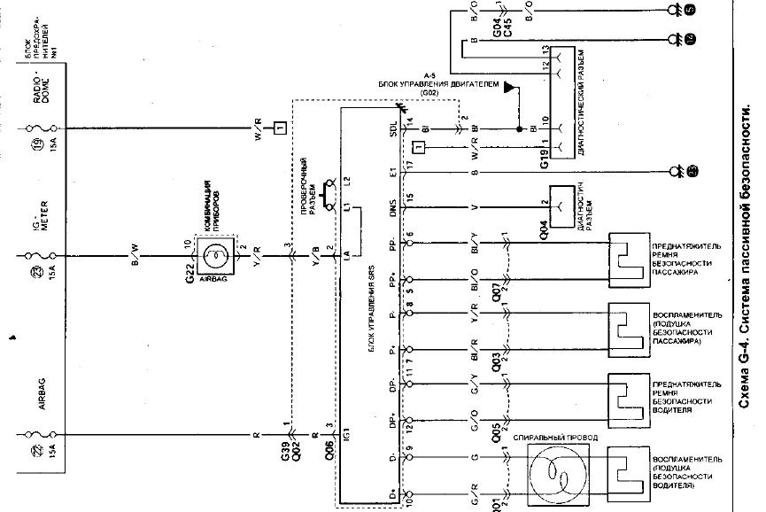
Почитал руководство по ремонту, прежде чем скидывать шлейф С ЭБУ. Там написано, что даже при снятых подушках и снятом блоке лампочка будет гореть. Там хитрая схема и лампочка должна гаснуть, только если ЭБУ подаст соответствующий сигнал на управляющее реле. Но по симптомам, я прихожу к выводу, что накрылся сам блок ЭБУ, т.к. при включении зажигания лампочка должна проморгаться, сигнализируя о самодиагностике ЭБУ, а уж потом либо погаснуть при исправной системе, либо загореться при неисправной. А у меня не моргает, а сразу горит. Значит либо ЭБУ не диагностируется, либо нарушено питание самого блока, да и 7 ошибок сканера может говорить о том, что ЭБУ дает не верную информацию. Меня интересует другое: в руководстве написано, что в Игнисах до 10.2003г. есть некий сервисный разъем, замыкая который на массу можно считать ошибки по вспышкам контрольной лампы, т.е. можно обойтись без диагностического сканера, который подключается в диагностическому разъему OBD II. Такую операцию можно проводить на отечественных марках (январь - 4 и т.п.), но там замыкается на массу один из штырьков диагностического разъема. Облазил весь салон, но такого, как на картинке в книге не нашел, там такой плохой рисунок, что даже не понял, где искать. С правой стороны под панелью есть свободный разъем синего цвета, но я сомневаюсь, что это он. Может кто из спецов его нашел, подскажите, буду благодарен.
 

Вложения





Дмитр

Старожил
26 Декабрь 2006
5,529
1,126
113
Щелково
Езжу на ...
Suzuki Ignis, Renault Twingo
Ответ: Безопасность Игниса

Все подушечные разъемы устроены так, что при разъединении контакты замыкаются между собой. Лампочковые контакты тоже замыкаются у дорестайла, поэтому и горит при отсоединении разъема.
 

Вложения

tehnorob

Осваивающийся
10 Август 2010
16
1
0
Подмосковье
Езжу на ...
сузуки игнис"03, механика 1,3 4х4
Ответ: Безопасность Игниса

Не знаю где ты нашел про управляющее реле.
Ну согласен, загнул, вернее домыслил по -русски, я ж не японец. Но лампочка не гаснет-факт. Скажи лучше, что думаешь по поводу сервисного разъема?:D
 

Lotusman

Сузуковод со стажем
2 Март 2006
1,369
3,393
0
Москва
Ответ: Безопасность Игниса

Ну согласен, загнул, вернее домыслил по -русски, я ж не японец. Но лампочка не гаснет-факт. Скажи лучше, что думаешь по поводу сервисного разъема?:D
ищите тему OBDII там все разжевано
 

tehnorob

Осваивающийся
10 Август 2010
16
1
0
Подмосковье
Езжу на ...
сузуки игнис"03, механика 1,3 4х4
Ответ: Безопасность Игниса

ищите тему OBDII там все разжевано
Обращаю внимание, что согласно мануалу, диагностический разъем OBD II и сервисный разъем это совершенно разные вещи, и уж если рекомендуется соединять этот разъем с массой, то он должен иметь всего один контакт!Браво! Ай
 

Дмитр

Старожил
26 Декабрь 2006
5,529
1,126
113
Щелково
Езжу на ...
Suzuki Ignis, Renault Twingo
Ответ: Безопасность Игниса

Скажи лучше, что думаешь по поводу сервисного разъема?
Не делаю я так. Зачем забегать вперед, в самое пекло.
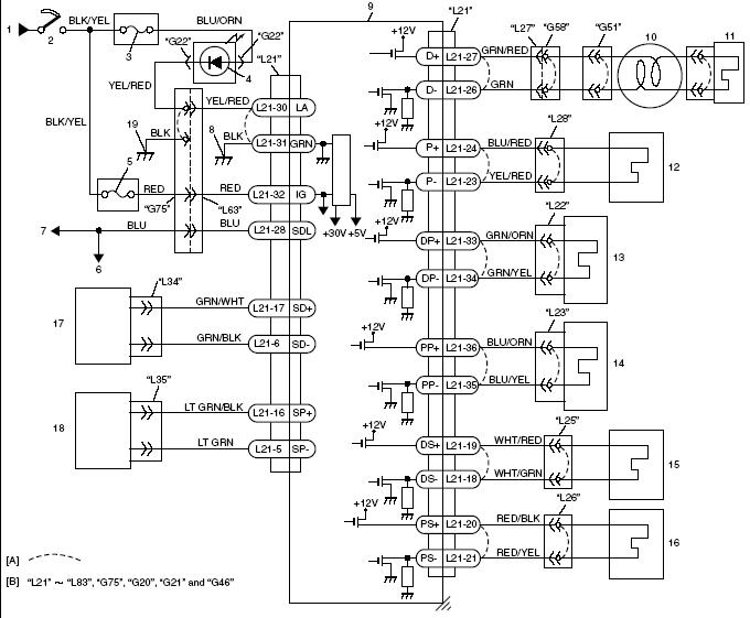
Начни с менее страшного. Определись кто зажигает лампочку, блок или слетевший разъём. Если посмотришь на вторую схему, то увидишь что их (разъемов) таких самозамыкающихся на пути от блока к лампочке 2 шт.
Сервисный разём на первой схеме виден, 15 вывод блока. Цоколевка может быть разной.
Скачай себе http://www.suzuki-club.ru/forum/showpost.php?p=791020&postcount=36
Первая ссылка - мануал на дорестайл на английском.
 



Резон

Свой в доску
20 Октябрь 2007
700
228
0
С-Петербург
Езжу на ...
Suzuki Ignis 1.5 4WD
Ответ: Безопасность Игниса

Ехали двое, оба живы: водитель с травмой головы, пассажирка рядом о...делалась испугом...
 

Вложения

Дмитр

Старожил
26 Декабрь 2006
5,529
1,126
113
Щелково
Езжу на ...
Suzuki Ignis, Renault Twingo
Ответ: Безопасность Игниса

Ехали двое, оба живы: водитель с травмой головы, пассажирка рядом оБделалась испугом...
Ребята, честное слово это не я сваривал его из двух половинок. Это дорестайл, а их у меня еще не было.:D
Я правильно букву вставил?
 

Шурик_

Свой в доску
24 Апрель 2008
721
110
0
Питер
Езжу на ...
Swift New, МКПП, полупривод
также есть мопед
Ответ: Безопасность Игниса

ты лучше скажи, подлежит ли восстановлению, по твоему мнению?
 

Резон

Свой в доску
20 Октябрь 2007
700
228
0
С-Петербург
Езжу на ...
Suzuki Ignis 1.5 4WD
Ответ: Безопасность Игниса

Ребята, честное слово это не я сваривал его из двух половинок. Это дорестайл, а их у меня еще не было.:D
Это ещё и в Первоуральске, но Shpongle тебе всё равно не поверит :D
 

Дмитр

Старожил
26 Декабрь 2006
5,529
1,126
113
Щелково
Езжу на ...
Suzuki Ignis, Renault Twingo
Ответ: Безопасность Игниса

ты лучше скажи, подлежит ли восстановлению, по твоему мнению?
Я не могу даже понять каков характер удара что его так порвало.
Передняя часть думаю в дело сгодится, только старый он, овчинка выделки не стоит.
Лучше на разбор, а то на дорестайл запчастей не сыщешь.

Предлагаю погадать как я узнал что это дорестайл.? Задний план (переднюю часть) я разглядывать не стал. А на переднем плане нашел 3 явных отличительных особенности. Потом напишу разгадку.
 





Дмитр

Старожил
26 Декабрь 2006
5,529
1,126
113
Щелково
Езжу на ...
Suzuki Ignis, Renault Twingo
Ответ: Безопасность Игниса

спинки сидушек 1/3 -2/3
Зачет.
У дорестайла половинки, у рестайла 1/3 и 2/3.
Ну еще сюда же к сиденьям. У дорестайла сиденье (сидушка под задницу) жестко-каркасное и каркас крепится на кронштейнах к полу. А у рестайла просто кусок поролона слегка армированный проволокой и обтянутый тряпкой. Оно просто беззазорно лежит на полу и поэтому смотрится объёмнее.
Осталось 2 отличия .
 

Резон

Свой в доску
20 Октябрь 2007
700
228
0
С-Петербург
Езжу на ...
Suzuki Ignis 1.5 4WD
Ответ: Безопасность Игниса

Предлагаю погадать как я узнал что это дорестайл.?
Как это можно принять за рестайл ? Сиденья , задние стойки и стёкла, укороченный багажник - всё другое.
 

Дмитр

Старожил
26 Декабрь 2006
5,529
1,126
113
Щелково
Езжу на ...
Suzuki Ignis, Renault Twingo
Ответ: Безопасность Игниса

стойки и стёкла, укороченный багажник - всё другое.
Ну ты же не видишь само стекло собачника и его форму, стойку наружнюю панель тоже не видно. А уж с длиной багажника после удара легко ошибиться. Не зачет. Смотри явное.
 

Дмитр

Старожил
26 Декабрь 2006
5,529
1,126
113
Щелково
Езжу на ...
Suzuki Ignis, Renault Twingo
Ответ: Безопасность Игниса

Victor23, причем это не праворукий Свифт, а именно Игнис, хотя расположение руля не вижу.
Видно что на левой передней двери ручка черная, а у Свифта, Круза, Кея ручки и зеркала крашеные в цвет кузова.
По-прежнему осталось два отличия.
 


Резон

Свой в доску
20 Октябрь 2007
700
228
0
С-Петербург
Езжу на ...
Suzuki Ignis 1.5 4WD
Ответ: Безопасность Игниса

Явное у каждого своё :) - форму окна и внутренней обшивки видно прекрасно внутри по правому борту, заднюю целую дверь и её расположение тоже, оторванное ухо металла чудно торчит слева: от задних фонарей и наверх, а на рестайле там вообще металла снаружи нет, стёкла к задним фонарям сходятся. Зато не видно и металла у дверного проема, там наоборот - у рестайла стойка металл , а у дорестайла само стекло до рамки двери идёт.
 

Дмитр

Старожил
26 Декабрь 2006
5,529
1,126
113
Щелково
Езжу на ...
Suzuki Ignis, Renault Twingo
Ответ: Безопасность Игниса

Явное у каждого своё .
Это точно.
оторванное ухо металла чудно торчит слева: от задних фонарей и наверх, а на рестайле там вообще металла снаружи нет, стёкла к задним фонарям сходятся. Зато не видно и металла у дверного проема, там наоборот - у рестайла стойка металл , а у дорестайла само стекло до рамки двери идёт.
Там везде у обоих под стеклом наружняя металическая панель, просто разной формы притоплена под форму стекла. Вырез в панели под окно как раз такой формы как ты видишь в пластиковой внутренней облицовке, остальное всё сплошной металл и под фонарями тоже, только одна небольшая дырка под проводку.
Кусок крыла так и висит на задней левой двери. Во как крепко держится проушина замка на кузове.
Мне что сейчас карты раскрыть? Отложим до утра. Пускай ребята придут на работу и разомнут больную после праздничных выходных голову.
 

Резон

Свой в доску
20 Октябрь 2007
700
228
0
С-Петербург
Езжу на ...
Suzuki Ignis 1.5 4WD
Ответ: Безопасность Игниса

Мне что сейчас карты раскрыть?
Нафига, я к тому, что различий с рестайлом тут гораздо бОльшая куча...

Там везде у обоих под стеклом наружняя металическая панель, просто разной формы притоплена под форму стекла. Вырез в панели под окно как раз такой формы как ты видишь в пластиковой внутренней облицовке, остальное всё сплошной металл...
Вот же упрямый старый кузовщик :) никто и не спорит, что под стеклом " ...остальное всё сплошной металл..."
Но у рестайла огромная выштамповка, под стеклом скрыта почти вся наружная панель кузова до задних фонарей и меньше половины площади стекла вырез под окно, а у дорестайла стекло маленькое, выштамповка под него чуть больше стекла, остальное - наружная декоративная металлическая поверхность кузова, которая так чудно топорщится на фото. Если предполагаешь вариант, что выштамповка рестайла вдруг могла зажить своей жизнью: поднялась, распрямилась, где надо ужалась/растянулась и приняла такие плавные формы, что её стало возможно перепутать с наружной поверхностью кузова дорестайла, то скажу честно - в такое не верю :D
 

Shpongle

Профи
28 Декабрь 2007
2,493
101
0
Москва
Ответ: Безопасность Игниса

как видите доверять неизвестным мастерам сваривающим две половинки, нельзя! теперь объясните мне почему игнисы "известных мастеров" лучше?
 

Дмитр

Старожил
26 Декабрь 2006
5,529
1,126
113
Щелково
Езжу на ...
Suzuki Ignis, Renault Twingo
Ответ: Безопасность Игниса

объясните мне почему игнисы "известных мастеров" лучше?
А бесполезно тебе что либо объяснять, как об стену горох.
Ты не поймешь чем яйцо Фаберже лучше пасхального яйца от бабы Маши.