Установка противотуманных фар.



pre79

Бывает здесь
12 Март 2014
86
15
8
Калининград
Езжу на ...
Suzuki SX4New GLX MT 2WD, 2014г.в.
  • Нравится
Реакции: 1 человек

Van Highlander

Бывает здесь
30 Сентябрь 2014
62
16
8
Москва
Езжу на ...
Polo Sedan; Suzuki SX4 New GL
Каталожные номера могут отличаться из-за завода изготовителя (как я уже писал) или регулировку перенесли с лева на право, или в покрытие отражателя начали добавлять 0,1% едрит-сульфит-мудрита. Ну а цена, помимо себестоимости и транспортных расходов, может складываться и из, банально, маркетинговый накрутки. Типа машина новая, владельцы при деньгах, значит и заплатить смогут больше.

- Чем "Капли Филимонова" отличаются от "Капель Филимонава +"?.. Да в общем то ничем, просто "Капли Филимонова +" стоят на 50р больше.

Вот всё времени нет, съездить, примерить фары...
 


Smerw

Продвинутый новичок
17 Август 2014
49
5
0
39
Езжу на ...
Планирую SX4 new
Всем привет. Мысль о диодных ДХО вместо вротивотуманок меня не покидает. Немного поковыряв фотошоп получил вот таки фотки. Ваше мнение господа!
2.jpg
3.jpg
IMG_1451-2.jpg
 
  • Нравится
Реакции: 2 человек

Smerw

Продвинутый новичок
17 Август 2014
49
5
0
39
Езжу на ...
Планирую SX4 new
очень даже неплохо смотрится.
Только тогда как переподключить.... Тут мы и отключить не знаем как...
У меня два варианта в голове:
1й - тупо подключиться (врезаться) в питание на стандартные ДХО, тестером посмотреть какие провода питают при включении зажигания.
2й - подключиться на питание задней противотуманки, которая включается на ручке.
 

Mekena

legioner
25 Май 2014
2,852
783
113
UA, Приазовье
Езжу на ...
Suzuki SX4 New (S-Cross)
1й - тупо подключиться (врезаться) в питание на стандартные ДХО, тестером посмотреть какие провода питают при включении зажигания.
И тогда будут светить и те и другие...
2й - подключиться на питание задней противотуманки, которая включается на ручке.
то есть - ДХО будет включаться вместе с габаритами...
Как по мне - не вариант...
Надо подключать только вместо штатных, а они два в одном...
 

Smerw

Продвинутый новичок
17 Август 2014
49
5
0
39
Езжу на ...
Планирую SX4 new
И тогда будут светить и те и другие...

то есть - ДХО будет включаться вместе с габаритами...
Как по мне - не вариант...
Надо подключать только вместо штатных, а они два в одном...
А чем вариант "и те и другие" не нравиться то? Главное что бы нагрузка сильно не увеличилась.
 

Smerw

Продвинутый новичок
17 Август 2014
49
5
0
39
Езжу на ...
Планирую SX4 new
Как ни крути, других вариантов подключения я не вижу. Тут вопрос или делать или нет :).
 




Eduaud

Наш человек
23 Сентябрь 2014
126
38
28
45
ХМАО
Езжу на ...
Suzuki SX4 new
очень даже неплохо смотрится.
Только тогда как переподключить.... Тут мы и отключить не знаем как...
Есть 2 варианта.
1 (дешёвые китайские ДХО)- через обычное 4 контактное нормально разомкнутое реле, управляющий контакт подключить к штатным ДХО
2 (ДХО типа ФИЛИПС) - в комплекте идёт реле подключающее ДХО после заводки двигателя автоматически, управляющий контакт подключается к проводу габаритов. Т.е. при заведённом двигателе напряжение в сети возрастает с 12 вольт до 14 вольт, реле автоматически замыкается, ДХО загарается, при включении габаритов реле размыкается.
 
  • Нравится
Реакции: 1 человек

Барин

Местный
28 Февраль 2009
427
199
43
Витебск
Езжу на ...
Jimny 2008, черный, механика; Самурай SJ500, 1989г, 1,3, черный. Цвет и марка машины могут быть любыми, если это, конечно, ЧЕРНЫЙ СУЗУКИ !
У дилера в Минске цена комплекта чуть меньше 300$ без установки, сегодня счет выписывал. Только не сказали что за накладки, как я понял есть два варианта, а поставят то , что будет в наличии :)
Есть ли накладки чисто в черном цвете и куда выводят кнопку на панели?
 

Van Highlander

Бывает здесь
30 Сентябрь 2014
62
16
8
Москва
Езжу на ...
Polo Sedan; Suzuki SX4 New GL
Барин, Я так понимаю, есть накладки с хромовой полоской, как с завода, и есть полностью хромовые, которые за пару стоят как весь комплект противотуманок. Соответственно, поставят первые.
Кнопка будет слева, где корректор фар и кнопка ESP.[DOUBLEPOST=1414252879,1414182561][/DOUBLEPOST]Сегодня доехал до человека, который на Авито продавал комплект фар Valeo.
Встали как родные ) 2014-10-25 13.08.08.jpg
На самих фарах есть номера 9658921180, 89490502, 89210094, PBT-ASA-GF30 и на стекле A044633. Но что-то ни один номер не бьётся в Exist'е. Но по виду они как 35500-63J01, ..02, ..03, ..04.

Поскольку человек продавал фары, которые ему не подошли, причём очень давно уже продавал, то достались они мне 1400р за пару :) Кнопка уже в пути, начинаю искать где купить накладки подешевле.
 
  • Нравится
Реакции: 1 человек

Van Highlander

Бывает здесь
30 Сентябрь 2014
62
16
8
Москва
Езжу на ...
Polo Sedan; Suzuki SX4 New GL



Mekena

legioner
25 Май 2014
2,852
783
113
UA, Приазовье
Езжу на ...
Suzuki SX4 New (S-Cross)

Van Highlander

Бывает здесь
30 Сентябрь 2014
62
16
8
Москва
Езжу на ...
Polo Sedan; Suzuki SX4 New GL
Mekena, Я бы сказал, факт, что не подходят )
Номера наших накладок озвучивали, я эти номера добавил в первый пост. Стоят они от 1400 до 3000 руб за штуку, но пока деваться некуда.
 

Van Highlander

Бывает здесь
30 Сентябрь 2014
62
16
8
Москва
Езжу на ...
Polo Sedan; Suzuki SX4 New GL
С последнего моего поста выяснил, что нужно будет ещё реле и разъём. Проводка на обе фары идёт с 4х пинового разъёма у левой фары.
2014-11-03 14.39.57.jpg
Его каталожный номер найти не удалось. По автомагазинам тоже не получилось найти. Однако на третий день поиска по китайскому сайту, удалось найти что надо.
Снимок.JPG
Заказ только по 5 штук, $20. Так что если кто надумает в МСК, то поделюсь за себестоимость $4 (когда придут).
К слову, всегда можно надеть отдельные "мамы" и залить силиконовым герметиком, или заменить разъём. Например есть разъёмы датчика воздуха (кажется) от ВАЗ, тоже влагозащищённые:
Снимок1.JPG Снимок2.JPG
И в сумме 100р. Но это нужно резать, паять...
Реле родное с маркировкой 15670-03220. По каталогу 38860-76F01 за 700р. Поискал подобные реле в каталоге VW/AUDI, наткнулся на BOSCH 0 332 201 107 за 150р.
Ещё осталось прикупить разъёмы H11 на лампы, и ждать.
 
Последнее редактирование модератором:

честер

Бывает здесь
26 Ноябрь 2012
79
12
8
64 регион
Езжу на ...
сузуки лиана 4х4 2004г, SX-4 New 2014г
Сегодня был на ТО-0 и смотрел SX-4 классик в комплектации без ПТФ, так вот у них заглушки такие же как и с ПТФ только нет отверстия под сами фары, т.е. при установке ПТФ просто вырезается отверстие под фары, а сами заглушки не меняются! Жалко что у нас не так!
 





Van Highlander

Бывает здесь
30 Сентябрь 2014
62
16
8
Москва
Езжу на ...
Polo Sedan; Suzuki SX4 New GL
честер, Когда смотрел каталоги деталей, мне показалось, что у них вообще заглушка сборная: накладка на фару + кругляшок вместо фары. Т.е. даже не вырезается, а просто разбирается и вынимается лишняя часть.[DOUBLEPOST=1417121349,1416429884][/DOUBLEPOST]У меня почти всё почти на руках для исполнения задуманного. Уже где-то в Москве кнопка и разъёмы H11 на лампы. Реле, фары и даже жёлтые лампы (мой пунктик) уже у меня.
Сегодня ещё получил разъёмы 2014-11-27 23.00.25.jpg
4 комплекта лишних, с удовольствием поделюсь за 140р/компл. (сам я в Москве)
Левая накладка на складе магазина, правую уже месяц не могут получить, но клятвенно обещают, что она будет.
Тем временем, в Existe, комплект ПТФ поднялся до 15-16к. За пару хромированных накладок просят 21к(!!!). Я тут подумал, что из серебра не дешевле будет? ))
Обычные накладки - 1800-3000 за левую, и 3-4к за правую.
Но в других магазинах вроде ещё можно найти накладки по 1800, но срок поставки скорее всего будет в районе 40 дней.
На просторах китая накладок нет, и похоже не будет ещё с годик.
 
  • Нравится
Реакции: 1 человек

miii

Наш человек
Премиум-аккаунт
27 Ноябрь 2014
170
80
28
46
Удмуртия, г.Ижевск
Езжу на ...
SUZUKI SX4 NEW GL
Van Highlander,
на трассе в плохую погоду родного головного света (галоген) не хватает и ПТФ тоже не помешала бы, 2 раза в деревню съездил в ночь со снегопадом
сегодня взял OSRAM NIGHT BREAKER UNLIMITED Н4
вот такие ПТФ присмотрел, на автодок комплект 3500руб.
http://wesemshop.ru/shop/shtatnyie-...naya-fara-osram-ledriving-f1-(ledfog201).html
https://www.google.ru/search?tbm=isch&q=LEDFOG201&gws_rd=ssl#newwindow=1&tbm=isch&q=OSRAM LEDFOG201&imgdii=_
как думаете крепеж наш или чуть подхимичить придется, и вроде там разъемы 2ПИН в комплекте есть, т.е. сколько понял вместо нашего надо будет с комплекта установить.
понравился такой вариант кнопки "экзотик"
http://wesemshop.ru/shop/komplekt-ptf/universal-polnyij.html
 

Mekena

legioner
25 Май 2014
2,852
783
113
UA, Приазовье
Езжу на ...
Suzuki SX4 New (S-Cross)
miii, спасибо за наводку, интересные лед-туманки, меня заинтересовали.
На классик, судя по описанию, подходят. По диаметру точно нам подойдут, вопрос в креплении и в рамке. Надо думать, как ее тулить.
 

Van Highlander

Бывает здесь
30 Сентябрь 2014
62
16
8
Москва
Езжу на ...
Polo Sedan; Suzuki SX4 New GL
Крепления наши, но не совсем. В бампере с боков отверстия есть, так сказать, ножи-направляющие. На фарах соответсвенно есть пазы, которыми фара надевается на направляющие. Получается фара очень туго и крепко сидит на них, а 3мя саморезами прикручивается как финишное крепление.
На данной LED противотуманки этих пазов нет, в этом месте проходит ось настройки фары. В общем это не критично, я думаю. Главное чтобы ось и направляющие не мешались друг другу.

Кстати, накладки я получил, обошлись по 1860р за штуку. Теперь полный комплект, надо выбрать место и время чтобы поставить и настроить фары, и можно писать отчёт.

Вот только с кнопкой получилось как-то странно.
Когда я её получил, и пошёл проверять на машине, вроде бы всё работало. Подсветка работала, индикация тоже. Но я захотел заменить лампы накаливания на светодиоды.
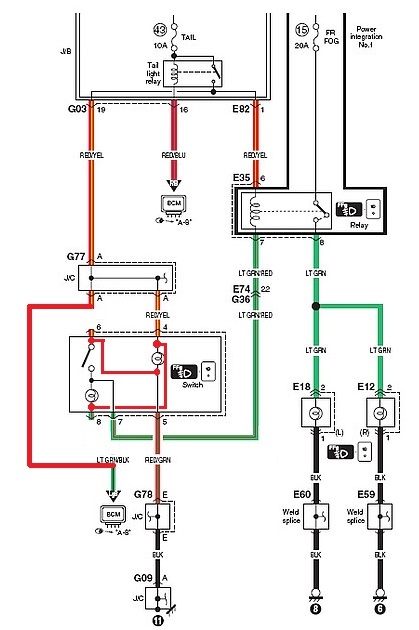
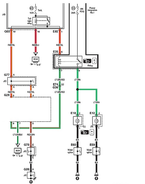
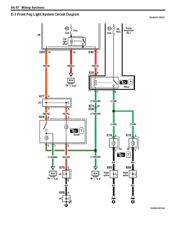
После замены у меня не заработала индикация. Начал разбираться. В интернете нашёл схему для Классик
46a9fc166ca7.jpg
Кнопка именно такая, но у нас схема коммутации другая. Больше похожа на вот эту (цвета проводов не соблюдены)
10216497.jpg
Но с имеющейся кнопкой это работать не будет. Поэтому я перекроил кнопку вот так:
10216498.jpg
(Вход BCM, который я соединил с подсветкой - это контроль работы ПТФ, чтобы погасить ДХО. В итоге теперь у меня ДХО гаснут сразу при включении габаритов)
У меня всё заработало. Но тут я наткнулся на схему от Грант Витара, она очень похожа на ту, что я "прощупал" на своей машине. И кнопка используется та же, что и на Класик:
102164970.jpg
Получается, что когда на вход BCM (левый на картинке) попадает "+" на выходе BCM (на картинке справа) должен появляться "-".
И теперь чем больше я думаю, тем ближе подхожу к мысли, что я каким-то образом спалил выход "-" на BCM. Это укладывается в концепцию, что везде кнопки одинаковые, и объясняет, почему сначала на кнопке индикация работала.
Как я его спалил - я не знаю. Реле конечно 80Ом вместо родных 150Ом, но лампа накаливания всего 24Ом... если только мультиметром как-то коротнул.
 

Van Highlander

Бывает здесь
30 Сентябрь 2014
62
16
8
Москва
Езжу на ...
Polo Sedan; Suzuki SX4 New GL
По ссылке лампа не LED, но как раз с нужными пазами, клещевидные наросты по бокам. Но те первые думаю тоже нормально встанут.

Просверлить то можно, но есть два момента.
Во-первых, плоскость фары и плоскость заглушки не паралельны. Следовательно окружность фары проецируется на поверхность заглушки овалом. Тут либо вручную выпиливать, либо умудриться фрезу под углом пустить, что практически невозможно сделать аккуратно.
Во-вторых, почти вся фара лежит за заглушкой. Накладка очень сильно прогибается внутрь бампера, чтобы очертить фару. Т.е. даже если сделать аккуратно отверстие в заглушке, получится огромная дыра между фарой и краем отверстия, если смотреть с боку.
В общем в любом случае выглядеть это будет колхозно (

Кстати, на накладках написано 71761-61M1L и 71751-61M1R Полного номера нет, поэтому в каталогах найти не удалось, но по номеру 71761-61M10 Гугл находит товар на taobao
Засада в том, что сайт полностью китайский )
http://item.taobao.com/item.htm?id=40140913987
 


Mekena

legioner
25 Май 2014
2,852
783
113
UA, Приазовье
Езжу на ...
Suzuki SX4 New (S-Cross)
Последнее редактирование модератором:

Van Highlander

Бывает здесь
30 Сентябрь 2014
62
16
8
Москва
Езжу на ...
Polo Sedan; Suzuki SX4 New GL
А по поводу проводки с готовым разъемом?
Проводка есть, да не вся. Я уже тут писал и выкладывал фото, что у левой фары есть разъём на 4 пина. В него должен подключаться ещё небольшой жгут, который уже будет подключаться к фарам.
Выглядит он примерно так:
2014-12-13 13.53.47-2.jpg
 
  • Нравится
Реакции: 1 человек

miii

Наш человек
Премиум-аккаунт
27 Ноябрь 2014
170
80
28
46
Удмуртия, г.Ижевск
Езжу на ...
SUZUKI SX4 NEW GL
Van Highlander, спасибо[DOUBLEPOST=1419843975,1419843698][/DOUBLEPOST]
Проводка есть, да не вся. Я уже тут писал и выкладывал фото, что у левой фары есть разъём на 4 пина. В него должен подключаться ещё небольшой жгут, который уже будет подключаться к фарам.
Выглядит он примерно так:
Посмотреть вложение 70438
https://www.drive2.ru/c/1398105/: VVikt0r пишет "...один разъем на фаре оказался другим, а от второй фары идет дополнительный провод, что меня насторожило — правильно, фары подключаются последовательно! Хотя я не совсем понял такое решение от OSRAM."
т.е. сколько понимаю надо наш 4пин разъем поменять на 2пин из этого комплекта, а проводка к другой фаре пойдет не от разъема, а от ПТфки
[DOUBLEPOST=1419844483][/DOUBLEPOST]
Van Highlander, по высверливанию понял - вычеркиваю.

тут бы какой нибудь уплотнитель который бы закрыл колхоз дыру между фарой и краем отверстия и овал, но пока не нашел ни в интернете ни в магазинах
[DOUBLEPOST=1419845761][/DOUBLEPOST]
Van Highlander, по высверливанию понял - вычеркиваю.
Спасибо за инфу.
А по поводу проводки с готовым разъемом?

А мне гугл по правому артикулу выдал : http://www.bildelsbasen.se/?link=item&searchmode=3&query=71751-61M1&post_id=28012184
изначально рассматривал как вариант установить ПТФ на защиту бампера
типа такой Защита "Slitkoff" переднего бампера d57/42 двойная ЧЕРНАЯ для Suzuki SX4 II 2014-. Артикул SSX4-14-002B http://alta-karter.ru/tuning/suzuki/sx4/2/zashita-front
Стоит как накладки под ПТФ (4650руб.), на такую можно любой свет поставить, но решил пока не воротить
 

Вложения

Последнее редактирование модератором:

Van Highlander

Бывает здесь
30 Сентябрь 2014
62
16
8
Москва
Езжу на ...
Polo Sedan; Suzuki SX4 New GL
т.е. сколько понимаю надо наш 4пин разъем поменять на 2пин из этого комплекта, а проводка к другой фаре пойдет не от разъема, а от ПТфки
Я так понял, что в комплекте есть заглушка на разъём правой фары, чтобы грязь в него не забивалась. На левой фаре есть провод к стандартному разъёму левой фары, и длинный провод до правой фары.
Как поступать, если родного жгута для ПТФ нет - решает каждый сам. Можно отрезать 4х-пиновый разъём и припаять туда H11. Можно у фары отрезать ответную часть H11 и припаять ответную часть для 4х-понового разъёма. А можно сделать маленький переходник, выглядеть будет почти как мой жгут, только без длинной ветки, которая предназначена для правой фары. Ну и т.д. и т.п.

тут бы какой нибудь уплотнитель который бы закрыл колхоз дыру между фарой и краем отверстия и овал, но пока не нашел ни в интернете ни в магазинах
Колхоз дело добровольное ) Можно найти сантех трубу, которая на фару налезает, её срезать под нужным углом, и стык с накладкой как-нидь красиво замазать, покрасить всё в чёрный

Светодиодная (Противотуманная фара WESEM НО5 461.08 с светодиодной лампой 12V-11W 5000K Н11) - это не LED?
Ой, я чёт не прочитал. А на фото фара явно с галогенной лампой.