Проставки для Лианы & Aerio... Вопросы и ответы, плюсы и минусы

Yorik

Продвинутый новичок
10 Сентябрь 2008
41
0
0
38
Москва
Езжу на ...
Suzuki Boulevard m50
Ответ: Местная барахолка: куплю-продам, отдам в хорошие руки...!

а проставки еще актуальная тема? где провреренные приобрести? или может у кого завалялись ненужные =) ?
Можно купить проставки здесь общаемся в личке. Я себе у них покупал в апреле, до сих пор езжу на этих проставках и всё отлично))))
 


Arden

Проходил мимо
20 Декабрь 2010
3
0
0
52
Тюмень
Езжу на ...
2007 год. Лиана 4 wd вагон
Ответ: Местная барахолка: куплю-продам, отдам в хорошие руки...!

День всем добрый !
Я тут новичок- вопрос данный в созданных темах не нашел, может и некорректно, что новую тему создал, если что- поправьте.
Лиану взял 2007 года, комплект проставок на стойки в Новосибе уже заказал. Только проблема- 3 см передние, а задние только 2 см. Зад просевший, хоть и 2007 год. Нужно еще под пружины проставки сделать, а диаметр пружины задней в -30 замерить сложно. Подскажите, кто знает- какой диамеьтр задней пружины у Лианы вагона?
 

abatsk

Осваивающийся
1 Август 2010
22
0
0
41
Абатск
Езжу на ...
Suzuki Aerio 2002 г.в.
Ответ: Проставки для Лианы & Aerio... Вопросы и ответы, плюсы и минусы

В личку отпишите плиз, где в инете заказать передние, задние проставки?
 

Victor23

Профи
23 Апрель 2007
2,335
360
0
54
Нечерноземье
Езжу на ...
Suzuki Liana 2005 1.6 4AT 4WD продана
Ответ: Проставки для Лианы & Aerio... Вопросы и ответы, плюсы и минусы

здесь есть чертежи, мне по ним выточили
все встало почти идеально
 

Samovar

Осваивающийся
7 Июль 2009
24
0
1
Москва-Бутово
Езжу на ...
Aerio SX 2.3 АКП 2003г HB
Ответ: Проставки для Лианы & Aerio... Вопросы и ответы, плюсы и минусы

здесь есть чертежи, мне по ним выточили
все встало почти идеально
Что значит почти идеально?По этим чертежам делали проставки только 30 млм.Весной планирую поставить.
 


Victor23

Профи
23 Апрель 2007
2,335
360
0
54
Нечерноземье
Езжу на ...
Suzuki Liana 2005 1.6 4AT 4WD продана
Ответ: Проставки для Лианы & Aerio... Вопросы и ответы, плюсы и минусы

мне выточили на 35мм
но под передние опоры стойки их трудно засовывать
если бы чуть меньше их сделать
диаметр который на чертеже передних проставок 150 сделать 145
который 115 - 113,
а который 105 - 103
 

KASiK

Мудрец
26 Август 2008
8,883
5,206
113
51
Санкт-Петербург, Красное Село
Езжу на ...
Suzuki Liana HB 1.6 4WD АКПП 2007
Geely Monjaro АКПП 4WD 2023 Изумруд
Ответ: Проставки для Лианы & Aerio... Вопросы и ответы, плюсы и минусы

мне выточили на 35мм
но под передние опоры стойки их трудно засовывать
если бы чуть меньше их сделать
диаметр который на чертеже передних проставок 150 сделать 145
который 115 - 113,
а который 105 - 103
А у меня все четко встало. Правда у меня высота - 27, а не 35, но на диаметр это не влияет ведьЧешу репу.
 

Victor23

Профи
23 Апрель 2007
2,335
360
0
54
Нечерноземье
Езжу на ...
Suzuki Liana 2005 1.6 4AT 4WD продана
Ответ: Проставки для Лианы & Aerio... Вопросы и ответы, плюсы и минусы

стоит прекрасно, но гайки закручивать не удобно - мало очень места, хотя его есть из чего выделить
и в левой опоре (у водителя) в кузове выступы такие неудобные, в них немного упирается когда подсовываешь проставку (тут кстати ее высота влияет)
 

Samovar

Осваивающийся
7 Июль 2009
24
0
1
Москва-Бутово
Езжу на ...
Aerio SX 2.3 АКП 2003г HB
Ответ: Проставки для Лианы & Aerio... Вопросы и ответы, плюсы и минусы

стоит прекрасно, но гайки закручивать не удобно - мало очень места, хотя его есть из чего выделить
и в левой опоре (у водителя) в кузове выступы такие неудобные, в них немного упирается когда подсовываешь проставку (тут кстати ее высота влияет)
Если я правильно понял то стойку снимать не надо,только отвернув верх. Можно поэтапно насписать.
 

KASiK

Мудрец
26 Август 2008
8,883
5,206
113
51
Санкт-Петербург, Красное Село
Езжу на ...
Suzuki Liana HB 1.6 4WD АКПП 2007
Geely Monjaro АКПП 4WD 2023 Изумруд
Ответ: Проставки для Лианы & Aerio... Вопросы и ответы, плюсы и минусы

Если я правильно понял то стойку снимать не надо,только отвернув верх. Можно поэтапно насписать.
Видимо Victor23 как раз и пишет о способе установки без снятия стоек. Я снимал - так проще. Развал-схождение все равно лучше потом сделать.
Мой фотоотчет где-то раньше выкладывал
 




Victor23

Профи
23 Апрель 2007
2,335
360
0
54
Нечерноземье
Езжу на ...
Suzuki Liana 2005 1.6 4AT 4WD продана
Ответ: Проставки для Лианы & Aerio... Вопросы и ответы, плюсы и минусы

ну как бы "без снятия"
снизу все равно ослаблялось

развал сделал сразу, все были параметры почти красные
 

KALANDR

Редкий гость
4 Декабрь 2010
9
1
3
59
ИВАНОВО
Езжу на ...
SUZUKI LIANA 2005г
Ответ: Проставки для Лианы & Aerio... Вопросы и ответы, плюсы и минусы

Поставил проставки по чертежам Balu(за что ему отдельное спасибо)только 3 см,ушла проблема шарканья пузом,но появились какие то щелчки сзади при троганье.Проверили со спецом весь зад,ничего не нашли.
 

GIP

Наш человек
22 Июль 2009
173
20
0
51
Татарстан
Езжу на ...
Suzuki Liana SD, 2005 г., 4х4, АКПП, серый
Ответ: Проставки для Лианы & Aerio... Вопросы и ответы, плюсы и минусы

Сегодня заехал, переговорил с мастером по ходовой, он что-то засомневался в возможности отрегулировать развал-схождение после установки проставок. Поспрошай сказал своих форумчан - изменятся ли углы установки колес после установки проставок? Одно не пойму-неужели развал-схождение не регулируются ?
 

andrgra

Местный
29 Апрель 2009
257
37
28
москва СЗАО
Езжу на ...
сузуки лиана 2005 1,6 106л/с АКПП привод передний
НСГВ 2013г.AT 5D JLX-E 140л/с
Ответ: Проставки для Лианы & Aerio... Вопросы и ответы, плюсы и минусы

Сегодня заехал, переговорил с мастером по ходовой, он что-то засомневался в возможности отрегулировать развал-схождение после установки проставок. Поспрошай сказал своих форумчан - изменятся ли углы установки колес после установки проставок? Одно не пойму-неужели развал-схождение не регулируются ?
Второй год на проставках :thumbsup: после установки поехал на компьютерный сход(развал на легковых не делается) сделали без проблем на передних и задних колесах,перед тем как делать сход мастер должен проверить давление в шинах,если он это не сделает то лучше поехать в другое место и быть загружена для ежедневных поездок. Год назад это стоило 1900руб.
 
  • Нравится
Реакции: 1 человек



atvr

Осваивающийся
22 Декабрь 2010
20
1
0
Москва
Езжу на ...
Liana 2004 Сарай 4х4
Ответ: Проставки для Лианы & Aerio... Вопросы и ответы, плюсы и минусы

Вместе с заменой амортизаторов поставил вчера и проставки. Покупал через интернет, металлические )
Передние привезли с маркировкой 27 мм, задние 30 мм. Реально по внешним размерам оказалось 30 и 33. Цена - 2200 с доставкой.
Конечно по-хорошему все это некоторый колхоз - но с такими дорогами, как сейчас в Сочи и окрестностях - оказалось полезно) и так весь бампер спереди раздолбал... ну и с полным приводом теперь несколько дальше ходить за трактором))
Да, сход-развал компьютерный сделали без проблем - цена 1100р.
Результатом доволен, вот только теперь несколько смешно колеса смотрятся) Надо еще резину купить повыше... Кстати, наверное не в эту тему - но может кто и ответит - максимально-высокую резину какую кто ставил?
 

Sersh

Бывает здесь
4 Май 2009
51
9
0
Москва
Езжу на ...
Liana
Ответ: Проставки для Лианы & Aerio... Вопросы и ответы, плюсы и минусы

с постановкой проставок арка шире не становится :))
резину можешь поставить чуть-чуть выше, но несильно...
про резину здесь обсуждалось, ищи
 

muralex

Осваивающийся
11 Июнь 2011
15
0
0
Нижний Новгород
Езжу на ...
Suzuki Liana 1,6 МКПП, 4х4. 07.2005. + 30мм. в подвеске.
Ответ: Проставки для Лианы & Aerio... Вопросы и ответы, плюсы и минусы

Чертежами поделитесь пожалуйста! На днях предстоит замена всех стоек, вот за компанию и поставить хочу проставки.
 

AndreyKa830

Бывает здесь
3 Апрель 2010
96
54
18
Нижний Новгород
Езжу на ...
Я счастливый обладатель Suzuki Jimny!!!
Ответ: Проставки для Лианы & Aerio... Вопросы и ответы, плюсы и минусы

Почитай тему в ней были чертежи, поищи не ленись)
 

muralex

Осваивающийся
11 Июнь 2011
15
0
0
Нижний Новгород
Езжу на ...
Suzuki Liana 1,6 МКПП, 4х4. 07.2005. + 30мм. в подвеске.
Ответ: Проставки для Лианы & Aerio... Вопросы и ответы, плюсы и минусы

Вчера весь вечер изучал. В поиске выдаются замечания о неоткрываемости чертежей. Хотя "мы сами не местные", только-только начал форумом пользоваться, мож чего не так делаю...
 





AndreyKa830

Бывает здесь
3 Апрель 2010
96
54
18
Нижний Новгород
Езжу на ...
Я счастливый обладатель Suzuki Jimny!!!
Ответ: Проставки для Лианы & Aerio... Вопросы и ответы, плюсы и минусы

чертежи есть в электронном варианте, но на работе, а так как я в отпуске на работу попаду не раньше 5 июля. если терпит подожди
 

Victor23

Профи
23 Апрель 2007
2,335
360
0
54
Нечерноземье
Езжу на ...
Suzuki Liana 2005 1.6 4AT 4WD продана
Ответ: Проставки для Лианы & Aerio... Вопросы и ответы, плюсы и минусы

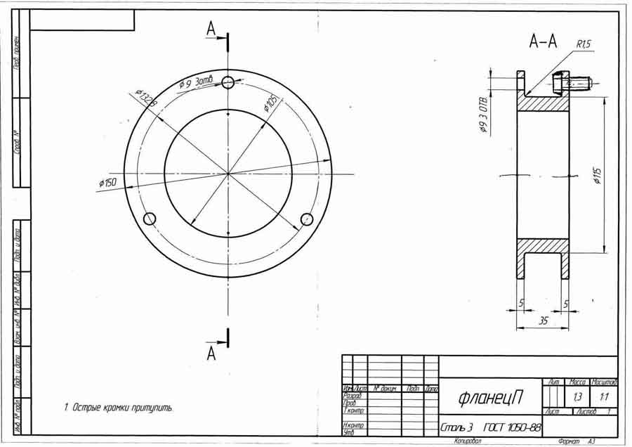
выкладываю черетежи на проставки, которые здесь же нашел
 

Вложения

andrgra

Местный
29 Апрель 2009
257
37
28
москва СЗАО
Езжу на ...
сузуки лиана 2005 1,6 106л/с АКПП привод передний
НСГВ 2013г.AT 5D JLX-E 140л/с
Ответ: Проставки для Лианы & Aerio... Вопросы и ответы, плюсы и минусы

выкладываю черетежи на проставки, которые здесь же нашел
Полтора года назад мне сделали проставки по этим чертежам,все подошло изюмительно.Только высоту уменьшил сделал 30мм,шланги тормозные чтоб не сильно натягивались,резину поставил 195-60 Р15.:thumbsup::thumbsup::thumbsup:
 

muralex

Осваивающийся
11 Июнь 2011
15
0
0
Нижний Новгород
Езжу на ...
Suzuki Liana 1,6 МКПП, 4х4. 07.2005. + 30мм. в подвеске.
Ответ: Проставки для Лианы & Aerio... Вопросы и ответы, плюсы и минусы

Спасибо всем! Сделал по чертежам Victor23. Но на 5 мм ниже и намазал в 3 слоя резино-полимерной мастикой - это у нас антикор такой получился. В среду приедут стойки, вот тогда и похохочем. Как все сделаю отпишусь и отфотографируюсь. Эх, еще бы багажник на крышу ........
 

Victor23

Профи
23 Апрель 2007
2,335
360
0
54
Нечерноземье
Езжу на ...
Suzuki Liana 2005 1.6 4AT 4WD продана
Ответ: Проставки для Лианы & Aerio... Вопросы и ответы, плюсы и минусы

Чертежи не мои ;)
я их скачал, по ним выточил и поставил проставки (35мм),
а картинки просто перевыложил, раз потерялись
 
  • Нравится
Реакции: 1 человек


gvv

SX4 S-CROSS 2018 M16A AT 2WD
29 Март 2008
10
18
3
45
москва
Езжу на ...
SX4 S-CROSS 2018 M16A AT 2WD GLX
Ответ: Проставки для Лианы & Aerio... Вопросы и ответы, плюсы и минусы

Всем привет, нужен совет :thumbsup:

Купил поставки перед 2.5 зад 3.0

При установке, в сервисе сказали что стойки стабилизатора стали короткие и теперь не подходят

Сняли стойки и сбилизатор открутили...((:)thumbsdown:

сказали эти будем удлинять или заказывать от другого авто

езжу проставленный и без стабилизаторов!? Чешу репу.

Поиск не помог , если где обсуждалось, киньте ссылку плз ;)
 

atvr

Осваивающийся
22 Декабрь 2010
20
1
0
Москва
Езжу на ...
Liana 2004 Сарай 4х4
Ответ: Проставки для Лианы & Aerio... Вопросы и ответы, плюсы и минусы

Странно как-то... Никаких проблем с ними не было... Да мне кажется что и не может быть... Что-то чудят сервисмены :)
Залезьте сами и посмотрите :) Мне кажется им просто было лень подумать :)
з.ы. Помнится в одном сервисе меня 3 раза защиту картера на фабию гоняли менять, пока не привел продавца и тот не ткнул носом как ее ставить :)
 

mwn

Проходил мимо
23 Декабрь 2007
4
0
0
Москва
Ответ: Проставки для Лианы & Aerio... Вопросы и ответы, плюсы и минусы

Yorik, Добрый день. Тоже хочу себе приобрести проставки, напишите пожалуйста где брали?
 

MrBadGuy

Продвинутый новичок
8 Ноябрь 2007
35
9
0
Санкт-Петербург
Езжу на ...
Куча самых разных жигулей (все, слава богу, проданы); Suzuki Baleno Wagon 1998 (продан); ZAZ Sens 2007 (продан); Suzuki Liana 2005, 1,6 16V 2WD седан, ручка; Suzuki Liana 2005 1,6 16V 4WD HB ручка.
Ответ: Проставки для Лианы & Aerio... Вопросы и ответы, плюсы и минусы

Значит так. Вот мой отчет об изготовлении и попытке установки проставок на мою Лиану. Сразу оговорюсь, у меня полный привод, это важно.
1. На работе взял болванку стальную из стали 45 (что было, то и взял). На ленточной пиле нарезал из нее блинов, токарь выточил мне проставки, высота - 27 мм. Нижний фланец - 5 мм. верхний - 7 мм. В верхний фланец ввернуты шпильки М8, прихвачены сваркой для прочности.
2. Снял стойку с машины (дело 10 минут при наличии подъемника и пневмоинструмента).
3. Разобрал стойку, заменил амортизатор, привинтил проставку.
4. Установил стойку на место. И вот тут выяснилось, что стойки стабилизатора при даже таком незначительном изменении высоты просто не подходят. То есть, их можно опустить, но тогда они своим нижним краем застревают между амортизатором и ШРУСом. Еще мелочь, но неприятная. Провод датчика АБС сильно натягивается, пока машина висит на подъемнике, соответственно надо перемещать крепление.
Поразмыслив, решил проставки не устанавливать. Слишком много нештатных деталей в подвеске авотмобиля не есть хорошо, особенно, изготовленных кустарно.
Вопрос увеличения клиренса решил проще - заменил резину. Вместо 195/55/R15 поставил 195/65/R15. Разница - 2 см. Нигде не цепляет, даже при полностью вывернутом руле.

итог:
1. потрачено время на изготовление проставок, которые мне не пригодились.
2. При установке проставок желательно (а на полноприводной версии необходимо) заменить стойки стабилизатора на более короткие (кто-то писал про более длинные, но я как-то не понял, почему их надо удлиннять, ведь верхнее крепление стойки стабилизатора, которое находится на аммо, относительно других точек крепления стаба опускается).
3. Колеса 195/65/15 подходят и увеличивают клиренс на 2 см БЕЗ вмешательства в подвеску.


P.S.
Если кому-нибудь надо, могу отдать проставки за символическую плату в 1000 руб (столько, сколько потратил на их изготовление). Кому надо - пишите в личку.
 

Victor23

Профи
23 Апрель 2007
2,335
360
0
54
Нечерноземье
Езжу на ...
Suzuki Liana 2005 1.6 4AT 4WD продана
Ответ: Проставки для Лианы & Aerio... Вопросы и ответы, плюсы и минусы

мне ставили проставки 35мм на яме, а не на подъемнике - все нормально,
только провода абс поднатянулись

ЗЫ мастер, который делал, занимается тюнингом внедорожников - поэтому про лифт - бодилифт знает все