замена тормозной жидкости - прокачка тормозов?



ноwый

Наивный,но обучаемый сузукофил
22 Ноябрь 2011
721
167
0
СПб ЛО
Езжу на ...
Сузуки"Лиана" 2002г.,переднеприводная , серебристый металлик,красавица .
А в какую горлу лить,ув.Потапыч?Я ж говорю,что их две.
 

ноwый

Наивный,но обучаемый сузукофил
22 Ноябрь 2011
721
167
0
СПб ЛО
Езжу на ...
Сузуки"Лиана" 2002г.,переднеприводная , серебристый металлик,красавица .
Понял Змей Потапыч,долью сегодня.А что тогда это за бачок с горловиной рядом?Там тоже какое то масло залито.
 


ноwый

Наивный,но обучаемый сузукофил
22 Ноябрь 2011
721
167
0
СПб ЛО
Езжу на ...
Сузуки"Лиана" 2002г.,переднеприводная , серебристый металлик,красавица .
Та ,что левее, тормоза , правее привод сцепления ! Вы где уровень проверяли и доливали ?
Ещё нигде не доливал,только что приехал,купил 0,5 литра тормозной жидкости DOT-3 "Luxe".Уровень проверял визуально,видно же сколько в бачках жижи,у меня они почти прозрачные.Змей Потапыч сказали,что нужно лить в тот,который стоит на большом,круглом блине .Есть у меня такой,туды и лить буду.
 

ноwый

Наивный,но обучаемый сузукофил
22 Ноябрь 2011
721
167
0
СПб ЛО
Езжу на ...
Сузуки"Лиана" 2002г.,переднеприводная , серебристый металлик,красавица .




ноwый

Наивный,но обучаемый сузукофил
22 Ноябрь 2011
721
167
0
СПб ЛО
Езжу на ...
Сузуки"Лиана" 2002г.,переднеприводная , серебристый металлик,красавица .
  • Нравится
Реакции: 1 человек

Blomst

Местный
28 Июнь 2011
433
121
43
DK
Езжу на ...
Toyota Avensis Combi 2011
Коллеги, а что у нас на Лиане жидкость самотеком не стекает при приоткрытой крышке бачка и без всяких приблуд и нажатия на тормоз? Собрался менять.
 

sanich72

Эксперт
22 Январь 2010
4,279
1,740
113
Московская область - Коломна
Езжу на ...
suzuki liana Toyota Land Cruiser Prado 3D
Коллеги, а что у нас на Лиане жидкость самотеком не стекает при приоткрытой крышке бачка и без всяких приблуд и нажатия на тормоз? Собрался менять.
Стекает !!
 

ноwый

Наивный,но обучаемый сузукофил
22 Ноябрь 2011
721
167
0
СПб ЛО
Езжу на ...
Сузуки"Лиана" 2002г.,переднеприводная , серебристый металлик,красавица .
Ув. Змей Потапыч ,электрик посмотрел всю цепочку от датчика до кнопки о обратно и не обнаружил ни фига .Всё звоницца и светицца...Усиленно чешем репу.Чё за палтиргеис такой на моей ляльке?
 

alekse1

Опытный сузуковод
28 Ноябрь 2010
997
459
63
Нижегородская обл.
Езжу на ...
Suzuki Liana Sedan 2007 2wd 1,6 МКПП
Ув. Змей Потапыч ,электрик посмотрел всю цепочку от датчика до кнопки о обратно и не обнаружил ни фига .Всё звоницца и светицца...Усиленно чешем репу.Чё за палтиргеис такой на моей ляльке?
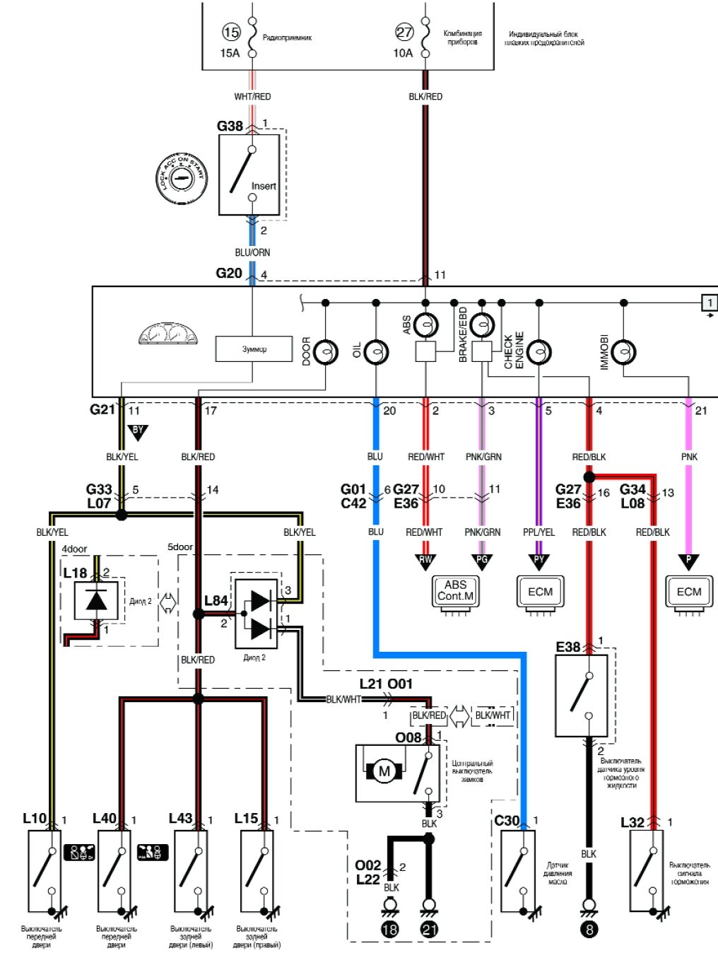
На приборке нового образца со светодиодами это был бы действитеьно полтергейт, там загорается либо от датчика на бачке тормозухи, либо от ручника, ну и самое невероятное перетерся зтот провод и временами коротит на массу
1077.jpg
а вот на старой приборке с лампочками, там еще проводок идет от контроллера ABS (розово-зеленый)
1075.jpg
Копайте в этом направление.
 



alekse1

Опытный сузуковод
28 Ноябрь 2010
997
459
63
Нижегородская обл.
Езжу на ...
Suzuki Liana Sedan 2007 2wd 1,6 МКПП
ну и совсем чтобы исключить подозрения на кнопку ручника и датчик уровня - скиньте разъемы с них да покатайтесь денек.
 

ноwый

Наивный,но обучаемый сузукофил
22 Ноябрь 2011
721
167
0
СПб ЛО
Езжу на ...
Сузуки"Лиана" 2002г.,переднеприводная , серебристый металлик,красавица .
Всем спасибо братцы за участие,оказалось(как сказал мастер) - стерлись передние колодки.:(Буду менять завтра.
Блин ,брал же нормальные...Хотя почти год на них отъездил.
Но всё равно :почему же лампочка загорается строго только при скорости 100км\час???!!!!
 





sanich72

Эксперт
22 Январь 2010
4,279
1,740
113
Московская область - Коломна
Езжу на ...
suzuki liana Toyota Land Cruiser Prado 3D
Всем спасибо братцы за участие,оказалось(как сказал мастер) - стерлись передние колодки.:(Буду менять завтра.
Блин ,брал же нормальные...Хотя почти год на них отъездил.
Но всё равно :почему же лампочка загорается строго только при скорости 100км\час???!!!!
Если тормозная жидкость в норме, то лампочка загорается не из за колодок !
 

ноwый

Наивный,но обучаемый сузукофил
22 Ноябрь 2011
721
167
0
СПб ЛО
Езжу на ...
Сузуки"Лиана" 2002г.,переднеприводная , серебристый металлик,красавица .

vova65

Сузуковод со стажем
16 Апрель 2009
1,246
63
0
59
Israel
Езжу на ...
Syzuki - Liana 2007
Вопрос про тормозную сисьтему. Скоро нужно менять жидкость тормозную по времени, но не думаю что связанно следующие наблюдения.
1. Когда еду медленно чувствуеться, что педель тормаза чуть глубже нужно надовить при остановке, но не до пола.
2. Когда еду на скокрости свыше 60км и выше , педаль тормаза более чувствительна.
Жидкость на месте и не протечек. С чем это связанно т.е разное усилие на педаль тормаза?
 

alekse1

Опытный сузуковод
28 Ноябрь 2010
997
459
63
Нижегородская обл.
Езжу на ...
Suzuki Liana Sedan 2007 2wd 1,6 МКПП
Вопрос про тормозную сисьтему. Скоро нужно менять жидкость тормозную по времени, но не думаю что связанно следующие наблюдения.
1. Когда еду медленно чувствуеться, что педель тормаза чуть глубже нужно надовить при остановке, но не до пола.
2. Когда еду на скокрости свыше 60км и выше , педаль тормаза более чувствительна.
Жидкость на месте и не протечек. С чем это связанно т.е разное усилие на педаль тормаза?
Может это все на уровне ощущений? на скорости и руль острее становится, и педали туже;)
 


vova65

Сузуковод со стажем
16 Апрель 2009
1,246
63
0
59
Israel
Езжу на ...
Syzuki - Liana 2007
Пройден очередное Т.О 90.000 км.По регламенту сменили тормозную жидкость.Сливали медленно и нудно инногда помогали педалькой тормоза,но что меня озадачило то,что в мануале рекомендуют Дот- 3, а влили поллитровую бутыль Дот-4.Подходит ли эта жидкость для наших Лиан?
 

Blomst

Местный
28 Июнь 2011
433
121
43
DK
Езжу на ...
Toyota Avensis Combi 2011
  • Нравится
Реакции: 1 человек

alekse1

Опытный сузуковод
28 Ноябрь 2010
997
459
63
Нижегородская обл.
Езжу на ...
Suzuki Liana Sedan 2007 2wd 1,6 МКПП
Пройден очередное Т.О 90.000 км.По регламенту сменили тормозную жидкость.Сливали медленно и нудно инногда помогали педалькой тормоза,но что меня озадачило то,что в мануале рекомендуют Дот- 3, а влили поллитровую бутыль Дот-4.Подходит ли эта жидкость для наших Лиан?
Вас обманули! Вам дали лучше! (с)
По теме - подойдет:)
 

vova65

Сузуковод со стажем
16 Апрель 2009
1,246
63
0
59
Israel
Езжу на ...
Syzuki - Liana 2007
Не начнут ли из за дот 4 течи потому как она более текуча