Всем доброго дня! За ранние прошу прощения за много букав и грамматические ошибки в них.
Собственно может кому будет интересно, поэтому решил расписать.
Авто Jimny 2008года, мотор м13а коробка TW-40E, на ней надпись 76J3
В общем в коробку попала вода,

как оказалось люди, которые выводили сапун с коробки забыли его врезать в основную магистраль сапунов. Но неважно, случилось что случилось. Так с водой в коробке мы еще проездили часа четыре, после чего передачи потихоньку стали выключатся на оборотах выше 3000. Благо точки были собраны и мы двинули на финиш. После приезда домой,была заменена жидкость АКПП, и все проблемы вроде как ушли. НО не на долго, на следующих соревнованиях(без воды) АКПП начала сначала себя вести неуверенно (при небольших отрывах колес от земли, коробка стала выключатся и лиш через 2-4сек включалась ) а потом и вовсе сказала "хватит с Вас развлечений, идите куда хотите, но пешком, и без меня". Коробка перестала реагировать на любые переключения, не на D не R не на L машинка никак не реагировала, стояла как вкопанная. Но уровень масла стал выше макс на 5см. И самое интересное происходило после выкл-вкл массы авто, уровень масла в коробке был в норме, пока машина стоит на паркинге, а если перевести в D и обратно, то уровень опять вырастал,было впечатление что насос просто переставал качать, но можно было проехать 5-7 секунд и опять машина стоит. Так мы проехали около 500метров, после чего открутили карданы и оттянули машину домой в гараж. После чего было принято решение перебрать коробку самому, так как доверие к посторонним СТО стремилось к 0, не смотря на космические ценники.
Так как машина в жестоком ритме используется 3 сезона, то хотелось все таки полностью перебрать, а не просто сделать чтоб поехала. К сожалению считать ошибки перед снятием коробки не удалось (сканер только ехал а сидеть без дела было невыносимо, тест с булавкой и сервисным портом ничего не дал, не мигало абсолютно ничего).
Почитав пару мануалов и посмотрев пару видео была вскрыта и разобрана и моя коробка,

. Фрикционы муфты переднего хода оказались изношенными

, а фрикционы выходного вала хоть износа и не имели, но были немного подпалены

,
было пару перегревов, и поплыли фторопластовые(не уверен по поводу названия) кольца

, причем ниточки(кусочки) этих колец я наблюдал по всей коробке.
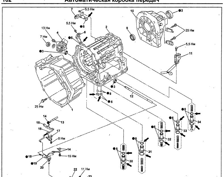
Далее принялся за гидроблок

, отдельное спасибо OGAREW за фото и за размеры болтов на них. В гидроблоке оказались заклинены два поршня (или клапана, не знаю как правельнее),

которые были вытянуты с большим усилием, после чего отчистил поршни, и посадочные места (чистил длинной отверткой замотанной в бинт, чтоб не делать заусениц), после чего поршни начали ходить без усилий.Прозвонил все соленоиды и по подключал к 12v(кроме регулятора давления, источника с постоянным током у меня нет и лампы на 21Вт пока тоже),кстати на 3-х одинаковых соленоидах нету обратной пружины, так что проверять только с давлением, или в вертикальном положении вводом вверх, на соленоиде включения гидротрансформатора (крайний справа) есть, так что он в отличии от предыдущих будет клацать и без давления. Далее собрал гидроблок, но единственно не нашёл новых прокладок и собрал на старых(их состояние было хорошее, да и в случае беды заменить их особых проблем не составит, вырежу на лазере новые).
На этом хорошие новости закончились, и камнем преткновения стала втулка
между солнечной шестерней

и
(Назовем это пальцем, извините за безграмотность ). Выглядит в сборе примерно так

.
Основная беда в том, что эта втулочка с разрезом,

и получается что она плотно садится на "палец" и трется об шестерню. НО для этого нужно при сборке вставить "палец" в шестерню

, а потом насадить сверху на "палец" втулку, НО здесь есть две беды, по мануалу, при сборке сказано, что нужно просто вставить "палец" в шестерню, и все, никаких махинаций с втулкой просто нет. А вторая беда в том что эта втулка просто закроет отверстие на "пальце" для смазки.
По хорошему хочется заказать у токаря втулку(без разреза) с внутренним диаметром как у запрессованной втулке , и запрессовать ее в шестерню под небольшим натягом, после чего палец будет просто входить и смазывать место трения.
Но тут я посмотрел еще раз мануал где показывается что эти две втулки запрессованы в конец солнечной шестерни

, и тут мой мозг начал закипать, ведь у меня потертости что на втулке что на шестерни по разным сторонам относительно канавки на пальце.
В общем мой ГЛАВНЫЙ вопрос к знающим людям которые разбирали, а главное собирали данный агрегат: Как мне поступить.
1. Вставить палец в шестерню а потом насадить на палец втулку, и пусть это хозяйство трется об шестерню, и забить что канал закрыт.
2. Или выточить втулку запрессовать в шестерню(собственно склоняюсь к этому варианту)
3. Или сделать как нарисовано в книжке, запрессовать 2 втулки с одной стороны (но так буду делать только если местные гуру объяснят каким образом это будет правильней чем второй вариант )
Ну и как говорится P.S. Доехал ко мне мой сканер и показал две ошибки: p0962и p2770, что говорит об обрыве цепи соленоида управления давления масла, а также и коротком на цепи соленоида блокировки ГТ. Что касается первой ошибки то возможно причина в том, что выдала при снятой коробке (но в любом случае начну с прозвонки от мозгов после установки АКПП), а по второй ошибке опять таки прозвон от мозгов.
И опять вопрос к знатокам, какие опознавательные знаки на блоке с мозгами коробки. Дело в том что все мозги авто, не менее 3-х блоков, переносили в верх

, где они и живут в сухом прохладном месте.
Итого найденных неисправностей : По плавленые второпластовые кольца(по 3$), заблокированный поршень в гидроплите(бесплатно), фрикционные диски(по 2,5$ единственная запчасть которая есть на эту коробку), износившаяся втулка, Гидротрансформатор отдам на переборку 50$.
Из минусов, на эту коробку нет запчастей,кроме оригиналов,есть только фрикционные кольца, нету даже наборов резиновых колец, но попробовав их руками, вроде пока не сгорели(хотя не понятно почему), но в следующий раз наверное буду их из шнура склеивать.
Еще раз прошу прощения за много букв, и за техническую безграмотность, дело в том что 2 недели назад я понятия не имел что такое солнечные шестерни, фрикционные диски а из работы АКПП знал лиш только что, если ручку перевести в D, то машина поедит вперед, а если R, то назад
Жду 1.Ваших совет на счет втулки,
2. как здесь

найти блок АКПП, в смысле как он выглядит
3. может кто скажет сопротивление лампы на 21Вт чтоб можно было обойтись резистором для проверки соленоида регулировки давления масла.
4. И может у кого были подобные ситуации, и как они выходили из них, вода, перегрев коробки, и машина не едет ни вперед ни назад
5. Что происходило с маслом? Почему было впечатление что насос не качает(Фильтр не сильно забитый, соленоид регулятора давления может что-то пере регулировал)