Улучшаем Suzuki Splash или Take all of your car! (тюнинг)

MVagiz

Наш человек
26 Декабрь 2010
119
19
18
50
Татарстан
Езжу на ...
только планирую
Ответ: Улучшаем Suzuki Splash или Take all of your car! (тюнинг)

Впуск разный. Это точно. Про прошивку ничего не знаю. А Вы верите в +10% из-за прошивки?
а чем отличается впуск (визуально?) или есть техн. документации
скорее всего только изменена прошивка контроллера
смотрел на сайтах чип-тюнинговых компаний (там предлагают изменить мощность путем перепрограммирования контроллера)
 


Sprash

Местный
8 Сентябрь 2009
270
56
0
СПб
Езжу на ...
Suzuki
Ответ: Улучшаем Suzuki Splash или Take all of your car! (тюнинг)

Достаточно серьёзные изменения. Совсем иначе сделан резонатор впуска. Это позволило "спрямить" поток входящего воздуха. Сам корпус воздушного фильтра выполнен тоже немного иначе. Может быть и фильтр уже другой (другой код производителя, а не K&N :). Попробую на днях сфоткать. Абсолютно аналогично выполнен впуск у нового Свифта.
 
  • Нравится
Реакции: 1 человек

Limerain

Продвинутый новичок
8 Февраль 2011
49
3
0
Санкт-Петербург
Езжу на ...
Suzuki Splash
Ответ: Улучшаем Suzuki Splash или Take all of your car! (тюнинг)



сделали реснички с друзьями из стеклопластика.. световой пучок естественно чуть уменьшился, но , надеюсь, особого дискомфорта мне это не доставит на дороге !)
 
  • Нравится
Реакции: 1 человек

MVagiz

Наш человек
26 Декабрь 2010
119
19
18
50
Татарстан
Езжу на ...
только планирую
Ответ: Улучшаем Suzuki Splash или Take all of your car! (тюнинг)

грозно смотрится а где всплеск ;)
 


Tess

Продвинутый новичок
6 Август 2012
43
1
0
48
Новосибирск
Езжу на ...
Езжу на Тойота аурис - буду заказывать Сплэш или Свифт
Ответ: Улучшаем Suzuki Splash или Take all of your car!

Чтобы двигатель Suzuki Splash сохранялся в наилучшем состоянии и ни на лошадь не терял мощности, каждые 4000 км пробега выполняем выполняем следующие процедуры в таком порядке:
1 Заливаем очиститель бензиновой системы
2 После него, на следующий полный бак, заливаем очиститель клапанов
3 После очистителя клапанов, на новый полный бак заливаем......
Картинки в сообщении Яна на первой странице этого сайта не просматриваются... :(

нашла на других страницах описание - что именно имел ввиду Ян -

как я понимаю - очищающие жидкости ЛиквиМоли - последовательно 3 вида, и потом еще он про присадку одну говорил которую в бензин лить.

но - они выпускаются в разных емкостях - т.е. на бак Сплеша - какой объем покупать?

и вообще - даже у ЛиквиМоли есть разные варианты этих очистных жидкостей.

Кто так делает - подскажите - точное название и объемы.


****

Жидкость для очистки бензиновых систем впрыска "Benzin System Intensiv Reiniger", 1л
Очиститель клапанов "Ventil Sauber", 250 мл
Эффективный очиститель инжектора "Injection Clean Effectiv", 300 мл

присадка - Суперкомплекс для бензиновых двигателей "Speed Benzin Zusatz", 1л

остался вопрос по объему заливаемой за раз жидкости.
 
  • Нравится
Реакции: 1 человек

bodybr

Наш человек
20 Июль 2012
182
20
0
Ярославль
Езжу на ...
Opel Agila B, 1.0, MT, 2008
Ответ: Улучшаем Suzuki Splash или Take all of your car! (тюнинг)

Tess, мы с вами уже обсудили данный вопрос. Разве нет?
Вдумайтесь, очиститель клапанов рекомендуется к применению при каждой заправке. Чем увеличивает стоимость бензина на 7 рублей за литр. Нравится?
 

Tess

Продвинутый новичок
6 Август 2012
43
1
0
48
Новосибирск
Езжу на ...
Езжу на Тойота аурис - буду заказывать Сплэш или Свифт
Ответ: Улучшаем Suzuki Splash или Take all of your car! (тюнинг)

Tess, мы с вами уже обсудили данный вопрос. Разве нет?
Вдумайтесь, очиститель клапанов рекомендуется к применению при каждой заправке. Чем увеличивает стоимость бензина на 7 рублей за литр. Нравится?
Неа, со мной этот вопрос еще не обсуждали... :) по-моему... :)

блок очищения топливная система - клапана - инжектор - через каждые 4000 км., по сумме примерно 700 руб. (опять же для меня до сих пор неясен вопрос - объем заливаемой жидкости?). Опять же примерно посчитала (раз уж вы так плюсуете к бензину) 2,62 руб. к каждому литру бензина. СтОит ли это того? Разница между 92 и 95 примерно такая и есть, а почитав этот форум я поняла, что надо лить 92 на проверенной заправке.

а вот присадка в бензин - каждую заправку - стоимость (варьируется) от 665 руб. до 800 за 1 литр. Пока еще не поняла какую именно выбрать, и опять же сколько ее лить. Читаю, "изучаю мат.часть" так сказать.... :)

...рассчитываю на продолжение обсуждения.... ;)
 

bodybr

Наш человек
20 Июль 2012
182
20
0
Ярославль
Езжу на ...
Opel Agila B, 1.0, MT, 2008
Ответ: Улучшаем Suzuki Splash или Take all of your car! (тюнинг)

Tess, я было подумал, что у меня дежавю. Ан нет.

Еще раз - очиститель клапанов рекомендуется к каждой заправке. +250 р. на бак.
 

Tess

Продвинутый новичок
6 Август 2012
43
1
0
48
Новосибирск
Езжу на ...
Езжу на Тойота аурис - буду заказывать Сплэш или Свифт
Ответ: Улучшаем Suzuki Splash или Take all of your car! (тюнинг)

Tess, я было подумал, что у меня дежавю. Ан нет.

Еще раз - очиститель клапанов рекомендуется к каждой заправке. +250 р. на бак.
да.... и правда, обсуждали! ну да ладно - я девочка, мне - можно... :)

так все же - я не занудствую, а так - акцентирую внимание на сути вопроса - мне очень - ОЧЕНЬ какое количество в мл. надо лить на бензобак? очистителей 1-2-3 и присадки - на каждый не на каждый - количество-то какое?

не в рублях, а в миллилитрах.
 




Tess

Продвинутый новичок
6 Август 2012
43
1
0
48
Новосибирск
Езжу на ...
Езжу на Тойота аурис - буду заказывать Сплэш или Свифт
Ответ: Улучшаем Suzuki Splash или Take all of your car! (тюнинг)

я сдаюсь...... давай по пунктам:

1. про клапана и инжектор - уже давно ясно - да, бутыльки только такие. Т.о. льем 0,25 л.

2. очиститель топливной системы - выгоднее купить 1 литр - и что - весь литр выливать?
или тоже по 0,25 л.? или по 0,125 л.? или по 0,3 л.? (подчеркнуть нужное).

3. присадка в бензин - тоже в продаже разные фасовки - сколько лить на полный бак -
0,125 л., 0,25 л., 0,3 л., 0,5 л., сколько хочется - выбрать нужный вариант!

:)

ответ почти уже не нужен - ссылки помогли-таки! :) даже мне... :)

там отличные подробные описания - где указано, что очиститель клапанов емкости 0,25 л. хватает на 75 л. бензина - т.о. для Сплэша расход будет на 155 руб. - хорошая из меня зануда сегодня вышла... :)
 

bodybr

Наш человек
20 Июль 2012
182
20
0
Ярославль
Езжу на ...
Opel Agila B, 1.0, MT, 2008
Ответ: Улучшаем Suzuki Splash или Take all of your car! (тюнинг)

Tess, блин:) Тыц.

У ЛМ размер бака лимитирован 75 литрами, но минимальных значений, похоже не имеет.
 

bodybr

Наш человек
20 Июль 2012
182
20
0
Ярославль
Езжу на ...
Opel Agila B, 1.0, MT, 2008
Ответ: Улучшаем Suzuki Splash или Take all of your car! (тюнинг)

Эх, не активные форумчане - владельцы Suzuki Splash.

Поставил сегодня видеорегистратор. Кучи проводов в машине не люблю. Был изготовлен преобразователь питания для регистратора. Вернее переделан из старого З/У для телефона.

Идет процесс отладки. Панель разбирается легко. Сломать что-то достаточно трудно.
c3f111cb93f370f669637b5a72bfd06d.jpg


Вот преобразователь. Вообще, если есть возможность, установить такую штуку. Мощность с запасом, хватит еще на пару устройств.
5447b1fd068772790bfdd1f658376af3.jpg


Все облагородил. Провода убраны. В прикуривателе родная зарядка регистратора.
51b497a42b1ea16d3aeb38076951463a.jpg


Регистратор собственной персоной. Провод питания выведен за зеркалом заднего вида.
f31ba568972672021be6804cb0c6fb34.jpg


Вид с водительского места. Обзору не мешает. Вообще первый раз столкнулся с такой эргономикой. За зеркало можно установить регистратор практически любого размера.
2b61130eb1c87f24f02f877853691472.jpg


И вот еще - питание взял здесь:
eb1b72582633b6089efea754bae1ddfc.png
 
  • Нравится
Реакции: 1 человек



Starik47

Местный
12 Март 2011
365
56
28
Кузбасс
Езжу на ...
Купил Suzuki Splash 1.2 МТ 94 л.с.
Ответ: Улучшаем Suzuki Splash или Take all of your car! (тюнинг)

Хочу поставить дневные ходовые огни (противотуманки отсутствуют и самому установить по заводскому
трудно и дорого). Не знаю как подступиться. Если светодиодные повесить параллельно габаритным, чтобы с включением габаритных загорались и дневные светодиодные. На габаритах стоят лампы накаливания по 5W да + светодиодные по 1-2W, думаю не перегружу проводку. В общем пока не определился, но очень "хоцетца" . Готовых решений не нашел.
 

bodybr

Наш человек
20 Июль 2012
182
20
0
Ярославль
Езжу на ...
Opel Agila B, 1.0, MT, 2008
Ответ: Улучшаем Suzuki Splash или Take all of your car! (тюнинг)

Starik47, я выложил в теме ПТФ то, что нужно для установки ПТФ. Выйдет порядка 2 руб.
Вообще я подумываю над ДХО. Сделать, как на америкосах, дальний в пол силы.
 
  • Нравится
Реакции: 1 человек

bodybr

Наш человек
20 Июль 2012
182
20
0
Ярославль
Езжу на ...
Opel Agila B, 1.0, MT, 2008
Ответ: Улучшаем Suzuki Splash или Take all of your car! (тюнинг)

Alex Foxx, плоской отверткой снять окантовку ручки кпп. Дальше будет понятно.
 
  • Нравится
Реакции: 2 человек

Aliaksandr

Бывает здесь
14 Сентябрь 2012
80
27
18
Беларусь, Минск
Езжу на ...
Suzuki Splash 2008, 996 cm
Ответ: Улучшаем Suzuki Splash или Take all of your car! (тюнинг)

bodybr, есть вариант гораздо проще и менее гемороен. Просто запитать регистратор (см. радар) от блока освещения салона. Зарядное можно разобрать и оставить одну плату, можно не разбирать и спрятать под обшивкой крыши. Места хватит с лихвой. Чтобы не барабанило- в поролон.

Добавлено через 6 минут
А я себе улучшил багажник. Просто нах выкинул ящик- органайзер и поместил его в гараж на даче. Места прибавилось явно, а аптечку и огнетушитель запихал под сиденье пассажира.
 





Starik47

Местный
12 Март 2011
365
56
28
Кузбасс
Езжу на ...
Купил Suzuki Splash 1.2 МТ 94 л.с.
Ответ: Улучшаем Suzuki Splash или Take all of your car! (тюнинг)

Starik47, я выложил в теме ПТФ то, что нужно для установки ПТФ. Выйдет порядка 2 руб.
Вообще я подумываю над ДХО. Сделать, как на америкосах, дальний в пол силы.
Ничего из этой затеи не выйдет. Деньги можно не тратить. Досконально разобрал схему подключения ПТФ и реальные возможности на автомобиле и вывод однозначный - по заводскому (а не по колхозному) установить ПТФ на сплэш практически НЕВОЗМОЖНО.
На сплэше есть только разьем подключения кнопки включения ПТФ и все. Нет места под реле, отсутствует проводка от кнопки и пробросить оную не по колхозному не получится. И многие другие мелочи. Буду делать дневные ходовые огни на светодиодах. Проблема в одном - где купить не китаезу.
 

bodybr

Наш человек
20 Июль 2012
182
20
0
Ярославль
Езжу на ...
Opel Agila B, 1.0, MT, 2008
Ответ: Улучшаем Suzuki Splash или Take all of your car! (тюнинг)

Starik47, ой, перестаньте. Кнопка включения ПТФ и та фиксируемая. В понедельник посмотрю схемы - мне кажется вы все усложняете.

Hella делает ДХО. Но смысл подключать их к габаритам? Если подключать, то к замку зажигания.
 

Starik47

Местный
12 Март 2011
365
56
28
Кузбасс
Езжу на ...
Купил Suzuki Splash 1.2 МТ 94 л.с.
Ответ: Улучшаем Suzuki Splash или Take all of your car! (тюнинг)

Starik47, ой, перестаньте. Кнопка включения ПТФ и та фиксируемая. В понедельник посмотрю схемы - мне кажется вы все усложняете.
Ничего я не усложняю.Коротенький пучек проводки от колодки подключения кнопки и все.
Остальное полностью отсутствует и даже в коробке реле и предохранителей под капотом
плата отштампована без гнезда под реле ПТФ.
Поскольку ДХО на светодиодах имеют мизерную мощность, то параллельное подключение к габаритным огням будет наиболее верное технически и экономически.
 
  • Нравится
Реакции: 1 человек

bodybr

Наш человек
20 Июль 2012
182
20
0
Ярославль
Езжу на ...
Opel Agila B, 1.0, MT, 2008
Ответ: Улучшаем Suzuki Splash или Take all of your car! (тюнинг)

Starik47, трудозатраты при установке ДХО и ПТФ будут одинаковы. Реле и там и там понадобится. Или ДХО не будут отключаться при включении фар?
 

Starik47

Местный
12 Март 2011
365
56
28
Кузбасс
Езжу на ...
Купил Suzuki Splash 1.2 МТ 94 л.с.
Ответ: Улучшаем Suzuki Splash или Take all of your car! (тюнинг)

Starik47, трудозатраты при установке ДХО и ПТФ будут одинаковы. Реле и там и там понадобится. Или ДХО не будут отключаться при включении фар?
Никакого реле не понадобиться и отключение не проблема. ДХО на светодиодах потребляют примерно по 1W на сторону. Зачем реле?Чешу репу.
 


Змей Потапыч

Одуванчик!
Супермодератор
27 Март 2006
3,616
916
113
67
Москва
Езжу на ...
SX-4 NEW
Ответ: Улучшаем Suzuki Splash или Take all of your car! (тюнинг)

параллельное подключение к габаритным огням будет наиболее верное технически и экономически.
И незаконное. ДХО должны гаснуть при включении габаритов.
 

Sprash

Местный
8 Сентябрь 2009
270
56
0
СПб
Езжу на ...
Suzuki
Ответ: Улучшаем Suzuki Splash или Take all of your car! (тюнинг)

Соответственно, ДХО, подключенные параллельно габаритам, даже если это будут ДХО от Hella, или другие, все равно будут выглядеть кЕтаем.
Интересно, а анджел айз сойдут за ДХО?
Просто непонятно, куда хеловские можно прикрутить.
 

bodybr

Наш человек
20 Июль 2012
182
20
0
Ярославль
Езжу на ...
Opel Agila B, 1.0, MT, 2008
Ответ: Улучшаем Suzuki Splash или Take all of your car! (тюнинг)

Никакого реле не понадобиться и отключение не проблема. ДХО на светодиодах потребляют примерно по 1W на сторону. Зачем реле?Чешу репу.
Реле понадобится, если ДХО будут гаснуть при включении ближнего света фар.
1W на сторону не кажется реальным. 1 SMD светодиод имеет мощность 1W.
 

Starik47

Местный
12 Март 2011
365
56
28
Кузбасс
Езжу на ...
Купил Suzuki Splash 1.2 МТ 94 л.с.
Ответ: Улучшаем Suzuki Splash или Take all of your car! (тюнинг)

Реле понадобится, если ДХО будут гаснуть при включении ближнего света фар.
1W на сторону не кажется реальным. 1 SMD светодиод имеет мощность 1W.
Если бы светодиоды были по 1 ватту, то большой конкуренции лампам накаливания не составили.
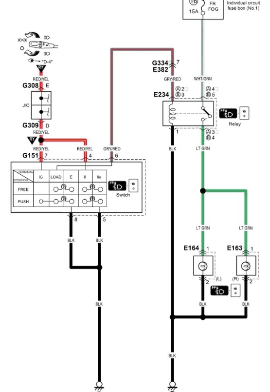
Вот заводская схема подключения ПТФ на Suzuki Splash. Смотрите, анализируйте.
 

Вложения

bodybr

Наш человек
20 Июль 2012
182
20
0
Ярославль
Езжу на ...
Opel Agila B, 1.0, MT, 2008