Тема про кондиционер и неисправности!!!заходите!)))

amigos

Эксперт
28 Июль 2008
3,094
562
113
46
Дубна Московская область
Езжу на ...
Suzuki Baleno Wagon 1,6 4WD 2001 SY416-5 (Blue Metallic), Isuzu Amigo '93 4ze1
А в Балено есть салонный фильтр,если есть тогда где он стоит?
Салонный фильтр только в Культусе (японце)

spec56
Если есть сомнения, то заедьте к другим специалистам, лучше именно по автокондиционерам.
 


Moshan

Наш человек
6 Июнь 2011
155
28
28
Магнитогорск
Езжу на ...
Suzuki SX4 New 2014 CVT
SUZUKI CULTUS CRESCENT WAGON GC21W G15A 2wd 1997
У меня Cultus и нету салонного фильтра. Так что это в некоторых моделях есть. Хотел сам сделать отверстие, но не успел. Снял дворники, пластмассувую крышку на лобовом стекле и на вход всасывания воздуха засунул материал типо фильтра. Хоть мелкую пыль и пропускает, но большой мусор, типо листочки и т.д. фильтрует. Мне это и устраивает, так как не уменьшается приток воздуха!
 

amigos

Эксперт
28 Июль 2008
3,094
562
113
46
Дубна Московская область
Езжу на ...
Suzuki Baleno Wagon 1,6 4WD 2001 SY416-5 (Blue Metallic), Isuzu Amigo '93 4ze1
Ну покрайнемере в Культусе для него место имеется. Для Балено и Естима без вариантов, если только колхоз.
 

DimaCultus

Бывает здесь
26 Февраль 2012
76
5
0
43
Еврейская автономная область
Езжу на ...
Suzuki Cultus Crescent 1997 г.в. универсал, 1,6л. G16A бензиновый 107 л.с., кузов GD31W-141073, правый руль.
Ребята подскажите. Поехал я заправлять кондей. Сервисмен подключил заправил все в норме утечек нет. Но когда стали проверять работу то давление на горячем контуре резко полезло вверх и кондей не холодит как надо. Мастер попытался откачать несколько раз фреон ничего не дало результатов. В итоге он сказал, что в салоне под панелью должен стоять клапан к нему еще проводки подходят вот он и вышет из строя и не пускает фреон дальше на горячий контур. Подскажите гд искать этот клапан и если можно номерок по каталогу подскажите!
Заранее всем огромное спасибо!!!
 

Moshan

Наш человек
6 Июнь 2011
155
28
28
Магнитогорск
Езжу на ...
Suzuki SX4 New 2014 CVT
SUZUKI CULTUS CRESCENT WAGON GC21W G15A 2wd 1997
Я то же неделю назад поехал заправлять кондиционер, так как снимал радиатор кондиционера и чистил. Заправил по инструкции 600г, давление компрессор создает, а циркуляции нет. Мастер сказал, что на радиаторе есть клапан и скорей всего он забит. Этот клапан - предохранитель от обледенения радиатора кондиционера, если радиатор слишком охладился-то он закрывается и уменьшает проходящие количество фреона. И датчик температуры на радиаторе есть, по которому контроллер кондиционера отключает компрессор. Так вот для правого руля он конструктивно другой, чем у левого. И к нему ни какие провода не идут, он механический. Так вот и мне надо снять панель, радиатор, и открутить его и как-то промыть.
У тебя такой же как и у меня этот клапан. Буду снимать может быть на след. недели.
 

Вложения



DimaCultus

Бывает здесь
26 Февраль 2012
76
5
0
43
Еврейская автономная область
Езжу на ...
Suzuki Cultus Crescent 1997 г.в. универсал, 1,6л. G16A бензиновый 107 л.с., кузов GD31W-141073, правый руль.
Я так понимаю на втором фото этот самый клапан и есть?. Я когда свой радиатор кондея чистил то видел такой. Кстати чистил без снятия панели. Правда акробатикой пришлось позаниматься!!!
А что по снятию этого клапана. Я так понимаю он прикручивается только к трубкам а третья сторона глухая и там какая-то проволочка. Он ей что к трубке прикручен?
 

zaz_968

Продвинутый новичок
8 Декабрь 2013
28
0
0
38
Езжу на ...
Suzuki Baleno 1999
Всем здравствуйте.
Купил машину с заведомо не рабочим кондиционером.
Предидущий хозяин заменил компрессор, но подключить его не смог.
Начал разбираться.
Оказалось, что либо чего то не хватает (шлангов-переходников), либо я что-то не понимаю.
Компрессор стоит на своем месте, электрика к нему подключена, но вот шланг который идет из салона (на конце алюминиевый патрубок закручен почти на 180 градусов) ни куда не подключен.
На компрессоре стоит заглушка (обжатый алюминиевый конец с фланцем и сбоку петелька под болт)
Может кто ни будь выложить фото как что подключено
Куда идут шланги и как они подключаются.
Любой информации буду благодарен.
 

zaz_968

Продвинутый новичок
8 Декабрь 2013
28
0
0
38
Езжу на ...
Suzuki Baleno 1999
на култусе так...
Спасибо за ответ
У меня в салон уходит два шланга, один тонкий и алюминиевый, другой в термоизолирующей оплетке из пенополиуретана.
Один идет в осушитель, другой болтается.
Ощущене такое, что не хватает еще какого то шланга-трубки или не правильно что-то подключили
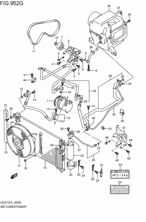
По фоткам становится ясно, что трубку VAP186 он подключил в разъем ближний к шкиву, а трубку VAP 187 вообще не подключил
Тогда еще вопрос, почему разъем дальний от шкива заглушен, т.е. из него торчит обжатый обглодок шланга VAP187.

Нашел на Baleno
Page4.jpg

 
Последнее редактирование модератором:




Леонидус

Наш человек
28 Декабрь 2010
131
10
18
Вологда
Езжу на ...
Сузуки Култус Вагон, 2001, 1.5. + малыш Джимни
трубка вап 186 на схеме № 12, трубка вап 187 на схеме № 40, обжатый обглодок торчит чтобы компрессорное масло не вылилось видимо заглушил
 

zaz_968

Продвинутый новичок
8 Декабрь 2013
28
0
0
38
Езжу на ...
Suzuki Baleno 1999
трубка вап 186 на схеме № 12, трубка вап 187 на схеме № 40, обжатый обглодок торчит чтобы компрессорное масло не вылилось видимо заглушил
Значит я смело снимаю заглушку и подключаю шланги согласно схемы?
Что можно придумать с прокладкам (уплотнительными кольцами)?
Можно ли их аккуратно обработать герметиком или искать где то новые? От АвтоТАЗа подходят какие ни будь прокладки?
 

Леонидус

Наш человек
28 Декабрь 2010
131
10
18
Вологда
Езжу на ...
Сузуки Култус Вагон, 2001, 1.5. + малыш Джимни
думаю можно снять и подключить согласно схеме. главно уровень масла проверь. и заправить забудь. всеравно ехать к спецам-заправлять то не сам будешь. они проверят еще раз правильность. колечки резиновые я например подбираю в запчастях от таркторов, автотаз тоже катит, есть универсальные магазы с автокрепежом итд..
 



Леонидус

Наш человек
28 Декабрь 2010
131
10
18
Вологда
Езжу на ...
Сузуки Култус Вагон, 2001, 1.5. + малыш Джимни
блин кондик заправлять надо. ты когда трубки выкрутил разве фреон не вышел?
 

zaz_968

Продвинутый новичок
8 Декабрь 2013
28
0
0
38
Езжу на ...
Suzuki Baleno 1999
блин кондик заправлять надо. ты когда трубки выкрутил разве фреон не вышел?
Мне уже с открученными трубками достался.
Скорее всего компрессор меняли и не смогли подключить шланги.
 

Леонидус

Наш человек
28 Декабрь 2010
131
10
18
Вологда
Езжу на ...
Сузуки Култус Вагон, 2001, 1.5. + малыш Джимни
ну раз трубки откручены то давления с хладогентом в системе нет. подключишь все трубки по схеме, колечки желательно новые ставить, на штуцера которые к компрессору подходят колечки тоже новые желательно, смазать маслом и в чистом виде поставить(прикрутить). потом будешь заправлять тебе там спецы по идее масло должны залить с заправкой вместе заливают компрессорное масло с подсветкой(ну типа, чтоб видеть утечки на будущее) грам 50 вроде. все что могу сказать по этому вопросу.
 

Леонидус

Наш человек
28 Декабрь 2010
131
10
18
Вологда
Езжу на ...
Сузуки Култус Вагон, 2001, 1.5. + малыш Джимни
компрессор проверь на наличие люфта шкива, и посмотри проводок контакта на муфту чтоб не поврежден был.
 

zaz_968

Продвинутый новичок
8 Декабрь 2013
28
0
0
38
Езжу на ...
Suzuki Baleno 1999
компрессор проверь на наличие люфта шкива, и посмотри проводок контакта на муфту чтоб не поврежден был.
Проводок был оборван, уже припаял.
Люфта нет, закусываний тоже.
Спасибо за советы. Думаю разберусь.
 





Alexpe1

Опытный сузуковод
5 Июль 2007
963
40
28
47
Ижевск
Езжу на ...
Suzuki Cultus Wagon 1998, G15, резина лето была 205\50 r15( c японии), 195\55 r15 - сейчас 195\60 r15, зима 185\70 r14, задние пружины suplex 12043, заменены на 54630-25050 HYUNDAI/KIA. Мечта Toyota Estima Gibrid, или подобный минивен

DimaSar

Редкий гость
31 Январь 2012
10
0
0
Барнаул
Езжу на ...
Suzuki Cultus FX 2000 г.в.G15A.
Здравствуйте! Может кто подскажет, проблема такая: на култусе 2000 г.в. с климат-контролем перестало меняться направление потока воздуха. Причина - вышел из строя регулятор направления. Их два, один отвечает за направление потока, другой - за температуру. Поиск по разборкам ничего не дал - нет такого и не предвидится. Судя по электронному каталогу его номер 95653-64G20. Под заказ новый стоит дорого, я бы заказал, но 100% уверенности в том, что номер по каталогу совпадает с тем, что мне нужно - нет. Может кто-нибудь покупал, развеет мои сомнения. Фотку вышедшего из строя регулятора прилагаю.
Между прочим, этот же регулятор влияет на включение кондиционера. Если у кого-то климат-контроль и при включении кондиционера воздух не охлаждается и не загораются пиктограммы направления потока - проверьте этот блок.
 

Вложения

Alexpe1

Опытный сузуковод
5 Июль 2007
963
40
28
47
Ижевск
Езжу на ...
Suzuki Cultus Wagon 1998, G15, резина лето была 205\50 r15( c японии), 195\55 r15 - сейчас 195\60 r15, зима 185\70 r14, задние пружины suplex 12043, заменены на 54630-25050 HYUNDAI/KIA. Мечта Toyota Estima Gibrid, или подобный минивен
DimaSar, блок сдох который на фото, а чего там внутри, моторчик?[DOUBLEPOST=1460486655,1460486293][/DOUBLEPOST]на разборках должен быть, его обычно не спрашивают, у Чакиста спросите[DOUBLEPOST=1460487135][/DOUBLEPOST]это моторчик заслонок, сервопривод в других местах[DOUBLEPOST=1460487853][/DOUBLEPOST]там ломаться особо не чему, вскройте посмотрите[DOUBLEPOST=1460490877][/DOUBLEPOST]http://partsib.info/suzuki/escudo/s...a52w-ta02w-td02w-j20a-g16a-2002-000056831o20/ почти такой же , крепления одного нету
 
Последнее редактирование модератором:

DimaSar

Редкий гость
31 Январь 2012
10
0
0
Барнаул
Езжу на ...
Suzuki Cultus FX 2000 г.в.G15A.
Вы правы - это привод заслонок. Рассыпались пластмассовые шестерни, видимо от времени материал высох, а сам моторчик работает. Но такого на разборках в Барнауле нет, ищу уже второй год... Под заказ такое тоже не возят, поэтому готов купить новый, но боюсь пролететь с заказом. Поэтому прошу помочь: правильно ли я определил номер в каталоге. Если что у меня култус GC21S-200413.
 

Alexpe1

Опытный сузуковод
5 Июль 2007
963
40
28
47
Ижевск
Езжу на ...
Suzuki Cultus Wagon 1998, G15, резина лето была 205\50 r15( c японии), 195\55 r15 - сейчас 195\60 r15, зима 185\70 r14, задние пружины suplex 12043, заменены на 54630-25050 HYUNDAI/KIA. Мечта Toyota Estima Gibrid, или подобный минивен
Дим номер вроде тот, но визуально подтвердить, пока не выходит. Вот таких полно, и zexel крепление поводка вроде как у Вас 52e51b12.jpg , а вот ещё такой есть крепление такое же, но сам привод , поводок крепится по другому 7b11dc8e.jpg . По стоимости от 500 рублей[DOUBLEPOST=1460608751,1460608207][/DOUBLEPOST]а старая шестерёнка, что совсем кирдыкнулась, собрать остатки, выдавить в пластилине, и залить эпоксидкой с наполнителём, или выточить на станке из капролона.[DOUBLEPOST=1460609060][/DOUBLEPOST]http://suzuki.epcdata.ru/cultus_crescent/115_gc21s-5/interior/741/?full&picture=1 на схеме ваш где стоит, их два, заслонки, и регулятор температуры
 


Canibal_racing

Бывает здесь
3 Июнь 2014
55
4
0
42
Езжу на ...
SUZUKI CULTUS Двигатель G15A,16 клапанов с одним распредвалом,Коробка автомат(гидротрансформатор) AISIN 60-40 SN
Подскажите кто ремонтировал компрессор кондиционера,куда подключаются 2 проводка от переключателя № 8 (артикул 9552770CL0).Если я не ошибаюсь один должен идти к электромагнитной муфте № 1?Мне досталась машина с неработающим кондиционером,провода от переключателя № 8 были оборваны под корень.Автомобиль сузуки култус 1998 года (gc21s-161502).
 

Вложения

Alexpe1

Опытный сузуковод
5 Июль 2007
963
40
28
47
Ижевск
Езжу на ...
Suzuki Cultus Wagon 1998, G15, резина лето была 205\50 r15( c японии), 195\55 r15 - сейчас 195\60 r15, зима 185\70 r14, задние пружины suplex 12043, заменены на 54630-25050 HYUNDAI/KIA. Мечта Toyota Estima Gibrid, или подобный минивен
Canibal_racing, извини добрался до ящика только сегодня, и так , провод идёт из того же жгута что, провода на лямду, датчик давления масла, проводок на гур, у меня он чёрный с жёлтой полоской, идёт в кондишинен, там толи параллельно толи как, не разабирался, идёт в две точки на нём IMG_5083.JPG IMG_5084.JPG , зашёл в оно место и вышел от туда же на другую точку
 

Canibal_racing

Бывает здесь
3 Июнь 2014
55
4
0
42
Езжу на ...
SUZUKI CULTUS Двигатель G15A,16 клапанов с одним распредвалом,Коробка автомат(гидротрансформатор) AISIN 60-40 SN
огромное спасибо Алексей видимо с этого провода идет перемычка на муфту она у меня похоже оборвана буду заказывать переключатель
 

Alexpe1

Опытный сузуковод
5 Июль 2007
963
40
28
47
Ижевск
Езжу на ...
Suzuki Cultus Wagon 1998, G15, резина лето была 205\50 r15( c японии), 195\55 r15 - сейчас 195\60 r15, зима 185\70 r14, задние пружины suplex 12043, заменены на 54630-25050 HYUNDAI/KIA. Мечта Toyota Estima Gibrid, или подобный минивен
))) Александр я, уж ка 37 годов
 

Canibal_racing

Бывает здесь
3 Июнь 2014
55
4
0
42
Езжу на ...
SUZUKI CULTUS Двигатель G15A,16 клапанов с одним распредвалом,Коробка автомат(гидротрансформатор) AISIN 60-40 SN
Извини Александр