Фары дневного света (DRL - Day Running Lights)

shariot1972

Местный
24 Ноябрь 2013
287
113
0
53
Екактеринбург
Езжу на ...
сузуки лиана, 2005 г.в., дв 1,6., седан, 106 л/с. Екатеринбург.


shariot1972

Местный
24 Ноябрь 2013
287
113
0
53
Екактеринбург
Езжу на ...
сузуки лиана, 2005 г.в., дв 1,6., седан, 106 л/с. Екатеринбург.
Не наш случай, лампы-то Н11 в наличии бы найти.:D
Ну почему не наш..переделка у меня не много времени заняла, ради этого даже пришлось пожертвовать целыми лампами, сгоревших не было под рукой.. :)
 

shariot1972

Местный
24 Ноябрь 2013
287
113
0
53
Екактеринбург
Езжу на ...
сузуки лиана, 2005 г.в., дв 1,6., седан, 106 л/с. Екатеринбург.


niral

Опытный лиановод
19 Март 2012
5,086
2,049
113
50
Санкт Петербург, Вышний Волочек
Езжу на ...
SUZUKI SX4 S Cross 1,4 boosterjet, 2 WD, 2019

shariot1972

Местный
24 Ноябрь 2013
287
113
0
53
Екактеринбург
Езжу на ...
сузуки лиана, 2005 г.в., дв 1,6., седан, 106 л/с. Екатеринбург.
  • Нравится
Реакции: 1 человек

Snuik

Опытный сузуковод
8 Ноябрь 2007
806
172
0
Обнинск
Езжу на ...
Suzuki Liana sedan 1.6 16V 4x4 2007г синий
Дак говорю же не видно не черта..:)
Потому что свет идет не на дорогу, я повсюду. Из-за чего можно хорошо засадить в глаза встречным машинам. Если стоя перед машиной вы видите свет от фары ярче, значит и ночью встречным будет в глаза доставаться больше света. По ГОСТу ДХО должны отключаться с включением ближнего света.
А по поводу не слепит т.к. не моргают - есть ГОСТ, которые строго регламентирует количество света выше свето-теневой границы. Ксенон и светодиод из фар для галогенок в него не попадет.
 




niral

Опытный лиановод
19 Март 2012
5,086
2,049
113
50
Санкт Петербург, Вышний Волочек
Езжу на ...
SUZUKI SX4 S Cross 1,4 boosterjet, 2 WD, 2019
  • Нравится
Реакции: 1 человек

shariot1972

Местный
24 Ноябрь 2013
287
113
0
53
Екактеринбург
Езжу на ...
сузуки лиана, 2005 г.в., дв 1,6., седан, 106 л/с. Екатеринбург.
Потому что свет идет не на дорогу, я повсюду. Из-за чего можно хорошо засадить в глаза встречным машинам.
А по поводу не слепит т.к. не моргают - есть ГОСТ, которые строго регламентирует количество света выше свето-теневой границы. Ксенон и светодиод из фар для галогенок в него не попадет.
Переведи.. :) Слеплю я или не слеплю? Эти, так называемые дхо, я могу выключить ночью, так как толку от них нет. Так что при каких условиях они должны выключаться, в данном случае не имеет значения.
 
Последнее редактирование модератором:

Snuik

Опытный сузуковод
8 Ноябрь 2007
806
172
0
Обнинск
Езжу на ...
Suzuki Liana sedan 1.6 16V 4x4 2007г синий
Переведи.. :) Слеплю я или не слеплю? Эти, так называемые дхо, я могу выключить ночью, так как толку от них нет. Так что при каких условиях они должны выключаться, в данном случае не имеет значения.
Вот Государственный стандарт РФ ГОСТ Р 41.48-2004
6.19 Дневной ходовой огонь
6.19.1 Установка
Факультативна на автомобилях. Запрещена на прицепах.
6.19.2 Число
Два.
6.19.3 Схема монтажа
Специальных предписаний нет.
6.19.4 Размещение
6.19.4.1 По ширине - точка поверхности, видимой в направлении исходной оси, наиболее удаленная от средней продольной плоскости транспортного средства, должна находиться на расстоянии не более 400 мм от края габаритной ширины транспортного средства.
Расстояние между внутренними краями двух видимых поверхностей должно быть не менее 600 мм. Это расстояние может быть уменьшено до 400 мм, если габаритная ширина транспортного средства составляет менее 1300 мм.
6.19.4.2 По высоте - на расстоянии от 250 до 1500 мм над уровнем грунта.
6.19.4.3 По длине - на передней части транспортного средства. Это требование считают выполненным, если излучаемый свет не мешает водителю непосредственно или косвенно в результате отражения зеркалами заднего вида и/или другими отражающими поверхностями транспортного средства.
6.19.5 Геометрическая видимость
Горизонтальный угол бета = 20° наружу и внутрь.
Вертикальный угол альфа = 10° вверх и вниз от горизонтали.
6.19.6 Направление
Вперед.
6.19.7 Функциональная электрическая схема
В случае их установки дневные ходовые огни должны включаться автоматически, когда приведен в положение "включено" орган управления запуском/остановом двигателя. Должна быть обеспечена возможность приведения в действие и отключения функционирования автоматического включения дневных ходовых огней без помощи инструмента.
Дневные ходовые огни должны выключаться автоматически, когда включаются головные фары, за исключением тех случаев, когда головные фары включаются на короткий промежуток времени для сигнализации участникам движения.
6.19.8 Контрольный сигнал
Факультативен в виде замкнутого контура.
6.19.9 Прочие предписания
Нет.
Я прошу о том, что бы ДХО люди отключали ночью. Например я даже нормальные противотуманки отключаю ночью, т.к. толку от них мало, а неудобство встречным доставляют.
 

niral

Опытный лиановод
19 Март 2012
5,086
2,049
113
50
Санкт Петербург, Вышний Волочек
Езжу на ...
SUZUKI SX4 S Cross 1,4 boosterjet, 2 WD, 2019
Например я даже нормальные противотуманки отключаю ночью, т.к. толку от них мало, а неудобство встречным доставляют.
Про неудобства не знаю, а толк очень даже есть, к тому же на Лиане спереди не противотуманки, а доп фары, другое дело как отрегулированы.
 

Snuik

Опытный сузуковод
8 Ноябрь 2007
806
172
0
Обнинск
Езжу на ...
Suzuki Liana sedan 1.6 16V 4x4 2007г синий
Про неудобства не знаю, а толк очень даже есть, к тому же на Лиане спереди не противотуманки, а доп фары, другое дело как отрегулированы.
Поставил осрам найт брейкер в основные фары. От этих противотуманок толку дальше 5 метров нет. А на скорости 60км в час 5 метров ой как мало.
 



niral

Опытный лиановод
19 Март 2012
5,086
2,049
113
50
Санкт Петербург, Вышний Волочек
Езжу на ...
SUZUKI SX4 S Cross 1,4 boosterjet, 2 WD, 2019
Поставил осрам найт брейкер в основные фары. От этих противотуманок толку дальше 5 метров нет. А на скорости 60км в час 5 метров ой как мало.
Подсветка с боков очень помогает, когда погода плохая, у меня Които стоят в основных, но на осень доп фары оборудую хорошими галогенами. Дороги у нас не освещаются или плохо освещаются.
 

niral

Опытный лиановод
19 Март 2012
5,086
2,049
113
50
Санкт Петербург, Вышний Волочек
Езжу на ...
SUZUKI SX4 S Cross 1,4 boosterjet, 2 WD, 2019

amigos

Эксперт
28 Июль 2008
3,094
562
113
46
Дубна Московская область
Езжу на ...
Suzuki Baleno Wagon 1,6 4WD 2001 SY416-5 (Blue Metallic), Isuzu Amigo '93 4ze1
Про неудобства не знаю, а толк очень даже есть, к тому же на Лиане спереди не противотуманки, а доп фары, другое дело как отрегулированы.
Насколько знаю что внизу у нас всеже именно ПТФ, у фар снизу это основное назначение. Их можно отрегулировать, но все-равно "слепят". Поэтому запрещено включать ПТФ без фар головного света, у нас и не получится ПТФ без фар включить - подрулевой выключатель не даст. А в дуэте с фарами не так сильно слепит.

ДХО должны автоматически отключатся после включения уже габаритов и фар, поэтому они и называются ДНЕВНЫЕ ходовые огни.
 

niral

Опытный лиановод
19 Март 2012
5,086
2,049
113
50
Санкт Петербург, Вышний Волочек
Езжу на ...
SUZUKI SX4 S Cross 1,4 boosterjet, 2 WD, 2019
у нас и не получится ПТФ без фар включить - подрулевой выключатель не даст
У меня получится, ПТФ включаются при включении Габаритов, фары (ближний) при этом выключены.
 

Змей Потапыч

Одуванчик!
Супермодератор
27 Март 2006
3,616
916
113
67
Москва
Езжу на ...
SX-4 NEW
Поэтому запрещено включать ПТФ без фар головного света
Неверно. Без габаритов.


не получится ПТФ без фар включить
Прекрасно все включается. Не получится включить задний ПТФ.
ПДД
19.4. Противотуманные фары могут использоваться:
в условиях недостаточной видимости с ближним или дальним светом фар;
в темное время суток на неосвещенных участках дорог совместно с ближним или дальним светом фар;

вместо ближнего света фар в соответствии с пунктом 19.5 Правил.

19.5. В светлое время суток на всех движущихся транспортных средствах с целью их обозначения должны включаться фары ближнего света или дневные ходовые огни.
 
  • Нравится
Реакции: 2 человек





niral

Опытный лиановод
19 Март 2012
5,086
2,049
113
50
Санкт Петербург, Вышний Волочек
Езжу на ...
SUZUKI SX4 S Cross 1,4 boosterjet, 2 WD, 2019
Может на дорестайле по другому, надо перепроверить.
У вас 06 год, значит рестайл, у меня тоже рестайл, только двигатель 106 коней
С 2004 по салону отличий не было, только двигатель и задние фонари.
Пока не требуется доп подсветки в темное время,меня диоды вполне как ДХО устраивают.
 
Последнее редактирование модератором:

shariot1972

Местный
24 Ноябрь 2013
287
113
0
53
Екактеринбург
Езжу на ...
сузуки лиана, 2005 г.в., дв 1,6., седан, 106 л/с. Екатеринбург.


amigos

Эксперт
28 Июль 2008
3,094
562
113
46
Дубна Московская область
Езжу на ...
Suzuki Baleno Wagon 1,6 4WD 2001 SY416-5 (Blue Metallic), Isuzu Amigo '93 4ze1
Поэтому запрещено включать ПТФ без фар головного света
Неверно. Без габаритов.
Значит память моя старая стала. Соглашусь. Кстати так и реализовала Сузуки на Лиане (рестайл): при включенной кнопке ПТФ, они светить не будут пока не будет включен габарит. Кстати что очень удобно если ПТФ постоянно включены, при выключении света они гаснут, а при включении снова загораются. На предыдущей машине отдельным тумблером сделал предыдущий владелец, забудешь на ночь выключить, к утру АКБ без заряда.


не получится ПТФ без фар включить
Прекрасно все включается. Не получится включить задний ПТФ.
Повторюсь/поправлюсь, в стоке на рестайле без включенных габаритов или фар головного света передние ПТФки не загорятся.
Задний ПТФ можно включить только при включенном головном свете, на габарите не дает включить. Но как ни странно при переключении с головного света на габарит задний ПТФ не выключается, а вот при переключении с габаритов в положение "OFF" отщелкивается селектор задних ПТФ в режим "OFF"
ПРОВЕРЯЛ

Кто такое сказал? :) 15 мин на доработку, и все получится.
:) Главное что бы потом после доработки боком не вышло - я к тому что бы АКБ не посадило и не сажало
 
  • Нравится
Реакции: 1 человек

shariot1972

Местный
24 Ноябрь 2013
287
113
0
53
Екактеринбург
Езжу на ...
сузуки лиана, 2005 г.в., дв 1,6., седан, 106 л/с. Екатеринбург.
:) Главное что бы потом после доработки боком не вышло - я к тому что бы АКБ не посадило и не сажало
Не, не садит. Питание же идет только когда зажигание включаешь, то есть когда приборная панель загорит.
 

emb

Продвинутый новичок
11 Май 2012
37
6
0
Железнодорожный
Езжу на ...
HONDA JAZZ ELEGANCE CVT 2008
SUZUKI LIANA HB 4WD AT 2005
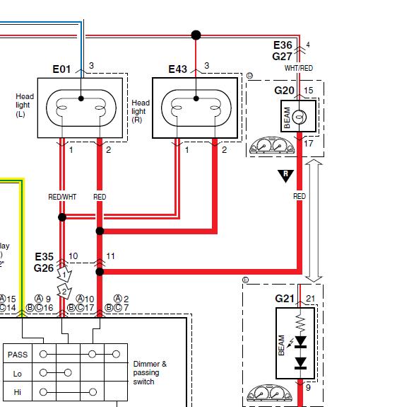
к лампе H4 (фара головного света) подходят 3 провода: белый, красно-белый и красный, кто знает, который из них ближний свет?

P.S. liana 2005 г
 

Snuik

Опытный сузуковод
8 Ноябрь 2007
806
172
0
Обнинск
Езжу на ...
Suzuki Liana sedan 1.6 16V 4x4 2007г синий
При установке дальних фар выяснил, что включение света регулируется землей. Т.е. на одном проводе подвод плюса, а включение ближнего получается замыканием верхнего провода на землю, дальнего - бокового провода. Т.е. в не горящем режиме на всех 3 проводах плюс