Дневные ходовые огни.

Victor23

Профи
23 Апрель 2007
2,335
360
0
54
Нечерноземье
Езжу на ...
Suzuki Liana 2005 1.6 4AT 4WD продана
а я щас в габариты вставил супер яркие светодиоды, светит на ура)) в дальнейшем их подключю через мотор, как заводишь, будут загораться, а все остально, ну приборка и задние габариты не горят
и разве это будет ДХО???
 


Vertolet2013

Осваивающийся
10 Март 2013
20
0
0
42
Езжу на ...
Suzuki Ignis 2007г. Цвет серебристый. 1,5л. АТ, левый руль.
за ДХО сойдеьт на раз два. посмотри на новые многие авто, ведь у них так и есть, с завода в фарах диоды и все гуд)) можно еще и вместо них туманки подсоединить, но зачем будут все время работать, уменьшая ресурс ламп, увеличивая нагрузгу на генератор, или ставить дополнительные фары и тому подобное. у меня в предидущем авто стоял бортовой комп, сам ставил, так он показывал падение напряжения при включении просто туманок (у меня там они были подключены как ДХО), и расход при холостых поднимался на 100 грам. не значительно но все же. ведь смысл ДХО обозначить авто светом, ярким. у нас в городе такое хляет))
 

Vertolet2013

Осваивающийся
10 Март 2013
20
0
0
42
Езжу на ...
Suzuki Ignis 2007г. Цвет серебристый. 1,5л. АТ, левый руль.
какие проблемы? все знают что техосмотры покупаються. ради бога, кому каиф замарочиться с допфарами, дхо, схемамми, и все такое, вперед, удачи))
 


Дмитр

Старожил
26 Декабрь 2006
5,529
1,126
113
Щелково
Езжу на ...
Suzuki Ignis, Renault Twingo
Стоять на неосвещенной обочине с выключенным двигателем и в настоящее время и ранее.
 
  • Нравится
Реакции: 1 человек

Crazy Rebel

Местный
22 Январь 2013
433
41
28
52
Казань
Езжу на ...
Suzuki Vitara GL+ 2016
Стоять на неосвещенной обочине с выключенным двигателем и в настоящее время и ранее.
Так то оно так, но только так давно уже никто не делает, боятся аккумулятор посадить.
 




Crazy Rebel

Местный
22 Январь 2013
433
41
28
52
Казань
Езжу на ...
Suzuki Vitara GL+ 2016
Не боятся что в них прилетит лётчик-любитель гонять по обочинам. "На Руси, слава Богу, дураков лет на сто припасено." (с) Даль В.И.
Ну так Вы же прекрасно понимаете, что от них не спасут ни габариты, ни знаки аварийной остановки, ни фальшфейеры (которыми в Японии обязательно укомплектовываются все автомобили) ни разложенные костры и может не помьчь даже скорострельная зенитная установка.

Но вот что меня еще смущает. В тех автомобиля что были и есть у меня (то есть спроектированных до 2003 года) включенные габариты горят всегда, что и является проблемой для многих, а в современных при вынимании ключа из гнезда гаснут спустя пару минут, видимо разработчики уже решили что современные автомобили уже не надо обозначать на неосвещенной обочине.
 

Crazy Rebel

Местный
22 Январь 2013
433
41
28
52
Казань
Езжу на ...
Suzuki Vitara GL+ 2016
Поскольку у меня самого их нет говорю со слов дяди (не постороннено а моего родного) Шевроле лачети, Опель корса, Шкода октавия. Могу еще отца попросить проверить так ли это на его новом солярисе. Правда возможно что это функция заложена не конструкторами автомобиля, а конструкторами сигнализаций.
 

Дмитр

Старожил
26 Декабрь 2006
5,529
1,126
113
Щелково
Езжу на ...
Suzuki Ignis, Renault Twingo
Октавия жила, а Корса сейчас живет на моих глазах (у двоюродного брата). Не замечал за ними такого, спрошу по возможности.
возможно что это функция заложена не конструкторами автомобиля, а конструкторами сигнализаций.
Действительно возможна завязка сигнализаций на габариты. Есть такая функция подсветки дороги. Габариты зажигаются каждый раз при снятии или постановке на охрану, но не на 2 мин , а на 30 сек. Чтобы водитель подходя к машине мог разглядеть лужи.
Но погасить оставленные тобой включенные габариты сигнализация не сможет, такой функции нет.
 

Дмитр

Старожил
26 Декабрь 2006
5,529
1,126
113
Щелково
Езжу на ...
Suzuki Ignis, Renault Twingo
(у двоюродного брата),спрошу по возможности.
Спросил.
На Корсе дело обстоит так.
Если у тебя переключатель стоит всё время в положении габариты или фары, то свет зажигается и гаснет каждый раз когда ты вставляешь-вынимаешь ключ. Это для забывчивых.
Но если ключа в замке нет и ты в этот момент включишь выключателем габариты, то независимо от ключа габариты будут гореть сколько угодно пока ты их сам же не выключишь выключателем. Это для стояния на темной обочине пока ты сбегаешь в лесок пописать.
На Октавии он не помнит такого сервиса.
 



Crazy Rebel

Местный
22 Январь 2013
433
41
28
52
Казань
Езжу на ...
Suzuki Vitara GL+ 2016
Это для стояния на темной обочине пока ты сбегаешь в лесок пописать.
А в чем будет проблема если передние габаритные огни будут превращены в дневные ходовые огни, путем установки несколько более ярко светящих светодиодных ламп? Они станут хуже машину на обочине обозначать?
 

Дмитр

Старожил
26 Декабрь 2006
5,529
1,126
113
Щелково
Езжу на ...
Suzuki Ignis, Renault Twingo
А в чем будет проблема если передние габаритные огни будут превращены в дневные ходовые огни, путем установки несколько более ярко светящих светодиодных ламп? Они станут хуже машину на обочине обозначать?
Мне может и понравятся твои габариты - ДХО. Но ты ж хотел сделать чтоб они работали только с включенным зажиганием.
И второй момент. В правилх написано: при движении должны быть включены ДХО, а если они не предусмотрены конструкцией авто, то ближний свет фар.
На стационарных постах гаишникам очень скучно, нет нарушений в пределах видимости, а надо.
Вот остановит он тебя и спросит. Это у тебя чего горит? Что бы ты не ответил, ты нарушил.
Штатных ДХО у тебя нет.
Яркость габаритов не соответствует ГОСТу, переоборудование штатных световых приборов.
Ближний свет ты не включил.
И он не возьмет с тебя денег (копейки), а протокол, это галочка.
 

Crazy Rebel

Местный
22 Январь 2013
433
41
28
52
Казань
Езжу на ...
Suzuki Vitara GL+ 2016
Мне может и понравятся твои габариты - ДХО. Но ты ж хотел сделать чтоб они работали только с включенным зажиганием.
Не я. Я просто спросил в чем Вы видите необходимость габаритов в настоящее время.

И второй момент. В правилх написано: при движении должны быть включены ДХО, а если они не предусмотрены конструкцией авто, то ближний свет фар.
Или противотуманки... так что это единственная законная возможность сделать ДХО на Игнисе. А вообще Вы меня убедили, не факт что ко мне будут придираться, но зачем лишний повод то давать.
 

Дмитр

Старожил
26 Декабрь 2006
5,529
1,126
113
Щелково
Езжу на ...
Suzuki Ignis, Renault Twingo
это единственная законная возможность сделать ДХО на Игнисе.
Когда принимали закон о ДХО вроде обещали что завалят рынок сертефицированными и разрешенными к установке ДХО на авто.
 

Crazy Rebel

Местный
22 Январь 2013
433
41
28
52
Казань
Езжу на ...
Suzuki Vitara GL+ 2016
Когда принимали закон о ДХО вроде обещали что завалят рынок сертефицированными и разрешенными к установке ДХО на авто.
Они обещали, только не сказали когда. А сейчас они думают как бы все это провернуть - типа установил ДХО - меняй ПТС чтоб там была отметка что есть разрешение итд итп.
 





Crazy Rebel

Местный
22 Январь 2013
433
41
28
52
Казань
Езжу на ...
Suzuki Vitara GL+ 2016
А может проще, как с сертифицированными аптечками и огнетушителями?
Может я и пессимист но мне видится другой вариант событий - установка ДХО (в отличие от аптечек и огнетушителей) связана с вмешательством в электрику автомобиля, то есть автоматически считается его переоборудованием, то есть автоматически требует получения разрешения на это дело и регистрации его... Как то так.
 

Дмитр

Старожил
26 Декабрь 2006
5,529
1,126
113
Щелково
Езжу на ...
Suzuki Ignis, Renault Twingo
Буду оптимистичнее. Установка фаркопа с разъемом не требует разешения. Установка "люстры" на джипе, установка купленных на рынке противотуманок тоже.
Ты и сейчас можешь установить любую световую хрень, только не трогай то что сделал завод изготовитель на твоем авто, и не ставь то что тебе запрещено правилами (маячки, ксенон). То есть ты и сейчас можешь поставить купленные в магазине ДХО и расположить их в соответствии с требованиями, против никто не будет, но сочтет ли их гаишник за ДХО?
А может и сочтет.
 

Crazy Rebel

Местный
22 Январь 2013
433
41
28
52
Казань
Езжу на ...
Suzuki Vitara GL+ 2016
То есть ты и сейчас можешь поставить купленные в магазине ДХО и расположить их в соответствии с требованиями, против никто не будет, но сочтет ли их гаишник за ДХО?
А может и сочтет.
Я вообще так понимаю, что проще ближний свет фар в ДХО переделать (то есть сделать так чтобы он автоматически включался при включеннии двигателя и автоматически выключался когда двигатель заглушен) и ни у кого никаких вопросов не возникнет. Но почему вообще возникает идея поставить отдельные ДХО - лампы ближнего света неэкономичные, хочется поберечь и генератор и бензин. Кстати а как гаишники реагируют на замену штатных габаритных ламп на светодиодные?
 

Дмитр

Старожил
26 Декабрь 2006
5,529
1,126
113
Щелково
Езжу на ...
Suzuki Ignis, Renault Twingo
почему вообще возникает идея поставить отдельные ДХО - лампы ближнего света неэкономичные, хочется поберечь и генератор и бензин.
Вот тут я полностью согласен. И не потому что я жмот, а потому что так умнее, рациональнее.
Что бы гаишник на дороге не мог сказать что у меня не включены фары, и при этом снизить нагрузку на лампы и борт.сеть я и делал вот так:https://suzuki-club.ru/threads/37855/#post-785877 Нить лампы горящая в четверть накала практически вечна. За счет того что в каждой фаре горит не только нить ближнего света в четверть накала, но и дальнего, получается 50% от мощности ближнего, но горящая нить дальнего делает фару визуально ярче.
При этом габариты, подсветка номера и приборов не горит.
Проверено на практике. И на дороге гаишник не докопается, и техосмотр я нормально проходил в ГИБДД. И это ещё с учетом того что фары праворульные, откорекктированные мною поворотом лампочки.
Вся переделка на Лапуте заняла 1 час. Всего один дополнительный провод и одна релюшка установленная в районе правой фары. Что бы вернуть всё в зад, достаточно отрезать этот единственный управляющий провод.
 


Crazy Rebel

Местный
22 Январь 2013
433
41
28
52
Казань
Езжу на ...
Suzuki Vitara GL+ 2016
и при этом снизить нагрузку на лампы и борт.сеть я и делал вот так:https://suzuki-club.ru/threads/37855/#post-785877 Нить лампы горящая в четверть накала практически вечна. За счет того что в каждой фаре горит не только нить ближнего света в четверть накала, но и дальнего, получается 50% от мощности ближнего, но горящая нить дальнего делает фару визуально ярче.
Здорово. Чет я этот пост пропустил когда ветку читал видимо потому что картинка там уж больно плохого качества - ничего на ней не разобрать. А можно еще раз поподробнее в каком месте к какому проводу подключаться и какое реле ставить. Я обязательно этим займусь как только станет возможным, потому как эта схема отключает еще и передние и задние габариты и подсветку номера.
 

Дмитр

Старожил
26 Декабрь 2006
5,529
1,126
113
Щелково
Езжу на ...
Suzuki Ignis, Renault Twingo

Crazy Rebel

Местный
22 Январь 2013
433
41
28
52
Казань
Езжу на ...
Suzuki Vitara GL+ 2016
К сожалению точно также. Но при желании чтото понять можно. И спопставить с электрическими схемами из книги ЛегионАвтодата.
Эта схема для дорестайла. Надо проанализировать её под венгра.
И всетаки там любое реле или какая то определённая маркировка должна быть?
 

Дмитр

Старожил
26 Декабрь 2006
5,529
1,126
113
Щелково
Езжу на ...
Suzuki Ignis, Renault Twingo
Надо проанализировать её под венгра.
Схема чуть другая, но практическая реализация отличаться не будет. Теоретически проверено, практически на венгре не проверял.
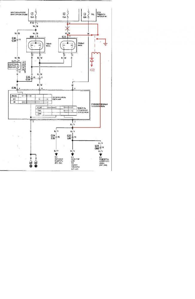
Снять минусовую клемму с аккума.
Мне для реализации было достаточно того что на фото + провод + термоусадка + изолента.
Реле подойдет нашенское самое обычное из магазина жигулевских запчастей, пятиконтактное.
Находим провода идущие от лампы правой фары. Там их три. Белый с красной полосой разрезаем. Оба разрезанных конца оконцовываем клеммами которые оденутся на выводы реле. Клеммы изолируем термоусадкой. Тот конец который идет от лампочки одеваем на 30 вывод реле. Тот конец который ныряет в жгут, одеваем на 87а вывод реле.
Рядом с фарой видим точку заземления на кузове. На болт М6 сходятся провода черного цвета. Нам тоже надо изготовить такой проводок который одним концом оденется на этот болт заземления, а вторым концом на 87 вывод реле.
Находим провод который идет к лампочке правого габарита. Их там два. Нам нужен красный с желтой полосой. Не разрывая его зачищаем изоляцию на участке 1 см. С этого провода надо бросить провод на 86 контакт реле.
На реле остался один свободный вывод 85. Его через диод (катодом к 85 контакту) надо соединить с любой точкой авто, где есть IG2. Диод любой маломощный выпрямительный выпаянный из любой радиотехники с помойки. Провод не толстый, он сигнальный.
Если у вас нет клемм и обжимки, то там где вы будете покупать реле, можно попросить к нему готовую колодку с кусками проводов см по 15.
Реле с колодкой и проводами еще можно купить на рынке где торгуют автосигнализациями и прибамбасами к ним. Там реле будет такое же, только импортное (значит китайское).
Где искать IG2?
Для непродвинутого электрика проще будет найти его на проводах замка зажигания. Это будет желтый провод.
Кто не хочет разбирать кожух рулевой колонки может поискать сине-белый провод питания мотора печки (я подключался сюда) или 34 предохранитель в салоне (не основной блок, а в районе левой ноги)
 

Вложения

Последнее редактирование:
  • Нравится
Реакции: 2 человек

Crazy Rebel

Местный
22 Январь 2013
433
41
28
52
Казань
Езжу на ...
Suzuki Vitara GL+ 2016
Схема чуть другая, но практическая реализация отличаться не будет.
Супер! Обязательно сделаю как только кончится гарантия на машину, да и время как раз подходящее будет.
Огромное спасибо!!!