Электрика Машина не заводится!

Virus812

Продвинутый новичок
2 Август 2009
28
1
0
Санкт-Петербург
Езжу на ...
Suzuki Escudo, G16A, 16v, AT, 3d, 1993
Ответ: Проблема с запуском двигателя

Странно, на других авто есть. По схеме, действительно, нет дополнительных реле.
Ну да ладно, посмотрим прибором.

Прибор показал отсутствие напряжения на клемме "S" стартера.

Принудительная подача напряжения напрямую от АКБ (не перемыкая контаты на стартере) позволяет завести двигатель.

Сигналкой не разрывается цепь стартера (проверил).
 


gorst

Эксперт
11 Январь 2007
4,805
537
0
63
г.Сосновый Бор, Лен.обл.
Ответ: Проблема с запуском двигателя

Тоды только ключ зажигания. Подгорел контакт на стартёр. Глянуть надо, чего он выдаёт прибором.

Помню на старом опеле учудил предыдущий владелец - смазал замок маслом, не жалея видимо, щедро так :). Через какое-то время у меня стало то пускаться, то нет. Разобрал замок зажигания, контакт стартёра был в чёрном масле, подгорел сильно.
 

Virus812

Продвинутый новичок
2 Август 2009
28
1
0
Санкт-Петербург
Езжу на ...
Suzuki Escudo, G16A, 16v, AT, 3d, 1993
Ответ: Проблема с запуском двигателя

Замок в порядке. Да и не может на замок влиять температура двигателя.

Посоветовали мне посмотреть "Датчик положения селектора АКПП (Выключатель запрещения запуска)"
Где он находится (по книге не ясно) и как к нему подлезть?
 

GonZig

Бывает здесь
16 Июль 2009
50
3
0
Санкт-Петербург
Езжу на ...
suzuki vitara 5дв JLX 94г.в. 1.6 16V
Ответ: Проблема с запуском двигателя

Ага, машина с АКПП...
По логике вещей, рычаг выключения запуска двигателя должен находится рядом с тросом селектора. Возможно его будет видно из салона, если снять рычаг селектора. (По аналогии с другими авто)

Скорей всего в механизм рычага селектора и вмонтирован этот концевик. Но на него тоже не должна влиять температура двигателя.(ИМХО)
 

Virus812

Продвинутый новичок
2 Август 2009
28
1
0
Санкт-Петербург
Езжу на ...
Suzuki Escudo, G16A, 16v, AT, 3d, 1993
Ответ: Проблема с запуском двигателя

Посмотрел по книге, похоже, что выключатель находится на конце довольно длинного троса. Значит, где-то не в салоне. Сверху его не видно, а снизу не так-то просто и подлезть.

Прогрев ДВС автоматически ведет к прогреву АКПП, и если рубильник в строен в АКПП, то может быть подвержен влиянию температурного режима.
 


gorst

Эксперт
11 Январь 2007
4,805
537
0
63
г.Сосновый Бор, Лен.обл.
Ответ: Проблема с запуском двигателя

Не, запрет запуска от селектора это просто блокировка ключа зажигания в положении Lock, его не повернуть будет в положение включения стартёра.

Насчёт влияния прогретого движка на ключ конечно оно неявное, но есть, нагревается переборка, печка, плюс воздух гуляет по салону при движении, окисленные (зелёные) или подгоревшие (чёрные) контакты высыхают и плохо контачат.

Если точно нет напруги на проводе стартёра, таки только провод или не контакт ключа зажигания, проверить его напруги в разных положениях совсем не помешает. Достаточно снять пластиковый кожух.

Да, и реле в стартёре всё-таки есть, просто это мощный соленоид, втягивающий штырь, пластина которого и замыкает два пятака в цепи мотора стартёра. Просто у этого реле есть ещё одна, удерживающая обмотка.
 

Virus812

Продвинутый новичок
2 Август 2009
28
1
0
Санкт-Петербург
Езжу на ...
Suzuki Escudo, G16A, 16v, AT, 3d, 1993
Ответ: Проблема с запуском двигателя

По электрической схеме запрет запуска осуществляется электрическим, а не механическим путем. Ключ запирается от поворота механически... Если его провернуть в "ON", затем переключить селектор в любое положение отличное от "Р", то будем наблюдать неблокируемое вращение ключа, при этом напряжение на клемму "S" стартера подаваться не будет. Из этого эксперимента можно сделать вывод, что есть дополнительный электрический разрыв цепи запуска.
 

gorst

Эксперт
11 Январь 2007
4,805
537
0
63
г.Сосновый Бор, Лен.обл.
Ответ: Проблема с запуском двигателя

Да, есть и электрический разрыв, для АКПП сигнал на стартёр идёт через селектор передач, он пропускается только в положениях P и N. На схеме запутано, проще посмотреть на схеме для двухлитровых стр.318 автодатовской книжки. Так что возможен и в селекторе плохой контакт между чёрно-красным и чёрно-жёлтым проводами.
 

vovazhu

Наш человек
26 Ноябрь 2007
152
20
18
Киев Украина
Езжу на ...
Suzuki Sidecick JLX 1995 1,6 16v AКПП
Suzuki NGV 2008 2,4 АКПП 3дв
Ответ: Проблема с запуском двигателя

Да, есть и электрический разрыв, для АКПП сигнал на стартёр идёт через селектор передач, он пропускается только в положениях P и N. На схеме запутано, проще посмотреть на схеме для двухлитровых стр.318 автодатовской книжки. Так что возможен и в селекторе плохой контакт между чёрно-красным и чёрно-жёлтым проводами.
(когда-то описывал уже)
Если АКПП - то возможен вариант непрохождения сигнала
разрешения запуска двигателя в положении селектора "P" "N"
через переключатель на АКПП.
У меня было так - поездишь 1-5 км заглушишь, потом заводить -тишина.
Столько нервов попоротил...
Ждёшь, дёргаешь всё подряд - и потом как подарок - завелась.
Сделал по колхозному:
бросил провод от замка зажигания ( положение "Старт") через МАЗовскую красную
кнопку(поставил на торпеду) на клемму реле стартера.
Теперь если не заводится - ключ повернул и кнопку ТЫЦ!) и поехали

Удачи!
 

Virus812

Продвинутый новичок
2 Август 2009
28
1
0
Санкт-Петербург
Езжу на ...
Suzuki Escudo, G16A, 16v, AT, 3d, 1993
Ответ: Проблема с запуском двигателя

Это я тоже сделал,только через микрик и реле. Но колхоз "не айс", хочется убрать грабли, чтобы все было как надо. Да и дистанционный запуск может не всегда срабатывать. :(
 




gorst

Эксперт
11 Январь 2007
4,805
537
0
63
г.Сосновый Бор, Лен.обл.
Ответ: Проблема с запуском двигателя

Зная высокое качество переключателей у япов (подрулевой перебирал как-то полностью), можно предположить просто износ медной пластинки и недотяг до контакта. У меня так было с поворотником. Дык поменял две однинаковых соседних пластинки и всё отлично заработало. Вряд ли там у Вас в селекторе зелень или подгар, наверно простой износ, советую не полениться и добить. У япов и разборка-сборка продуманы до мелочей, так что ремонт реален, советую только фоткать с разных сторон этапы разборки, чтоб не было лишних деталек :).

Кнопка - хороший способ одним щелчком угробить дорогущую АКПП, если селектор не в P и N. Бывает и шпонки у людей срезает на валах, и зубья крошатся, и т.д.
 

Virus812

Продвинутый новичок
2 Август 2009
28
1
0
Санкт-Петербург
Езжу на ...
Suzuki Escudo, G16A, 16v, AT, 3d, 1993
Ответ: Проблема с запуском двигателя

Кнопка - хороший способ одним щелчком угробить дорогущую АКПП, если селектор не в P и N. Бывает и шпонки у людей срезает на валах, и зубья крошатся, и т.д.
Вот, вот. В том числе, и из-за такой возможности хочется отремонтировать. Где же находится этот датчик? Он, видимо, как Бог: многие про него слышали, но никто не видел. :-(
 

Virus812

Продвинутый новичок
2 Август 2009
28
1
0
Санкт-Петербург
Езжу на ...
Suzuki Escudo, G16A, 16v, AT, 3d, 1993
Ответ: Проблема с запуском двигателя

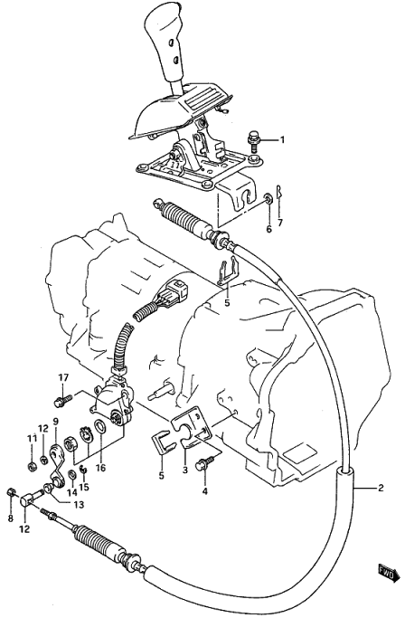
Спасибо за картинку. Откуда она? У меня такой нет в книге. :-(

По этой картинке: механика датчика находится на коробке, а вывод проводов идет к селектору.
 

Shooreg

Sh00reg
12 Март 2007
930
60
0
45
Санкт-Петербург
Езжу на ...
Vitara'92 G16p 16V
Samurai G13A
OFB Y22DTH
Ответ: Проблема с запуском двигателя

Это из сузучьего каталога запчпстей - оччень полезная вещь =)) На ненашем - Suzuki EPC (electronic parts catalog). В инете есть образа (2 CD). Качай либо пиши в личку - за пиво закатаю две болванки )))))))

Вот только эскуд там нет - в моем только европа/америка, хотя узлы и номера запчастей, сам понимаешь, в основном совпадают =))
 



Virus812

Продвинутый новичок
2 Август 2009
28
1
0
Санкт-Петербург
Езжу на ...
Suzuki Escudo, G16A, 16v, AT, 3d, 1993
Ответ: Проблема с запуском двигателя

Это из сузучьего каталога запчпстей - оччень полезная вещь =)) На ненашем - Suzuki EPC (electronic parts catalog). В инете есть образа (2 CD).
Скажи откуда скачать
 

TaLLHousE

Продвинутый новичок
15 Май 2009
38
2
0
48
Красноярск
Езжу на ...
Эскудо, 1990, G16A, ND01W, 5 door
Ответ: Re: Тяжелый пуск холодного двигателя!!!

У меня тоже после покупки Эскудо ( месяц назад) было тоже самое. Вылечил:
Сделано:
1.Замена воздушного и топливного фильтра и свечей NGK.( ощутимо не помогло).
2. Что странно ездил на 95 заводилась со 2 раза (крути стартером хоть 30 секунд, но было достаточно 1-2 секунды прокрутить мотор и со второго раза заводилась вообще супер. Сейчас перешол на 92 - заводиться с первого раза как и положено через 2 секунды работы стартера и выходит на прогревочные.Холостые на прогретом моторе 750-800 об.
3. В промежутках отрегулировал клапана (дела 2 раза т.к. первый раз использовал немного не верный данные впускные 0.15, выпуск 0,20. В другой книге написано что все нужно делать 0.15.
Когда настроил машина стала вести себя лучше, но с первого раза не заводилась. (Вопрос для знающих - все равно слышно небольшой стучок клапанов, особенно когда на непрогретом моторе ехать под нагрузкой. Может слелать 0.1?).
4.долго колдовал над зажиганием. В книге и на наклейке под капотом написано 5 + - 1/800. Когда настроили то стали звенеть палцы в момент ускорения. Далее сам крутил потихонку крышку трамблера по стрелке на нем, т.е. позднил. немного уменьшилась тяга но пальцы молчат.Следовательно или мне неправильно выставили или износ мотора + 95 бензин.

По моему мнению у меня эта прпоблема была в основном из-за нашего 95 т.к. у нас его делают из 92 с добавлением кучи всяких присадок.
Во всех салонах города (по новым иномаркам) рекомендуют заливать только 92. И сам понял что так лучьше на примере 2 машины Ауди 100 в морозы этой зимой на 92 заводилась существенно легче.

Может выше описанное поможет.;)


Ну насчет с 95-го на 92 не удивительно. У 92-го скорость воспламенения больше (время вспышки меньше). Чем больше октан, тем позднее вспышка. Это я как дипломированный механик заявляю ;-)))
 





mushlin

Редкий гость
20 Октябрь 2008
5
0
0
41
Kiev
Езжу на ...
Vitara Cabrio 1991 1,6 G16A
Ответ: HELP!!! не заводится, 1,6 моновпрыск.

Такая же проблема возникла и у меня, вы ее уже решили? Если да подскажите как?:(
 
L

LEKSRED

Guest
Ответ: HELP!!! не заводится, 1,6 моновпрыск.

надо проверить питание с эбу красный желтый крайние в колодке по схеме а-17-18 потом прозвонить саму цепь от блока до форсунки тестером (проверить на обрыв)тк подавая питание напрямую блок управления не участвует. ябился с похожей проблемой год пока мозг не заменил но у меня просто на холодную не заводился
 

gorst

Эксперт
11 Январь 2007
4,805
537
0
63
г.Сосновый Бор, Лен.обл.
Ответ: HELP!!! не заводится, 1,6 моновпрыск.

Не надо бояться вскрыть комп и осмотреть - потёкшие кондёры, перегревы - тёмные пятна. Из-за кондёра за 50р выкидывать комп глупо. Бывает вода попадает и комп взрывается, тогда да.
 

андрей1980

Продвинутый новичок
23 Октябрь 2009
35
1
0
45
москва
Езжу на ...
витара
пуск движка(

всем приветт!!люди добрые сузуководы,помогите!купил машину,проблема следующая: на холодный двигатель заводится с 3-10 раза((((( на горячую заводится с пол тыка, а вчера на горячую не хотела заводиться не схватывал двигатель, искра есть, завелась с 20 раза! что с ней никак не могу понять??????????
 

gorst

Эксперт
11 Январь 2007
4,805
537
0
63
г.Сосновый Бор, Лен.обл.
Ответ: пуск движка(

Всё проверять надо по кругу, причин мног бывает. Топливо проверь, если нет манометра, хотя бы производительность насоса - сними обратку, надёнь трубочку и в банку - должно быть 1-2л в минуту на хх. Свечи проверь, когда не схватывает - сухие или сырые. Если с топливом ок, метки смотреть надо, настройку зажигания, хотя если с 20 раза завелась и всё ок, то метки в норме. Что за движок, напиши в подписи. Как едет, если завелась важно.
 


андрей1980

Продвинутый новичок
23 Октябрь 2009
35
1
0
45
москва
Езжу на ...
витара
Ответ: пуск движка(

движок 1.6 инжектор 16 клапанов,после завода на холодную утром(с 3-8 раза) заводится с пол тыка!свечи новые,машина на ходу ведет себя превосходно(жрет правда11-13литров на сотку эт как намана??)что смотреть в первую очередь??Чешу репу.
 
  • Нравится
Реакции: 1 человек

gorst

Эксперт
11 Январь 2007
4,805
537
0
63
г.Сосновый Бор, Лен.обл.
Ответ: пуск движка(

Дык свечи хотя б да обратку писано же. Должно с первого раза и на холодную и на горячую. Расход 10 как часы на трассе. Похолодало - 11 стало примерно. В городе всегда на 2-3 больше.
 
L

LEKSRED

Guest
Ответ: пуск движка(

не хватает топлива мозг не правильно видит температуру двигателя дает мало топлива а на горячую все нормуль
 

gorst

Эксперт
11 Январь 2007
4,805
537
0
63
г.Сосновый Бор, Лен.обл.
Ответ: пуск движка(

движок 1.6 инжектор 16 клапанов,после завода на холодную утром(с 3-8 раза) заводится с пол тыка!свечи новые,машина на ходу ведет себя превосходно(жрет правда11-13литров на сотку эт как намана??)что смотреть в первую очередь??Чешу репу.
Не, свечи проверить - это выкрутить, когда не пускается и глянуть, сухая или сырая, т.е. подаётся ли топливо и не много ли его подаётся. Новые или нет неважно, топливо проверяется.
 
L

LEKSRED

Guest
Ответ: пуск движка(

попробуй на хлодную немного топлива в цилиндры плеснуть если сразу заведется то точно топлива не хватает.