Есть вот такая инфа...Уважаемые господа, товарищи, коллеги!
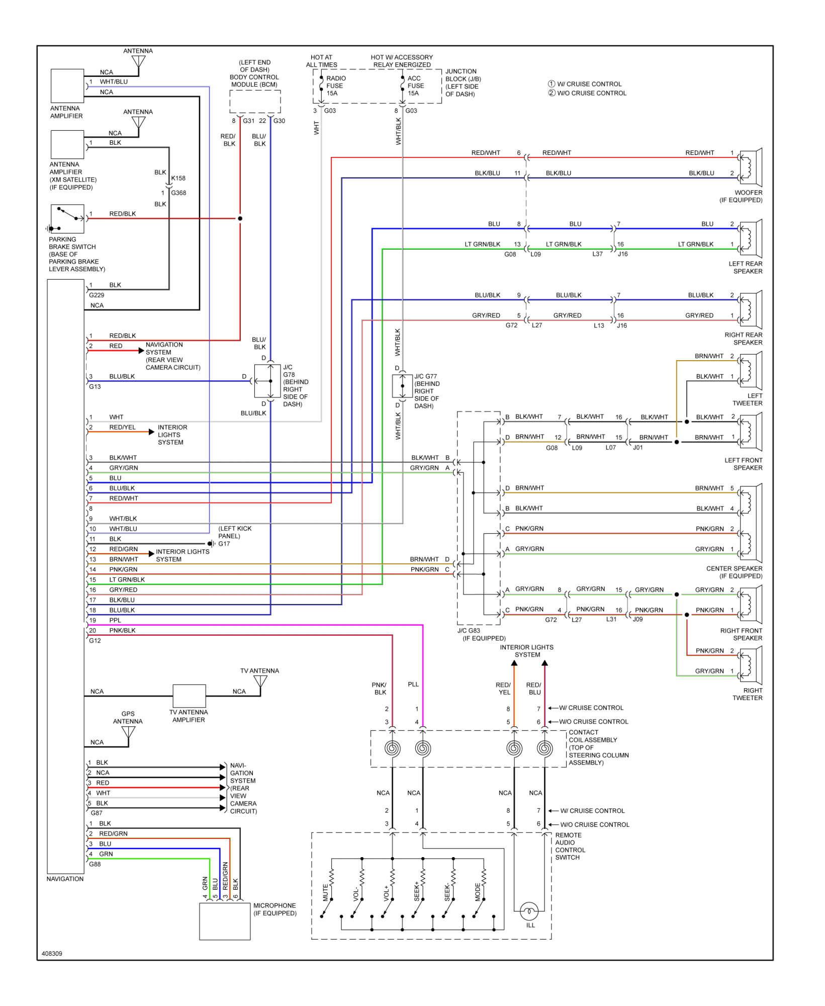
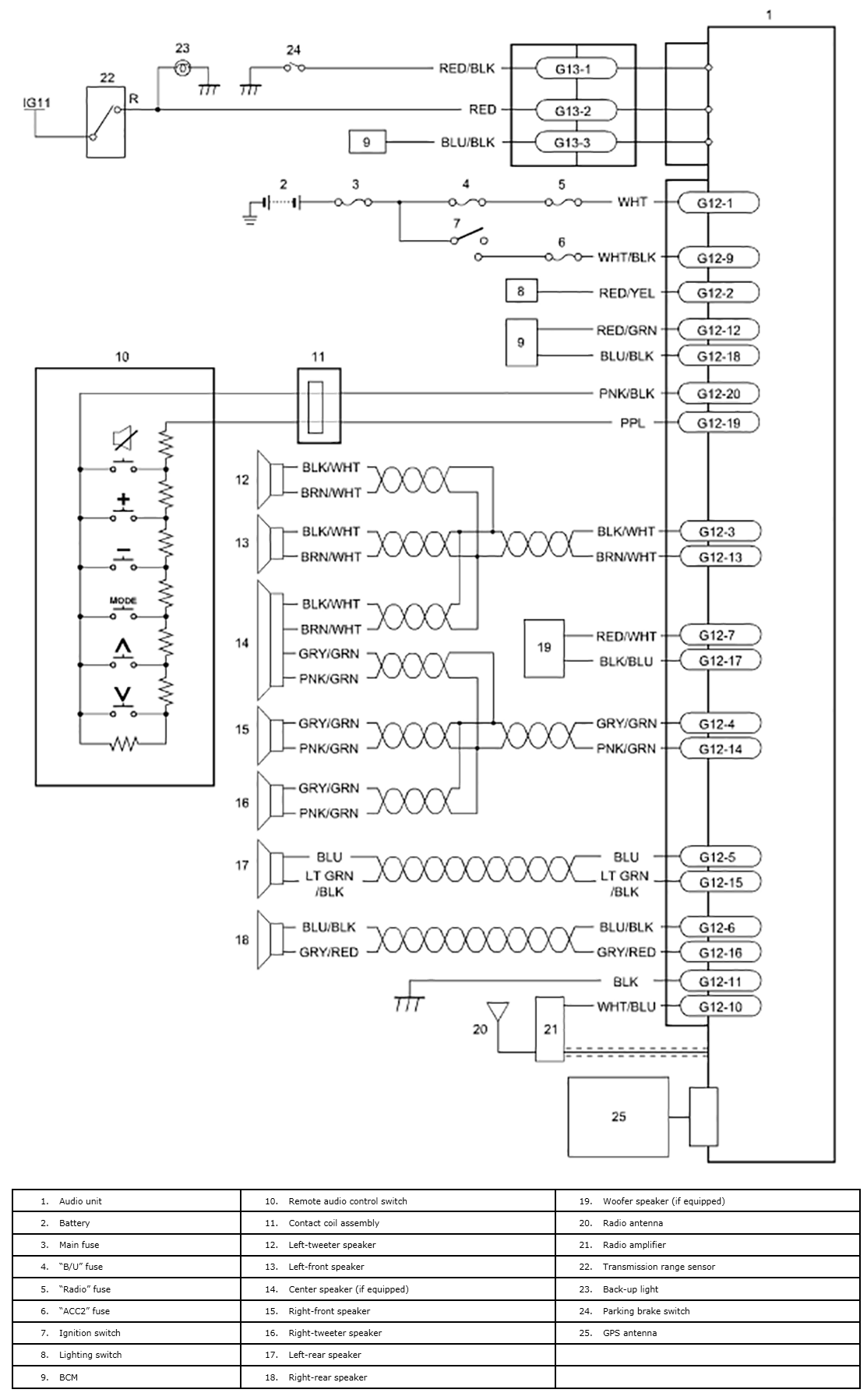
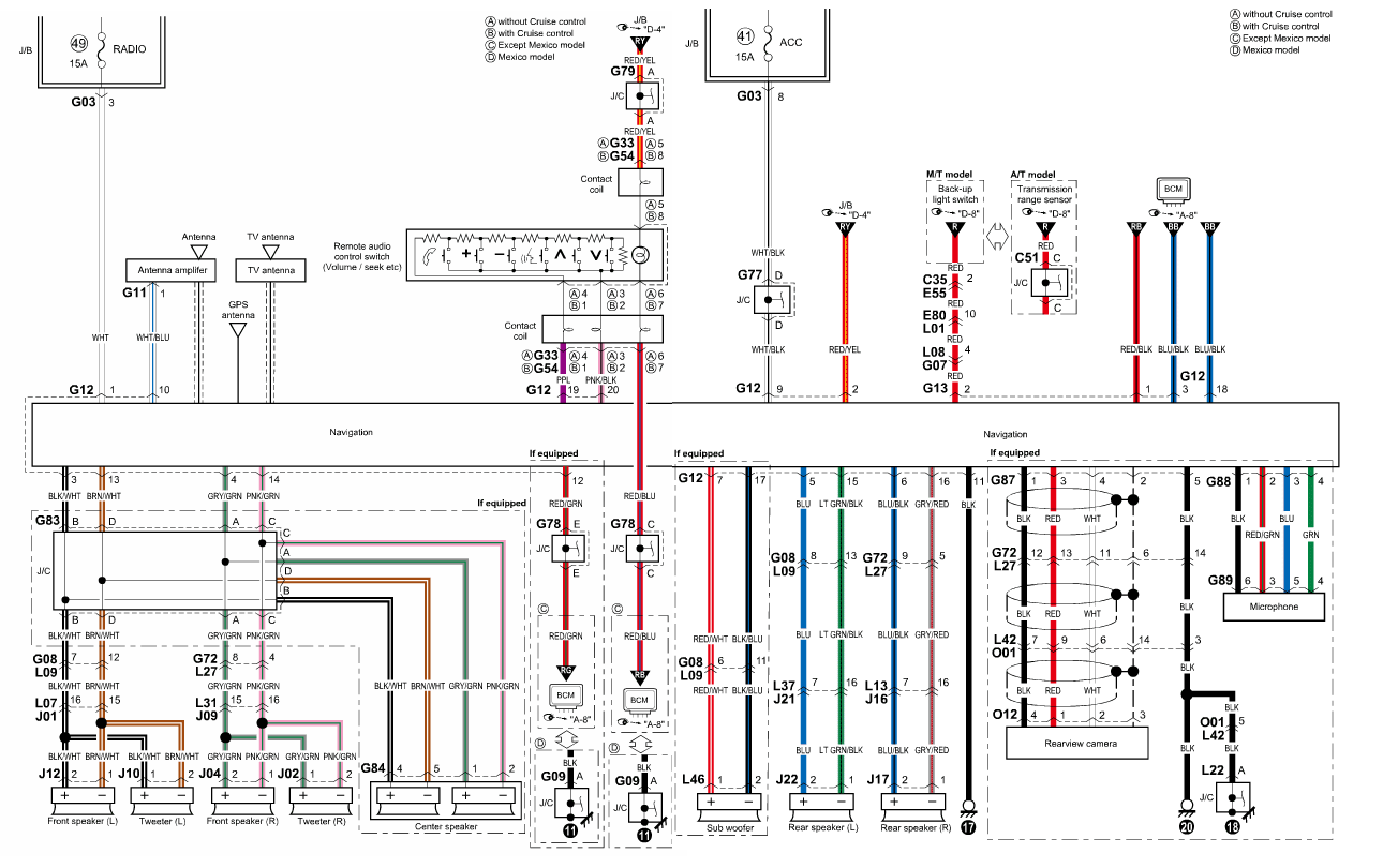
Кто-нибудь знает ТОЧНУЮ распиновку разъема USB в магнитоле?
А если есть еще и принципиальна схема - это вообще праздник какой-то будет.....
Vek, большое спасибо, все принял, как руководство к деятельности...Есть вот такая инфа...
Скажите, пожалуйста, у вас камера заднего вида стоит?[DOUBLEPOST=1492949340,1492948971][/DOUBLEPOST]Товарищи, при трёхкнопочном сбросе ГУ настройки радио и звука сбрасываются или нет? У меня почему-то не сбрасываются, т.е. reset не полноценный.
Приветствую всех! Вход в скрытое сервисное меню: Посмотреть вложение 66300 держать около 7и секунд до появления Посмотреть вложение 66294 . Среди всего есть файловый менеджер: Посмотреть вложение 66297 Посмотреть вложение 66298 Посмотреть вложение 66299 .со стандартными функциями копирования вырезания удаления вставки. Надеюсь кому нибудь пригодится!
не сбрасываютсяТоварищи, при трёхкнопочном сбросе ГУ настройки радио и звука сбрасываются или нет? У меня почему-то не сбрасываются, т.е. reset не полноценный.
Вопрос вообще или конкретно к MIC78? ) Если вообще, то у меня установлена камераСкажите, пожалуйста, у вас камера заднего вида стоит?
По какой ссылке можно скачать? Проверил по известному адресу, там максимально четвертая версия (методом подбора в адресной строке смотрел). Пробки не добавились думаю...Доброго времени суток, Уважаемые форумчане! Вышла новая версия прошивки 4.10. Кто-нибудь уже прошился, какие изменения,есть ли смысл? Поделитесь пожалуйста информацией.
Его не надо открывать). Копируешь на SD карту, карту в ГУ. ГУ само обновитсякаким программным обеспечением нужно открыть этот файл?я не могу
[DOUBLEPOST=1497652854,1497652500][/DOUBLEPOST]Достаточно ли подключить только плюс и минус для того чтобы запитать ГУ или нужно подключить антенну радио,какие то еще потребители.Я к тому ,что вся информация будет считана с Sd карты или нужна какая то сеть для того чтобы пошла разблокировка и обновление?[DOUBLEPOST=1497766716][/DOUBLEPOST]Его не надо открывать). Копируешь на SD карту, карту в ГУ. ГУ само обновится
[DOUBLEPOST=1497766829][/DOUBLEPOST]турист,здравствуйте.Удалось ли вам победить свое ГУ.У меня та же проблема.Если удалось,буду признателен за информацию.Vek, большое спасибо, все принял, как руководство к деятельности...
Но, к сожалению, не помогло...
Ситуация: магнитола встала на ребут, попытки перепрошить с CD карточки не увенчались успехом, около минуты стоит в режиме loading software, затем начинает перезагружаться и опять ребут, попытки прошить через USB не удаются потому, что компьтер не видит магнитолу, после выключения зажигания, магнитола не выключается и продолжает какое-то время (пара минут) перезагружаться. При включении габаритного света - подсветка магнитолы не включается, сама магнитола не реагирует на кнопку вкл/выкл. Если кто-то сталкивался с подобной ситуацией и нашел решение - подскажите. Или если есть толковый электронщик в Москве, который бы взялся за ремонт...
...вся информация будет считана с Sd карты.
Pezza. как ни странно, но получилось, в магнитоле была прошивка 3.60, пытался восстановить на 2.80 и 3.60 и ничего не получалось, как последний шанс попробовал на 4,00 и о чудо - все заработало, после откатился на 3,60, но USB так и не запустился...Плюнул...Езжу так, Карта подгружается с CD/ Если такой алгоритм поможет и тебе, буду рад....[DOUBLEPOST=1497652854,1497652500][/DOUBLEPOST]Достаточно ли подключить только плюс и минус для того чтобы запитать ГУ или нужно подключить антенну радио,какие то еще потребители.Я к тому ,что вся информация будет считана с Sd карты или нужна какая то сеть для того чтобы пошла разблокировка и обновление?[DOUBLEPOST=1497766716][/DOUBLEPOST][DOUBLEPOST=1497766829][/DOUBLEPOST]турист,здравствуйте.Удалось ли вам победить свое ГУ.У меня та же проблема.Если удалось,буду признателен за информацию.
