Датчик кислорода (лямбда зонд) - и его замена.

amigos

Эксперт
28 Июль 2008
3,094
562
113
46
Дубна Московская область
Езжу на ...
Suzuki Baleno Wagon 1,6 4WD 2001 SY416-5 (Blue Metallic), Isuzu Amigo '93 4ze1
Ответ: нужна помощ (Lamdasond)

вас че 2 лямда стоит? я у себя тока один виделЧешу репу.
Ага, у меня 2 стоит
1 - на выпускном коллекторе, там где картинка "руками не трогать"
2 - сразу за катализатором
Идея такова, что первый нюхает и сообщает % несгоревшего О2, а второй проверят сколько его О2осталось после прохождения катализатора.

Есть системы и с одни О2 сенсором.
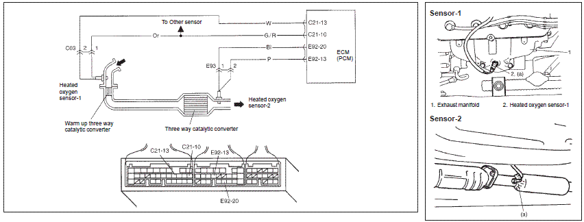
В моем случае это выглядит так, см изображение
 

Вложения

  • 20.1 KB Просмотры: 999


Diter

Редкий гость
7 Февраль 2010
5
0
0
Германия
Езжу на ...
Suzuki Baleno Год выпуска 2001
Ответ: нужна помощ (Lamdasond)

привет (amigos) ! ты поменял (Lamdasond) ? если да, то какой, и погасла ли лампа на щитке ?
 

amigos

Эксперт
28 Июль 2008
3,094
562
113
46
Дубна Московская область
Езжу на ...
Suzuki Baleno Wagon 1,6 4WD 2001 SY416-5 (Blue Metallic), Isuzu Amigo '93 4ze1
Ответ: нужна помощ (Lamdasond)

Привет,;)
Пока ещё не менял, сейчас у меня большой напряг с деньгами.
Как поменяю отпишу.
 


igor48

Проходил мимо
5 Март 2010
3
0
0
Липецк
Езжу на ...
Liana 2007
Ответ: Про замену датчика кислорода (отчет)

А кто может подсказать? Если машина на гарантии, то датчик кислорода попадает под гарантийную замену? У меня хотели катализатор менять по гарантии, но при снятии оказалось что он нормальный, хотя сканер показал что проблема в нем. Сказали если чек вновь выскочит- приезжай, будем смотреть датчики. Я вот думаю гарантия это или нет? Чек загорается через 300 км после обнуления...:(
 

mapsensor

Наш человек
16 Ноябрь 2008
110
11
0
СПБ
Ответ: Re: Про замену датчика кислорода (отчет)

А зачем проверять кончину датчика ,например бош рекомендует менять лямбду не дожидаясь пока она сдохнет
при пробеге примерно 75 000 км у япоши лямбда как и насос топлива работают в два а то и три раза больше в зависимости от условий исходя из личного опыта 150000 машинка прошла меняй насос и ляму и наслаждайся ,лямбду лучше ставить оригинальную она с компом общается на прямую разница сопротивлениях может вывести блок управления из строя япоши точный народ не чета немцам так что бош не советую большие разбросы по пораметрам бошу вообще последнее веры нет все дохнет нахрен .
 

doker63

Бывает здесь
4 Февраль 2009
85
2
8
Новосибирск
Езжу на ...
Suzuki Cultus Crescent 1997г. двигатель G-16A кузов GD31W
Ответ: Re: Про замену датчика кислорода (отчет)

кто-нибудь знает,что это за датчик?Мне сказали,что он универсальный.
 

Вложения

Juri790

Наш человек
7 Февраль 2009
136
23
18
Е-бург
Ответ: Re: Про замену датчика кислорода (отчет)

Датчик действительно универсальный (если верить Екзисту) иде т в том числе и на Балено, но вот Култуса там не увидел, хотя имхо тоже должен подойти
 

doker63

Бывает здесь
4 Февраль 2009
85
2
8
Новосибирск
Езжу на ...
Suzuki Cultus Crescent 1997г. двигатель G-16A кузов GD31W
Ответ: Re: Про замену датчика кислорода (отчет)

у меня на cultus стоит два датчика еще один после катализатора. Они одинаковые или нет?Они в паре работают? Заменить можно на два одинаковых универсальных?
 




NikS

Свой в доску
24 Октябрь 2007
504
32
0
г. Томск
Езжу на ...
Suzuki Cultus 1.5 АКПП 97г.в.
Ответ: Re: Про замену датчика кислорода (отчет)

Датчики разные. Про второй сказать что либо сложно, ибо говорят что он тока отслеживает качество выхлопа, но в процессе приготовления смеси не участвует. но недавно решил проэксперементировать и отключил первый датчик. В результате не каих ошибок не появилось. Но 3 года назад вылетала ошибка, после замены передней лямбды на универсальную NGK все прошло. По этому возможно и второй играет роль в приготовлении смеси
 
  • Нравится
Реакции: 1 человек

vano 36

Наш человек
15 Сентябрь 2009
243
4
0
41
Воронеж
Езжу на ...
Сузуки Култус
Ответ: Re: Про замену датчика кислорода (отчет)

а бошевского гомера лямды нет случайно?
у меня она одна стоит. пробег уже 198тыс думаю замениьт ее пора ужо
 

USHAS

Наш человек
14 Ноябрь 2006
245
24
0
Москва
Ответ: Про замену датчика кислорода (отчет)

Из сервис мануала :
Сопротивление нагревателя - 1 лямбды :
2 – 6 Ом при 20 градусах C.
Сопротивление нагревателя -2 лямбды:
4 – 10 Ом при 20 градусах C.

Вместо первой я ставил Бошевский LSH25 0 258 005 133 (с перепайкой разъёма).
 

NikS

Свой в доску
24 Октябрь 2007
504
32
0
г. Томск
Езжу на ...
Suzuki Cultus 1.5 АКПП 97г.в.
Ответ: Про замену датчика кислорода (отчет)

У меня обе однопроводные стоят, нагревателей нет.
 

Bormann 71

Наш человек
2 Апрель 2009
167
21
0
53
Челябинск
Езжу на ...
Была SUZUKI-CULTUS WAGON, 99 ГОД, GS21W 1,5 л, FVD S-TOURING, белий перламутр, климат и т.д.
Стала Хонда-Одиссей, как-то так...
Ответ: Re: Про замену датчика кислорода (отчет)

Поставил вчера лямбду новую,очучения непередоваемые,машину не узнать
Неделю назад поставил OZA624-E1 ( пробег 170 000),субъективные чуйства схожи, ну конечно Сузука-Култус не превратилась в Култус-Эволюшен:hilarious:, по расходу:
полный балон газа (тирроидалка 40 литров) -
до замены - 330 км по городу
после замены -370 км по городу
Баксы-бакс;)
 



ddsdds

Опытный сузуковод
19 Июль 2010
962
45
0
Пенза
Езжу на ...
Wagon Зверь !
Ответ: Re: Про замену датчика кислорода (отчет)

а как его выкрутить ? я уже разве только танцы с бубном не устраиваю. у меня сузуки вагон.
 

Bormann 71

Наш человек
2 Апрель 2009
167
21
0
53
Челябинск
Езжу на ...
Была SUZUKI-CULTUS WAGON, 99 ГОД, GS21W 1,5 л, FVD S-TOURING, белий перламутр, климат и т.д.
Стала Хонда-Одиссей, как-то так...
Ответ: Re: Про замену датчика кислорода (отчет)

Загнал на яму, снял сверху защиту выпускного коллектора(да, чуть не забыл-вытащил ключ из замка и отсоединил массу, инструкция епть...;)), далее шприцом набрал немного Декстрона из бачка ГУРа, побрызгал им на старую лямбду, нервно покурил, протолкнул сквозь накидной ключ разъем лямбды, в другой конец (рожок) накидного ключа на 22 вставил трубу, и рванул:D,
 
  • Нравится
Реакции: 1 человек

Levin

Наш человек
25 Июль 2010
126
6
0
62
Отрадный-Самара
Езжу на ...
Сузуки култус кресцент, 1996г., G15A, универсал GC21W,2WD
Ответ: Re: Про замену датчика кислорода (отчет)

Вучер добрый всем!!!!Bormann -номер лямбды что ты написал это однопроводной чё-ли?
 

Bormann 71

Наш человек
2 Апрель 2009
167
21
0
53
Челябинск
Езжу на ...
Была SUZUKI-CULTUS WAGON, 99 ГОД, GS21W 1,5 л, FVD S-TOURING, белий перламутр, климат и т.д.
Стала Хонда-Одиссей, как-то так...
  • Нравится
Реакции: 1 человек





ddsdds

Опытный сузуковод
19 Июль 2010
962
45
0
Пенза
Езжу на ...
Wagon Зверь !
Ответ: Re: Про замену датчика кислорода (отчет)

А уменя он 4 проводной , ни чем не прекрыт.Сверху видно его на коллекторе , но фиг долезешь.
 
Х

ХулиGAN

Guest
Ответ: Re: Про замену датчика кислорода (отчет)

снимай тепловую защиту, и вот он. У меня видно два болта отломились.
 

ddsdds

Опытный сузуковод
19 Июль 2010
962
45
0
Пенза
Езжу на ...
Wagon Зверь !
Ответ: Re: Про замену датчика кислорода (отчет)

у меня не так он расположен. у тебя с коллектора труба уходит вниз , а у меня вправо , и на ней он расположен. Если говорить по твоей фотке , то на уровне пробки радиатора , и на 25 см ниже. подлезьть туда можно явно только головкой , ключом никак. или радиатор портить. в накидной фишка датчика не пролазит , головки даже длинные не подходят - фишка в них не лезет. ключ не подходит из за ограниченности пространства. вот и не знаю как туда подлезьт.
А может его вообще не надо снимать , самодиагностика показывает ошибку 33. где то нашёл что это медленный отклик датчика кислорода. решил менять лямбду. правли я ?
 

ddsdds

Опытный сузуковод
19 Июль 2010
962
45
0
Пенза
Езжу на ...
Wagon Зверь !
Ответ: Re: Про замену датчика кислорода (отчет)

кстати что находится в двигателе за этим выступом ???
4a78d0a3443b.png



Добавлено через 6 минут
а лямбда как то так расположена
 
Х

ХулиGAN

Guest
Ответ: Re: Про замену датчика кислорода (отчет)

датчика кислорода. решил менять лямбду. правли я ?
Датчик кислорода=лябда зонд, да если медленно откликается считай что кончился.
и выложи в подпись конфигурацию авто,меньше вопросов будет.
 


Bormann 71

Наш человек
2 Апрель 2009
167
21
0
53
Челябинск
Езжу на ...
Была SUZUKI-CULTUS WAGON, 99 ГОД, GS21W 1,5 л, FVD S-TOURING, белий перламутр, климат и т.д.
Стала Хонда-Одиссей, как-то так...
Ответ: Re: Про замену датчика кислорода (отчет)

в накидной фишка датчика не пролазит , головки даже длинные не подходят - фишка в них не лезет.
раз разъём не пролазит, то обрезай провод посередине, один хрен новый датчик ставить:hilarious:
 

vano 36

Наш человек
15 Сентябрь 2009
243
4
0
41
Воронеж
Езжу на ...
Сузуки Култус
Ответ: Re: Про замену датчика кислорода (отчет)

на J18A по каталогу идет заменитель 0258005729 бошевский как я понимаю остальные не подходят
 

ddsdds

Опытный сузуковод
19 Июль 2010
962
45
0
Пенза
Езжу на ...
Wagon Зверь !
Ответ: Re: Про замену датчика кислорода (отчет)

Я вечером его побрызгал вэдешкой чтобы с утра полегче открутить . Утром как обычно забыл. Поехал , а чек не горит. может ожил ? Но в динамике изменений не почуствовал.;)
 

amigos

Эксперт
28 Июль 2008
3,094
562
113
46
Дубна Московская область
Езжу на ...
Suzuki Baleno Wagon 1,6 4WD 2001 SY416-5 (Blue Metallic), Isuzu Amigo '93 4ze1
Ответ: Re: Про замену датчика кислорода (отчет)

на J18A по каталогу идет заменитель 0258005729 бошевский как я понимаю остальные не подходят
не совсем правильно - это верно для варианта свой открутил а этот вкрутил подключил фишки.
А так насколько я знаю, резьба у всех одинаковая, работа тоже - основные отличия друг от друга это кол-во проводов (но последние идут 4-х проводные), сопротивление подогрева, наличие разьема, ну и длина провода.

В твоем случае цена заменителя очень приятная.

Добавлено через 8 минут
Я вечером его побрызгал вэдешкой чтобы с утра полегче открутить . Утром как обычно забыл. Поехал , а чек не горит. может ожил ? Но в динамике изменений не почуствовал.;)
ИХ обычно на горячую откручивают, побрызгал минут 5-10 подождал и нормально открутил. Знакомый говорит что нижний может тяжело откручиваться, там более агресивная среда.

Датчик постепенно умирает, СЕ загорается после нескольких поездок с обнаружением ошибки, так же и гаснет если несколько раз подряд не ошибка не обнаруживалась. Может в последние дни не зажигал на машине, когда размеренно ездиешь некоторые ошибки начинаю пропадать.
 

БлэкКар

Местный
20 Июль 2008
363
34
0
Новосибирск
Езжу на ...
Култус 99 год 1.6 движка АКПП 4везде (ну не совсем везде но много)
Ответ: Датчик кислорода (лямбда зонд) - виновник многих неисправностей и его замена.

То есть я так понял, по идее можно от десятки поставит бошевский и на двигатель 1.6?