Двигатель Система охлаждения двигателя.

Bilbo

Наш человек
23 Май 2006
122
58
28
Москва
Езжу на ...
Suzuki Liana '05 2WD 1,6 M16A
Еще бы эта крышка наличие СО2 определяла, цены б ей не было. СО2-признак прорыва выхлопных газов в систему охлаждения.
 


sav liana

Местный
6 Май 2015
269
93
28
Мос. ст. Силикатная
Езжу на ...
Liana, седан, передний, 2007, 1,6л M16A, МКПП, ~100 000 км
Почему двигатель M16A склонен к перегреву, "нижний" термостат:
термостат стоит после радиатора, а не после ГБЦ;
термостат стоит термоэлементом к помпе;
перепускного шланга, трубы, обводного канала нет (их роль играет печка и подогрев дросселя)...

Обводной канал, Toyota
обводной.jpg

Допустим, печка частично забита,
т.е. перепуск работает недостаточно интенсивно, а ОЖ в нем (перепуске) остывает...
Нагреется ли термоэлемент термостата до 82 гр? Возможно...
.
Решающим фактором является температура ОЖ после печки (патрубка заходящего в термостат), или корпуса термостата.
.
Системы с "нижним" термостатом поддерживают температуру ОЖ на входе двигателя,
а датчик температуры стоит на выходе двигателя. Это зачастую приводит к путанице при диагностике.
IMG_20191228_093236.jpg

.
 
Последнее редактирование:
  • Нравится
Реакции: iavg

Ptizelov

Эксперт
27 Апрель 2011
3,619
619
113
63
Москва ЗАО
Езжу на ...
Tracker J20 АКПП 99 гв
Почему двигатель M16A склонен к перегреву:
термостат стоит после радиатора, а не после ГБЦ;
термостат стоит термоэлементом к помпе;
перепускного шланга, трубы, обводного канала нет (их роль играет печка и подогрев дросселя)...
Если так рассуждать , то большинство сузучьих рядников тоже склонны к перегреву .
Собственно , после отказа от краника в системе отопления "малый круг" практически у всех марок идет через радиатор печки к помпе . Соответственно , там и термостат находится , а элемент термостата развернут к помпе - именно там без вариантов появится ОЖ и из "малого" и из "большого круга" . ДТОЖ ведь стоит на выходе из ГБЦ , чего же еще надо ? Если туда еще и термостат поставить - у него появляется запаздывание - то разогретая нежная ГБЦ может не выдержать резкого вброса холодной ОЖ из радиатора . Верхний термостат на сузучьи V-шки ставили , но там пока антифриз до голов доберется , да и головки толстые/короткие/широкие ...
Ну а забитая (читай - неисправная) печка , это уже головная боль не конструкторов , а автовладельцев .
Неухоженный мотор всегда склонен к каким-нибудь неприятностям , например : мотор склонен к перегреву , так как неисправный/покрытый отложениями (занижающий показания) ДТОЖ не дает команды на включение вентиляторов и не предупреждает водителя показаниями ИТОЖ .
 

awgwolf

Наш человек
28 Октябрь 2013
203
46
28
43
г.Владимир
Езжу на ...
Suzuki Liana, 2007 год, 2WD, 1,6 л, 107 л.с.
А вобще, я так понимаю, новый радиатор печки купить можно только оригинал?
 

deniss74

Бывает здесь
15 Январь 2007
59
19
8
51
Королев МО
Езжу на ...
Suzuki Aerio, правый руль.
ОК, убедили! ;)
Остановимся на сем, пущай таперича аффтар вопроса изучает свою проблему дальше.
Поменял пробку. На самом деле поставил прежнюю, оригинальную, на давление 1.1. Выглядит нормально, прокладки не промяты, оба клапана вроде рабочие, нигде ничего не закусывает. Думал, может с горловиной радиатора что не так, промерял расстояние штангенциркулем для выпускного клапана, вроде все четко. Патрубки всё равно довольно плотные. Давление в системе не мерял, не очень представляю, как это сделать.
Я думаю, что здесь ранее правильное мнение высказывалось - при определенных условиях выхлопные газы в системе могут как-то подпирать выпускной клапан в пробке и блокировать его работу.
Я сейчас на новом месте, в Братиславе, поэтому приходиться все искать с нуля. Нашел вариант с заменой прокладки ГБЦ и шлифовкой головы, получается 270 евро за работу. Сколько это обычно с Москве/Питере стоит?
Поскольку сталкиваюсь с этим в первый раз - вопросов масса.
Моторное масло сливается при замене прокладки?
Клапанную крышку снимают? Относительно недавно менял прокладку клапанной крышки, ее удастся сохранить?
Что еще имеет смысл поменять при съеме головы? На что обратить внимание?
 


awgwolf

Наш человек
28 Октябрь 2013
203
46
28
43
г.Владимир
Езжу на ...
Suzuki Liana, 2007 год, 2WD, 1,6 л, 107 л.с.
Поскольку сталкиваюсь с этим в первый раз - вопросов масса.
Моторное масло сливается при замене прокладки?
Клапанную крышку снимают? Относительно недавно менял прокладку клапанной крышки, ее удастся сохранить?
Что еще имеет смысл поменять при съеме головы? На что обратить внимание?
1. Ну если собираетесь менять только прокладку и делать шлифовку, то сливать масло не обязательно.
2. Собственно под клапанной крышкой находятся болты, которые притягивают ГБЦ к блоку, снимать по любому.
3. Если не меняли никогда МСК, то стоит поменять. Возможно стоит сразу купить медные прокладки под клапан , который к ГБЦ крепится справа, не помню как зовется, vvi что ли, ну или как-то так.
4. Про прокладку клапанки не скажу, если не деревянная, то может и пойдет

Опять же от пробега зависит, чтобы сказать что стоит еще поменять! Я бы после 200 т.км поменял бы Цепь ГРМ со всеми сопутствующими деталями. Но это дело хозяйское.
По поводу цены. Шлифовка в моем городе стоит 1200 рублей. Снять поставить ГБЦ в сервисе стоит 8000 т.руб. На самом деле это можно сделать и самому, но там будет нужна одна головка длинная звездой, я ее в своем городе долго искал. Однако, если менять МСК, то лучше все же ехать в сервис.
 
Последнее редактирование:

KASiK

Мудрец
26 Август 2008
8,883
5,206
113
51
Санкт-Петербург, Красное Село
Езжу на ...
Suzuki Liana HB 1.6 4WD АКПП 2007
Geely Monjaro АКПП 4WD 2023 Изумруд
Поменял пробку. На самом деле поставил прежнюю, оригинальную, на давление 1.1. Выглядит нормально, прокладки не промяты, оба клапана вроде рабочие, нигде ничего не закусывает. Думал, может с горловиной радиатора что не так, промерял расстояние штангенциркулем для выпускного клапана, вроде все четко. Патрубки всё равно довольно плотные. Давление в системе не мерял, не очень представляю, как это сделать.
Я думаю, что здесь ранее правильное мнение высказывалось - при определенных условиях выхлопные газы в системе могут как-то подпирать выпускной клапан в пробке и блокировать его работу.
Я сейчас на новом месте, в Братиславе, поэтому приходиться все искать с нуля. Нашел вариант с заменой прокладки ГБЦ и шлифовкой головы, получается 270 евро за работу. Сколько это обычно с Москве/Питере стоит?
Поскольку сталкиваюсь с этим в первый раз - вопросов масса.
Моторное масло сливается при замене прокладки?
Клапанную крышку снимают? Относительно недавно менял прокладку клапанной крышки, ее удастся сохранить?
Что еще имеет смысл поменять при съеме головы? На что обратить внимание?
awgwolf все правильно написал. Малость дополню.
Для замены прокладки ГБЦ надо:
  1. Снять голову, отвезти ее на шлифовку
  2. При этом придется поменять прокладки и сальники:
    • прокладку ГБЦ
    • прокладку клапанной крышки со свечными кольцами (лучше все же поменять, иначе потом потечет масло)
    • прокладку впускного коллектора
    • прокладку выпускного коллектора
    • прокладку клапана EGR
      1.png

    • прокладку клапана VVT (для авто 2005-2007гг, с VVT) и прокладки для трубок клапана VVT
      2.png

    • сальник коленвала передний
  3. На поддоне и передней крышке (масляный насос) прокладок нет, они сажаются на герметик
  4. Я бы сразу советовал поменять антифриз и масло с фильтром, т.к. при пробитой прокладке есть вероятность, что в масло мог попадать антифриз, что испортило масло, ну а антифриз уже успел "нанюхаться" гари выхлопных газов (будет забивать радиаторы, в первую очередь печки).
  5. Ну и МСК, о которых упоминал awgwolf - это маслосъемные колпачки на клапанах - их советую поменять, т.к. голову перед шлифовкой моют (и после обычно тоже), соответственно колпачки могут потерять свою эластичность от реакции на используемые очистители при мойке головы. Обычно потом масло начинает быстро расходоваться
 

sav liana

Местный
6 Май 2015
269
93
28
Мос. ст. Силикатная
Езжу на ...
Liana, седан, передний, 2007, 1,6л M16A, МКПП, ~100 000 км
Кольца маслонасоса, желательно иметь в запас, Suzuki 09280-17002 — 3 шт ( № 15 на схеме )
https://www.drive2.ru/l/506143136490194098/И надо быть внимательным, мастера могут их выронить и не поставить при работе с лобовиной!

а также 17582-54D00, 17583-54D00 (Кольцо уплотнительное "пробка" в лобовине)
маслонасос.jpg
 
Последнее редактирование:
  • Нравится
Реакции: KASiK

KASiK

Мудрец
26 Август 2008
8,883
5,206
113
51
Санкт-Петербург, Красное Село
Езжу на ...
Suzuki Liana HB 1.6 4WD АКПП 2007
Geely Monjaro АКПП 4WD 2023 Изумруд




Wenj

Редкий гость
17 Июнь 2016
7
14
3
43
Езжу на ...
Suzuki Liana
Всех с наступающим. Постигла и меня проблема перегрева.(в сервисе уже руками разводят).
Суть- двигатель перегревается на ходу 94-98 град(на улице -8), печка при этом включена и греет(прям жарит), нижний патрубок холодный. Если повысить обороты до 4тыс то температура довольно быстро падает, и патрубок теплеет нижний. Термостат поменял на оригинал(варил его перед установкой), снятый термостат варил, нормально открывается, немного с запаздыванием, но на 90 град открыт(запаздывание от его инерции нагрева видимо). Помпу поменяли (старая была как новая, крыльчатка целая не проворачивается - ей полгода всего), новая даже с другой формой крыльчатки. Температуры теже. Снимали патрубки на большой круг, от радиатора до трубы которая на термостат идет, патрубки не забиты, Радиатор продували компрессором, жидкость выгоняется. продували и в сторону печки, тоже нормально все.
Антифриз заливали тонкой струйкой, выгоняли воздух как могли , и оборотами и в радиатор дул со снятым патрубком на дросселе. под крышкой радиатора на холодную воздух не появляется особо, из бачка засасывает. В бачек антифриз не давит когда автомобиль в движении(нижний патрубок холодный при этом), а температура 94-96. Пробку поменял на 1,1, была 0,9 - без изменений.
Температуры замерял пирометром - датчик температуры не врет, блок управления двигателем тоже.
В целом видно плохую циркуляцию антифриза на холостых - не понятна причина. для примера в сервисе нагрели до 94 град, обороты поднимаем до 3тыс, температура падает до 92 град, сбрасываем обороты до холостых, температура резко 94(слишком резко). Ну и нижний патрубок очень тяжело и долго греется - если стоять на месте и "газовать". В пути при температуре 96 град если нажать газ до 5тыс оборотов, температура резко падает градуса на 4. потом опять растет.
Радиатору 3 года, накипи ни какой нет, герметики не лили ни разу. Антифриз менялся раза 4 по разным причинам за всю жизнь радиатора. Пробитую прокладку головы менял в июне. Сейчас антифриз не выплевывает и не пахнет он выхлопными газами, эмульсии в масле нет.
Может ли быть такая воздушная пробка, что при высоких оборотах сдвигается, а при низких оборотах, возвращается назад? мордой вверх пробку не выгонял, но пробки были и раньше(при заменах антифриза) и такие что ручьем шумели под панелью и таких перегревов не было

Liana 2005год, 4х4 АТ, двиг 1,6 107лс
 

awgwolf

Наш человек
28 Октябрь 2013
203
46
28
43
г.Владимир
Езжу на ...
Suzuki Liana, 2007 год, 2WD, 1,6 л, 107 л.с.
То, что видно плохую циркуляцию - это какое-то предположение, или вы это практически как-то увидели?
 

KASiK

Мудрец
26 Август 2008
8,883
5,206
113
51
Санкт-Петербург, Красное Село
Езжу на ...
Suzuki Liana HB 1.6 4WD АКПП 2007
Geely Monjaro АКПП 4WD 2023 Изумруд
Боюсь, что все же вам надо поменять радиатор, мне кажется, что он явно не справляется со своей задачей. Конечно, 3 года - не большой срок для него и частая замена антифриза должна была поддерживать его в хорошем внутреннем состоянии, но по симптомам похоже, что большая часть трубок внутри него все же забиты, потому на холостых он и не "продувается" антифризом достаточно, чтоб остудить антифриз и нагреть нижний патрубок
 

Wenj

Редкий гость
17 Июнь 2016
7
14
3
43
Езжу на ...
Suzuki Liana
Боюсь, что все же вам надо поменять радиатор, мне кажется, что он явно не справляется со своей задачей. Конечно, 3 года - не большой срок для него и частая замена антифриза должна была поддерживать его в хорошем внутреннем состоянии, но по симптомам похоже, что большая часть трубок внутри него все же забиты, потому на холостых он и не "продувается" антифризом достаточно, чтоб остудить антифриз и нагреть нижний патрубок
т.е. как вариант - продувается радиатор, но недостаточно?(ни разу не юмор, серьезно спрашиваю) у лианы система циркуляции работает без запаса по циркуляции(на случай воздуха или накипи какой)?
 



Wenj

Редкий гость
17 Июнь 2016
7
14
3
43
Езжу на ...
Suzuki Liana
То, что видно плохую циркуляцию - это какое-то предположение, или вы это практически как-то увидели?
это общее ощущение мое и сервисменов - при прогазовке патрубок нижний прогревается, на холостых нет(помпа меняная, термостат тоже, снятые помпа и термостат рабочие были), патрубки от радиатора до термостата снимали в надежде забитость найти(ну может шланг какой отслоился- ну там чисто,. Единственное, что патрубок который углом под клапаном егр - раздут немного, но он так раздут и без антифриза, видимо когда газы через прокладку давили, растянули его(пол года назад), но он не течет совсем. Поменяю со временем(врятли на оригинал, проще силиконовый по размерам подобрать)
 

KASiK

Мудрец
26 Август 2008
8,883
5,206
113
51
Санкт-Петербург, Красное Село
Езжу на ...
Suzuki Liana HB 1.6 4WD АКПП 2007
Geely Monjaro АКПП 4WD 2023 Изумруд
т.е. как вариант - продувается радиатор, но недостаточно?(ни разу не юмор, серьезно спрашиваю) у лианы система циркуляции работает без запаса по циркуляции(на случай воздуха или накипи какой)?
Я уже многократно видел Лианы с пробитой прокладкой из-за плохо охлаждающего радиатора. При этом клиенты всегда утверждали, что промывали его водой, вода проходила нормально. Но в результате все равно двигатель перегревался, а радиатор и нижний патрубок холодный. Причина, по моему мнению, в недостаточной проходимости радиатора. Поэтому на холостых помпа не может его "продавить", нет охлаждения. Помпа работает - свидетельство тому теплый воздух из печки - это хоть и малый контур, но сечение патрубков и самого радиатора печки там намного меньше основного радиатора двигателя, однако он "продувается" антифризом без проблем, а основной радиатор нет. Значит в радиаторе проблема есть. Попробуйте поставить радиатора трубчатого типа, у него проходимость получше будет, если есть переживания по проходимости пластинчатых радиаторов (с плоскими трубками):
 

Wenj

Редкий гость
17 Июнь 2016
7
14
3
43
Езжу на ...
Suzuki Liana
Я уже многократно видел Лианы с пробитой прокладкой из-за плохо охлаждающего радиатора. При этом клиенты всегда утверждали, что промывали его водой, вода проходила нормально. Но в результате все равно двигатель перегревался, а радиатор и нижний патрубок холодный. Причина, по моему мнению, в недостаточной проходимости радиатора. Поэтому на холостых помпа не может его "продавить", нет охлаждения. Помпа работает - свидетельство тому теплый воздух из печки - это хоть и малый контур, но сечение патрубков и самого радиатора печки там намного меньше основного радиатора двигателя, однако он "продувается" антифризом без проблем, а основной радиатор нет. Значит в радиаторе проблема есть. Попробуйте поставить радиатора трубчатого типа, у него проходимость получше будет, если есть переживания по проходимости пластинчатых радиаторов (с плоскими трубками):
Владимир, умеете поднять настроение, спасибо) опыт у вас по лианам, по любому не имеет цены. А то мысли уже об избавлении от машины были(( но, так уж она хорошо снег гребла прошлой Саратовской зимой(был ад на самом деле длиной в 2 месяца) Про трубчатые радиаторы вообще не слышал на лиану. не подскажете производителя и модель для коробки автомат? и на сколько они хуже пластинчатых охлаждают?

Нашел у вас на сайте, спасибо.
 
Последнее редактирование:
  • Нравится
Реакции: anm07 и KASiK

Ptizelov

Эксперт
27 Апрель 2011
3,619
619
113
63
Москва ЗАО
Езжу на ...
Tracker J20 АКПП 99 гв
при прогазовке патрубок нижний прогревается, на холостых нет
У меня на всех авто так было и , я надеюсь , так будет . И на ощупь это очень заметно и пирометром измерял . Разве должно быть по другому ? А зачем же тогда радиатор в системе ? Вполне естественно , что при медленном (на ХХ) проходе ОЖ через радиатор она (ОЖ) остывает сильнее и на выходе будет холоднее , нежели при повышенных оборотах .
 

KASiK

Мудрец
26 Август 2008
8,883
5,206
113
51
Санкт-Петербург, Красное Село
Езжу на ...
Suzuki Liana HB 1.6 4WD АКПП 2007
Geely Monjaro АКПП 4WD 2023 Изумруд
У меня на всех авто так было и , я надеюсь , так будет . И на ощупь это очень заметно и пирометром измерял . Разве должно быть по другому ? А зачем же тогда радиатор в системе ? Вполне естественно , что при медленном (на ХХ) проходе ОЖ через радиатор она (ОЖ) остывает сильнее и на выходе будет холоднее , нежели при повышенных оборотах .
Оно все правильно, так. Но когда температура двигателя 94 - это уже не есть хорошо, т.к. термостат на Лиане открывается на 82. К тому же при такой температуре даже на холостых нижний патрубок должен быть хоть малость теплым, а он холодный -это не есть хорошо.
Ну и подумать: а что еще может быть-то? Помпу и термостат меняли уже...

Я вообще не понимаю тех мастеров, кто помпу менять советует, кроме как по причине ее неисправности (течи или крыльчатку сорвало с вала). Это как надо постараться и какой ломик воткнуть в крыльчатку, чтоб ее сломать или свернуть с вала? Посмотрите на помпу, и вы поймете, что есть только две реальные причины для ее замены - потек сальник или умер (гудит/свистит) подшипник. Но сколько я слышу, почти всем клиентам при перегревах авто мастера первым делом советуют поменять термостат (это еще может быть правдой) и вторым делом - помпу. Почему? Потому что это дорогостоящая работа (надо снимать впускной коллектор). А вот радиатор практически никто никогда не советует и не думает менять. А ведь на большинстве Лиан радиаторы уже очень старые: они в оригинале очень качественные, текут крайне редко, вот и логика владельцев и мастеров: зачем менять, если не течет. А то, что клиент - уже далеко не первый владелец авто, кто и как регулярно менял антифриз - не известно, а ведь зачастую многие его не меняю как положено по регламенту каждые 3 года 9или 70-100 тыс. км - смотря что наступит раньше), потому он теряет свои свойства, накапливает грязь, ккоторая потом оседает на трубках радиатора внутри, забивая его и ухудшая охлаждение. А к тому же с нашими реагентами на дорогах соты радиаторов быстро начинаю гнить и отслаиваться от трубок, в итоге и от этого они хуже охлаждают.
Я уже много раз об этом писал, видя печальный опыт многих моих клиентов: двигатель перегревается, они меняют крышки радиаторов, помпы и термостаты, пытаются безуспешно промывать систему, и кучу денег на диагностики и прочие "умные" советы мастеров тратят, но упираются. когда я им советую менять радиатор: "ведь не течет же он". А в итоге через продолжительное время упрямства и споров почти все все равно возвращаются за радиатором со словами: "ты был прав". Но теперь уже прокладка пробита, и помимо радиатора еще и замена прокладки ГБЦ...

Я не претендую на абсолютную правоту, просто стараюсь не бездумно перебирать все, что обычно все делают, а все проанализировать и подумать. Я могу не все знать, что там у вас с машиной. Мастера же (даже хорошие профессионалы) часто невольно бывают движимы нуждой иметь заработок, потому даже когда они и знают, что радиатор надо менять, они все равно предлагают сперва проделать более дорогую работу, ведь термостат дешевле радиатора - убедить клиента проще, а то, что работа дороже, так не каждый это сходу сообразит.

Я не призываю идти сразу ко мне ха радиатором, вы можете купить его там. где вам удобно и выгодно. Я призываю перед покупкой любой запчасти самому попробовать все проанализировать и принять правильное решение.
 
  • Нравится
Реакции: Evil и Luka





Ptizelov

Эксперт
27 Апрель 2011
3,619
619
113
63
Москва ЗАО
Езжу на ...
Tracker J20 АКПП 99 гв
кто и как регулярно менял антифриз - не известно
Вот-вот ! Иной раз заливают такое , что к вот этому
есть только две реальные причины для ее замены - потек сальник или умер (гудит/свистит) подшипник.
добавляется кое что еще . На фото сузучья (с мотора J20) помпа . DSC00758.JPG
Никаких лишних звуков не издавала , ничего наружу не протекало . Просто плохо прокачивала . Кстати , некоторые неоригинальные помпы тоже иногда фигово качают : размер и профиль крыльчаток таков , что изменяется зазор между лопастями и корпусом . Вроде , доли миллиметров , а производительность падает ощутимо .
Как-то раз попалась машина с прокладкой (в оригинале её нет) под помпой , спрашиваю - зачем ? Отвечает : "Ну ведь хуже не будет ! Герметика я тоже туда намазал ."
А прокладка как ни крути - полмиллиметра к зазору добавила ...
 

user1975

Профи
5 Октябрь 2009
2,055
552
113
Москва
Езжу на ...
Suzuki Liana 1.6 4x4 AT
Среднестатистическая помпа прокачивает 2 л/сек.
Среднестатистический объём 6 л прокачивается за 3 сек.
 

KASiK

Мудрец
26 Август 2008
8,883
5,206
113
51
Санкт-Петербург, Красное Село
Езжу на ...
Suzuki Liana HB 1.6 4WD АКПП 2007
Geely Monjaro АКПП 4WD 2023 Изумруд
На этой машине вместо антифриза серную кислоту заливали? Тогда там не только помпы, но и движка уже нет давно!
Если лить в машину рекомендованные производителем жидкости и менять их по регламенту, то такого вы никогда не увидите в реальности! поверьте, я за 11 лет уже более 70 Лиан разобрал и минимум половину движков от этих разобранных Лиан, и ни в одной ничего подобного на помпах не втречал, даже на Лиане с пробегом 270 т.км!
 

Ptizelov

Эксперт
27 Апрель 2011
3,619
619
113
63
Москва ЗАО
Езжу на ...
Tracker J20 АКПП 99 гв
Среднестатистическая помпа прокачивает 2 л/сек.
Вот вот . Числа не совсем корректные , но именно об этом пост №1099 .
На ХХ помпа обычной малолитражки качает примерно 6 - 7 л/мин (полстакана в секунду) , а вот на средних оборотах подача возрастает в десять раз .
Тогда там не только помпы, но и движка уже нет давно!
Фото мотора тоже есть - все в пределах дозволенного . Судя по всему , сожрала не коррозия - видно что неподвижные поверхности в полном порядке - а кавитация .
 

sav liana

Местный
6 Май 2015
269
93
28
Мос. ст. Силикатная
Езжу на ...
Liana, седан, передний, 2007, 1,6л M16A, МКПП, ~100 000 км
У нас (M16A, дорестайл, 107 лс) система охлаждения с "нижним" термостатом,
термостат поддерживает температуру на входе двигателя,
а измеряется температура на выходе.
IMG_20191228_093236_.jpg

При неисправностях,
работу термостата надо проверять по температуре ОЖ именно на входе ДВС.
Термостат начнет открываться, когда ОЖ из печки разогреет его до 82 гр.
(Холодная ОЖ из радиатора будет его закрывать)
Круг через печку при данной схеме основной, а через радиатор второстепенный.
Показания термодатчика будут зависеть также от нагрузки и скорости прокачки...
.
Версия с кавитацией не проходит, воздействие кавитации было бы с другой стороны лопастей, там где разряжение.
DSC00758.JPG

====================================================================
На рестайле (112 лс) перешли на "верхний" термостат... аминь..
_1.jpg , _2.jpg , _3.jpg

Кто первый на переделку?
 
Последнее редактирование:


Ptizelov

Эксперт
27 Апрель 2011
3,619
619
113
63
Москва ЗАО
Езжу на ...
Tracker J20 АКПП 99 гв
Версия с кавитацией не проходит
Я не настаиваю , т.к. в теорию кавитацию у меня погружение отнюдь не глубокое . Есть своя версия ? Предлагайте . ;)
У нас система охлаждения с "нижним" термостатом
Так на рядных малолитражках теперь другую уже и не найти , о ней в пост № 1083 и писал .
 

deniss74

Бывает здесь
15 Январь 2007
59
19
8
51
Королев МО
Езжу на ...
Suzuki Aerio, правый руль.

Wenj

Редкий гость
17 Июнь 2016
7
14
3
43
Езжу на ...
Suzuki Liana
У нас (M16A, дорестайл, 107 лс) система охлаждения с "нижним" термостатом,
термостат поддерживает температуру на входе двигателя,
а измеряется температура на выходе.
Посмотреть вложение 193391
При неисправностях,
работу термостата надо проверять по температуре ОЖ именно на входе ДВС.
Термостат начнет открываться, когда ОЖ из печки разогреет его до 82 гр.
(Холодная ОЖ из радиатора будет его закрывать)
Круг через печку при данной схеме основной, а через радиатор второстепенный.
Показания термодатчика будут зависеть также от нагрузки и скорости прокачки...
.
Версия с кавитацией не проходит, воздействие кавитации было бы с другой стороны лопастей, там где разряжение.
Посмотреть вложение 193392

====================================================================
На рестайле (112 лс) перешли на "верхний" термостат... аминь..
Посмотреть вложение 193393 , Посмотреть вложение 193394 , Посмотреть вложение 193395

Кто первый на переделку?
Меня этот нижний термостат тоже смущает. Поменял ещё и радиатор на трубчатый. На месте с выключенной печкой работает все как нужно. На 98 включается вентилятор и секунд за 20-30 сбрасывает до 94. Затем по трассе ехал около 200км. Скорость до 120 на обгонах. Температура 92-98, печка естественно включена. Пробовал по тихому передвигаться с выключенной печкой. Температура несильно но падала. Ну и при резком повышении оборотов температура падала резко 4 град(на всем пути следования). У меня закрадывается мысль, что жидкость проходя через радиатор печки, охлаждается на столько, что термостат не открывается. Как бы на выходе из двигателя 96, а там где термостат 80 или около того. Температура наружного воздуха была -1град.
Просьба ко всем кто может, накидайте сюда статистики по температуре двигателя при движении, именно сейчас зимой. А то все статистики летние, а летом печки выключены, и потерь температуры нет на этом радиаторе.
Ещё вопрос - радиатор печки трубчатый?
Ну ещё кто знает рабочую температуру лиановского двигателя? Судя по термостаты от 82 град до 82+20град, но точной информации не найду. На sx4термостат 88 град например. А двигатель все тот же.
 

LEMARK710

Наш человек
18 Сентябрь 2015
107
20
18
41
Езжу на ...
Suzuki Liana, 2001, 1.6
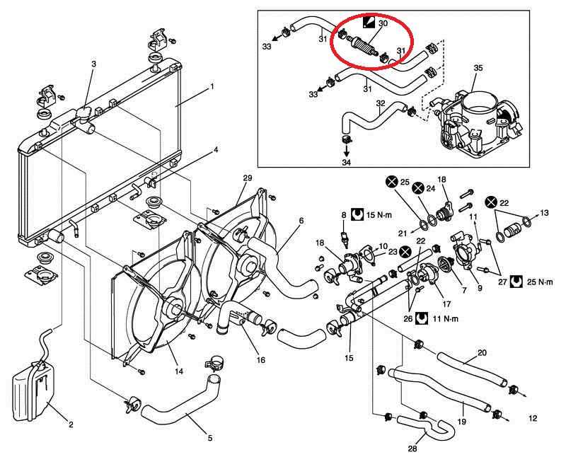
Всем здрасте. Уходил у меня куда то антифриз. Было решено заменить радиатор, старый уже практически сгнил.
Но после замены заметил лужицы под генератором. Залез сверху снял патрубок воздухана и рукой нащупал мокрый клапан, но как только я до него дотронулся он в руках расыпался. Сделал хорошую трубочку и зажал ее хамутами. Почему то после этого горели АБС и РУЧНИК но после метров 100 все потухло.
Искал описание этого клапана, все что нашел (Клапан (если есть)) тоесть на других моделях его может и не быть. Вот какую он функцию выполняет не ясно. Без него изменений не заметил. На самом клапоне обломаны с обеих сторон штуцера под шланги.

Описание в инструкции
30 – клапан (если имеется); 31 – впускной клапан дроссельного патрубка; 32 – выпускной клапан дроссельного патрубка; 33 – к головке блока цилиндров;
 

Вложения

  • 150.2 KB Просмотры: 1,610
  • 217.5 KB Просмотры: 329
  • 191.6 KB Просмотры: 309
Последнее редактирование:

zamishlyaev

Наш человек
14 Апрель 2015
166
25
28
42
Егорьевск
Езжу на ...
Suzuki liana HB 2wd 1.6. 2004 мех
Меня этот нижний термостат тоже смущает. Поменял ещё и радиатор на трубчатый. На месте с выключенной печкой работает все как нужно. На 98 включается вентилятор и секунд за 20-30 сбрасывает до 94. Затем по трассе ехал около 200км. Скорость до 120 на обгонах. Температура 92-98, печка естественно включена. Пробовал по тихому передвигаться с выключенной печкой. Температура несильно но падала. Ну и при резком повышении оборотов температура падала резко 4 град(на всем пути следования). У меня закрадывается мысль, что жидкость проходя через радиатор печки, охлаждается на столько, что термостат не открывается. Как бы на выходе из двигателя 96, а там где термостат 80 или около того. Температура наружного воздуха была -1град.
Просьба ко всем кто может, накидайте сюда статистики по температуре двигателя при движении, именно сейчас зимой. А то все статистики летние, а летом печки выключены, и потерь температуры нет на этом радиаторе.
Ещё вопрос - радиатор печки трубчатый?
Ну ещё кто знает рабочую температуру лиановского двигателя? Судя по термостаты от 82 град до 82+20град, но точной информации не найду. На sx4термостат 88 град например. А двигатель все тот же.
85 градусов. Открывается.