KASiK
Мудрец
- 26 Август 2008
- 8,884
- 5,206
- 113
- 51
- Езжу на ...
- 
					
	
		
			Suzuki Liana HB 1.6 4WD АКПП 2007
 Geely Monjaro АКПП 4WD 2023 Изумруд
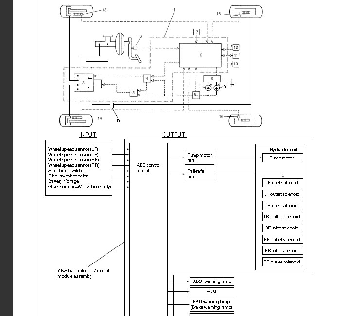
Ответ:  ABS - эксплуатация, ремонт и обслуживание...
На разборе трудно найти, т.к. передние датчик практически не реально вынуть не сломав. Остается только искать новый. Праворулька или левый руль - не важно, они взаимозаменяемые.
	
		
			
		
		
	
								На разборе трудно найти, т.к. передние датчик практически не реально вынуть не сломав. Остается только искать новый. Праворулька или левый руль - не важно, они взаимозаменяемые.
 
			 
 
		 
 
		 
 
		 
 
		 
 
		

 
 
		 
 
		