Датчик парковки передний

Reciter

Наш человек
25 Май 2016
167
44
28
Москва
Езжу на ...
SX4 S-cross AT AllGrip 2014
если совсем выдернуть, то приборка будет писать "обслужите парктроник ".
То есть мы обречены на это бесконечное хождение по мукам? Родные парктроники не отключить никак?
Может в прошивке их можно отключить? Или как-то замкнуть кнопку отключения датчиков, чтобы они отключались при каждом старте сами?
Ну и сколхозить другую кнопку на отключение новых...
 


sheff-78

Осваивающийся
16 Февраль 2016
24
7
3
Москва
Езжу на ...
Suzuki SX4 NEW, 2014 г., МКПП, 2WD.
Всем доброго дня!!!
Много написано про переделку (восстановление).
А кто нибудь нашёл способ ВООБЩЕ вырубить ВЕСЬ парктроник???
Предохранителя отдельно на систему не нашёл.
 
  • Нравится
Реакции: Reciter

Reciter

Наш человек
25 Май 2016
167
44
28
Москва
Езжу на ...
SX4 S-cross AT AllGrip 2014
Всем доброго дня!!!
Много написано про переделку (восстановление).
А кто нибудь нашёл способ ВООБЩЕ вырубить ВЕСЬ парктроник???
Предохранителя отдельно на систему не нашёл.
Вот и я о том же. По идее вся система штатных парктроников должна подрубаться к какой-то фишке. Если ее целиком выдернуть из разъема, возможно, она наконец сдохнет? ;-) Второй вариант - не все комплектации шли с парктрониками, по идее его должно быть можно включить и выключить в прошивке
 

sheff-78

Осваивающийся
16 Февраль 2016
24
7
3
Москва
Езжу на ...
Suzuki SX4 NEW, 2014 г., МКПП, 2WD.
Вот и я о том же. По идее вся система штатных парктроников должна подрубаться к какой-то фишке. Если ее целиком выдернуть из разъема, возможно, она наконец сдохнет? ;-) Второй вариант - не все комплектации шли с парктрониками, по идее его должно быть можно включить и выключить в прошивке
Спрашивал у ОД. Воду мутят. Или не знают или не умеют (((
 
  • Нравится
Реакции: Reciter


metel

Наш человек
24 Июнь 2019
227
127
43
53
Североморск
Езжу на ...
Suzuki SX4 2-nd gen
Родные парктроники не отключить никак?
А кто нибудь нашёл способ ВООБЩЕ вырубить ВЕСЬ парктроник???
По идее вся система штатных парктроников должна подрубаться к какой-то фишке
отключить-то несложно, сам блок парктроника в багажнике, в углу за правой обшивкой. Но приборка все равно будет писать про него. Надо править конфиг приборки, а это или к дилеру, или к тому у кого есть VCM и SDT2.
 

Reciter

Наш человек
25 Май 2016
167
44
28
Москва
Езжу на ...
SX4 S-cross AT AllGrip 2014
отключить-то несложно, сам блок парктроника в багажнике, в углу за правой обшивкой. Но приборка все равно будет писать про него. Надо править конфиг приборки, а это или к дилеру, или к тому у кого есть VCM и SDT2.
Я думаю это не совсем так и вот почему - свою машину я брал 3х летней. И у нее не работали задние парктроники, вообще не отображались никак - при включении режима буксировки или при его выключении система никак не отображала их. Т.к. меня это не особо парило, при наличии задней камеры, я не лазил туда, тем более передние некоторое время работали. А вот когда мне пришло в голову попробовать поменять какой-нибудь задний с очередным неработающим передним (дурацкая затея, знаю теперь, у них разные номера), я обнаружил, что задний левый (т.е. со стороны водителя) провод парктроника был отсоединен от датчика, но при этом как-то замотан черной изолентой, что система не видела все задние парктроники вообще. Изоленту я размотал, но при этом из фишки выпала скрепка соединяющая видимо какие-то два контакта. Я соединил, задние заработали. Предполагаю, что что-то подобное можно произвести и с передними. Сейчас холодно и гаража у меня нет, а то бы обязательно поэкспериментировал
 

metel

Наш человек
24 Июнь 2019
227
127
43
53
Североморск
Езжу на ...
Suzuki SX4 2-nd gen
Все датчики соединены с модулем посредством LIN шины. По шине на датчики идет запрос, обратно ответ. Отсутствие ответа модуль сочтет как неисправность, которую и сообщит приборка Я не представляю как и что там можно было обмануть скрепкой.
 

Reciter

Наш человек
25 Май 2016
167
44
28
Москва
Езжу на ...
SX4 S-cross AT AllGrip 2014
Все датчики соединены с модулем посредством LIN шины. По шине на датчики идет запрос, обратно ответ. Отсутствие ответа модуль сочтет как неисправность, которую и сообщит приборка Я не представляю как и что там можно было обмануть скрепкой.
Тем не менее, факт как говорится, на лицо. Пока я не размотал изоленту, не выпала скрепка и не подсоединил фишку, система не видела задних парктроников как класс. Теперь задние мигают как и передние :D:mad:
 

sheff-78

Осваивающийся
16 Февраль 2016
24
7
3
Москва
Езжу на ...
Suzuki SX4 NEW, 2014 г., МКПП, 2WD.
Тем не менее, факт как говорится, на лицо. Пока я не размотал изоленту, не выпала скрепка и не подсоединил фишку, система не видела задних парктроников как класс. Теперь задние мигают как и передние :D:mad:
Пришло время и мне заняться переделкой. Переделывал передний правый.
В итоге перепаял датчик с али, который подешевле, и....
Полностью весь передок отключился, 2 дня не работал совсем, сегодня сработал передний левый и центральный (причём сработка была на расстоянии примерно 20 см, а показывало 3 палки, т.е. около метра). Получается что из за китайского датчика у системы крыша съехала.
Я разобрал кит. датчик и получается, что 1 контакт припаян к корпусу а на 2 контакте висит что то типа полукруга.
Т.е. если заменить этот полукруг скрепкой, то вполне версия скрепки и изоленты может работать.
При чём я менял провода местами, но эффект остался прежним.
В общем чего я хотел, я добился, передние парктроники почти не работают и главное на панели ничего не моргает...
Когда накроется следующий датчик будем экспериментировать с самым дешевым вариантом переделки (скрепкой с изолентой, обязательно черной:):):))
 
  • Нравится
Реакции: Димыч 72 и Reciter




Reciter

Наш человек
25 Май 2016
167
44
28
Москва
Езжу на ...
SX4 S-cross AT AllGrip 2014
Когда накроется следующий датчик будем экспериментировать с самым дешевым вариантом переделки (скрепкой с изолентой, обязательно черной:):):))
Синяя тоже может сработать! ;-) Я жду поступления парктроников для ГУ на Андроиде (ну и саму магнитолу немножко тоже :) ) потом поеду к гаражным электрикам, которые зуб дают, что получится - отключить штатные вообще как класс с обеих сторон, и на штатную кнопку повесить отключение адекватных (там цена 3600 за 8 датчиков и системный модуль для ГУ). Заодно активный саб кину под полку багажника. Обязательно отпишусь по итогам.
 
  • Нравится
Реакции: ANick и sheff-78

tlg

Бывает здесь
9 Декабрь 2014
74
7
8
г. Ижевск
Езжу на ...
new sx4, декабрь 2014, 2WD, 5МТ, GLX
Менял 2 передних датчика прошлой зимой, неисправность ушла и до настоящего времени не беспокоила. Но прошло меньше года и с первыми морозами (у нас до -26 град.) опять сообщение "обслужите систему парковки" и пищит самопроизвольно. Делаю вывод: система парковки в нашем авто никудышная. На моих первых авто парктроник, который я сам устанавливал, работал безотказно. Не ожидал от Сузуки.
 

Evil

Опытный сузуковод
24 Январь 2015
864
244
43
Харьков
Езжу на ...
SUZUKI SX4_NEW(S_Cross) 4*4 CVT GLX 2016, Splash AT 2014, было SUZUKI SX4 GLX 4*4 2008, Chana Benni 1,3 2008;
Система парковки в нашем авто работает просто отлично.
Вот только когда набивает снег или лед на поверхности датчиков - то да могут появляться такие сообщения.
У себя что бы такого не было смазал силиконом все датчики, теперь лед и снег не налипают и все гуд.
 
  • Нравится
  • Ха-ха!
Реакции: ANick, Reciter и SX4_Fish

Reciter

Наш человек
25 Май 2016
167
44
28
Москва
Езжу на ...
SX4 S-cross AT AllGrip 2014
Сейчас с опытным электриком устанавливаем новую магнитолу и пробовали отключить штатные парктроники. Блока парктроников как такового нет, все через кан-шину и мозги. Короче, это возможно только с авторизованным дилерским сканером. Иначе никак. Сейчас установим другие все равно, а потом поеду к дилеру и буду упрашивать, чтобы они отключили
 

metel

Наш человек
24 Июнь 2019
227
127
43
53
Североморск
Езжу на ...
Suzuki SX4 2-nd gen
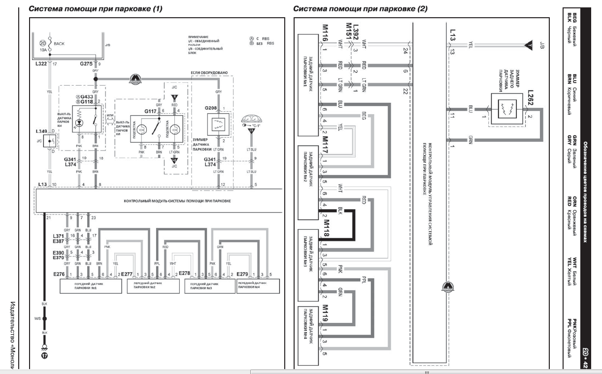
Хреновый ваш "опытный электрик", про кан-шину и мозги слышал, а что это, как и где - понятия не имеет. Блок парктроников есть, стоит в багажнике за правой обшивкой. Вот вам его схема.
парк.PNG
 



Reciter

Наш человек
25 Май 2016
167
44
28
Москва
Езжу на ...
SX4 S-cross AT AllGrip 2014
Хреновый ваш "опытный электрик", про кан-шину и мозги слышал, а что это, как и где - понятия не имеет. Блок парктроников есть, стоит в багажнике за правой обшивкой. Вот вам его схема.
Посмотреть вложение 199235
Хмм, спасибо, сейчас еще посмотрит! Блок то мы нашли, только вроде как даже если его отключить совсем, то мозги все равно будут возмущаться без вмешательства через официальный сканер.
 
  • Нравится
Реакции: sheff-78

Alexannnn-Der

Опытный сузуковод
23 Февраль 2019
831
249
43
59
Калининград (между Литвой и Польшей)
Езжу на ...
Езжу на Suzuki SX4 1.6 (2019, МКПП) и Skoda-Fabia 1.2 (2008, МКПП универсал), Skoda-Fabia 1.2 (2011, МКПП, хэтчбек).

Reciter

Наш человек
25 Май 2016
167
44
28
Москва
Езжу на ...
SX4 S-cross AT AllGrip 2014
Друзья-коллеги, все никак не выберу времени чтобы написать полноценный обзор смены системы парктроников и мультимедиа в машине :-(
Прежде всего по причине холода )) а гаража у меня нет. Как потеплеет - обязательно сделаю подробнее.
Вкратце - сделал как задумывал:
- поставил новую магнитолу на Android 10, 4/64 памяти, на одном из самых продвинутых 8-ми ядерных процессорах на текущий день UIS7862 (Unisoc ums512), с полным голосовым управлением на русском языке;
- заодно установил корпусной тонкий сабвуфер под водительское сиденье (встал как родной!);
- подключил к магнитоле штатный микрофон и управление кнопками руля;
- удалил полностью штатную систему парктроников и поставил внешнюю, завязанную на магнитолу (тоже 4 передних черных датчика и 4 задних серебристых, так что с виду ничего не поменялось);
- поставил камеру назад и вперед, активирующихся либо при движении задним ходом (после переключения с заднего хода автоматом включается на 15 секунд передняя камера) либо через иконку приложения на экране магнитолы
Результатом более чем доволен! Несмотря на то, что штатные колонки не менял, звук преобразился полностью, даже видавший многое установщик был просто поражен итогом! Машина хотя и "видит" в своих мозгах, что ее кастрировали на штатные парткроники, но никак этого не выдает, это можно определить только через кан-сканер. В обычной жизни теперь их просто нет.
Новые парктроники гораздо более скромные в работе - мы запрограммировали их так, что они включаются только при нажатии педали тормоза на 15 секунд, т.е. рассчитаны исключительно на помощь при парковке, т.к. завести их выключение на штатную кнопку оказалось невозможно, но меня это устраивает при наличии передней и задней камеры.
Пользуясь случаем )) продаю оставшиеся датчики и сам ЭБУ парктроников, если интересно пишите в личку.
Краткий обзор результата разместил в теме магнитолы
 
Последнее редактирование:

sheff-78

Осваивающийся
16 Февраль 2016
24
7
3
Москва
Езжу на ...
Suzuki SX4 NEW, 2014 г., МКПП, 2WD.
Блок парктроников есть, стоит в багажнике за правой обшивкой.
Не подскажите, более конкретно местоположение.
Через смотровой лючок не добраться? Самому нащупать не получилось...
Или всю (частично) обшивку снимать?
 





Reciter

Наш человек
25 Май 2016
167
44
28
Москва
Езжу на ...
SX4 S-cross AT AllGrip 2014
Не подскажите, более конкретно местоположение.
Через смотровой лючок не добраться? Самому нащупать не получилось...
Или всю (частично) обшивку снимать?
Не добраться, надо снять правую часть обшивки, которая за правым пассажирским сиденьем. Если открыть багажник и смотреть на него, то справа
 
  • Нравится
Реакции: sheff-78

Sh-keeper

Эксперт
25 Апрель 2014
3,790
1,317
113
63
Санкт-Петербург
Езжу на ...
SX-4 New, 2WD, GLX, 2014
Информация к размышлению:
в одном из немецких интернет-магазинов предлагается передний парктроник предлагается с партномером 37735-61M01. В экзисте он, кстати, стоит значительно дешевле, чем 37735-61MA0 и 37735-61M00.

Упс... Об этом (правда, в другом ключе) уже писали: https://suzuki-club.ru/threads/80708/post-1347847
 

metel

Наш человек
24 Июнь 2019
227
127
43
53
Североморск
Езжу на ...
Suzuki SX4 2-nd gen
Сегодня окончательно отказал правый крайний датчик, причем никаких видимых повреждений на нем нет. Видимо вода проникла под резинку. На днях пойдет под перепайку излучателя, как уже было с обоими левыми. В общем в живых остался только правый центральный.
 
Последнее редактирование:

Alexannnn-Der

Опытный сузуковод
23 Февраль 2019
831
249
43
59
Калининград (между Литвой и Польшей)
Езжу на ...
Езжу на Suzuki SX4 1.6 (2019, МКПП) и Skoda-Fabia 1.2 (2008, МКПП универсал), Skoda-Fabia 1.2 (2011, МКПП, хэтчбек).
Информация к размышлению:
в одном из немецких интернет-магазинов предлагается передний парктроник предлагается с партномером 37735-61M01. В экзисте он, кстати, стоит значительно дешевле, чем 37735-61MA0 и 37735-61M00.

Упс... Об этом (правда, в другом ключе) уже писали: https://suzuki-club.ru/threads/80708/post-1347847
...6к рублей вместо 9к за один??
 

Sh-keeper

Эксперт
25 Апрель 2014
3,790
1,317
113
63
Санкт-Петербург
Езжу на ...
SX-4 New, 2WD, GLX, 2014
  • Нравится
Реакции: SeeGate и Kirill_71


SeeGate

Наш человек
16 Сентябрь 2010
108
40
28
Москва
Езжу на ...
SX4 New, 2WD, CVT, Bizon Brown
Добрый день, камрады. Так как я весной, летом и частично осенью активно боролся со своими датчиками парковки, то накопил некоторую информацию и решил поделиться с вами, надеюсь, будет полезно.
Итак, я несколько раз заказывал датчики с Али, ориентировался по отзывам, брал как дешевые, так и дорогие. Результат один - в нашей машине они не работают, никакие. Был даже забавный случай: в апреле смотрю отзывы на одного продавца, датчики работают, люди в восторге. Заказываю, датчики приходят в мае, не работают. Захожу на Али, а там уже пачка негативных отзывов, что вновь присланные датчики тоже не работают. Очень похоже, что на Али закончились все нормальные датчики и теперь там только те, которые годятся лишь под перепайку.
Заказал пару дешевых датчиков с Али под перепайку излучателя, тут тоже интересный опыт. Один излучатель перепаялся нормально, а второй постоянно дает срабатывание на самой ближней дистанции (одна полоска на бортовом компьютере и непрерывный писк). Это точно баг излучателя, так как я его перепаивал на 2 разных оригинальных датчика. То есть у излучателей с Али возможен такой вот брак, увы.
Еще нюанс - излучатели с Али (которые есть сейчас) не дают такой же дистанции обнаружения препятствий, как родные датчики. Обнаружение препятствия происходит только впритык к датчику. Фактически, такие датчик выполняют только одну функцию - борткомпьютер не моргает и обеспечивается работа остальных датчиков в цепи.
Проверил работу оригинальных датчиков от Тойоты (номер на датчике 42010-41431), внешне один в один как наши оригинальные. Увы, не работают, поведение как у датчиков с Али - вся цепь за датчиком перестает работать. Но если выпаять излучатель из датчика Тойоты и поставить в наш родной, то датчик начинает работать как надо. И ошибка по датчику не горит на приборной панели и обнаружение происходит на нормальном расстоянии. БэУшный датчик от Тойоты в хорошем состоянии на разборке стоит от 500 р. в Москве, то есть выходит дешевле, чем на Али с доставкой. Для перепайки излучателей этот вариант получается наиболее работающий и дешевый.
Такой вот опыт борьбы с датчиками парковки.
 

AB.S

Местный
20 Июль 2018
269
93
28
Отечество
Езжу на ...
SUZUKI SX4 New, 4WD CVT GLX, 2014 г.в., <Бытие сознанию - друг, товарищ и ..гад!>
У меня весной тоже накрылся передний датчик. Так и езжу с мигающим (правая половина) индикатором на приборке. Почитав эту ветку, заказал дат- чик тут (https://aliexpress.ru/item/40011067...9301&spm=a2g2w.productlist.0.0.16773f7cVu8mrp) И конечно, прежде чем заказать, провёл диагностику с помощью встроенного в смартфон микрофона (радиотехническое образование это, всё-таки вещь! ;) ). К заказанному Алишному датчику особых иллюзий не питаю: сразу настроен на перепайку. На мой взгляд, самое сложное - извлечь датчик из бампера...
 
  • Нравится
Реакции: SeeGate

SeeGate

Наш человек
16 Сентябрь 2010
108
40
28
Москва
Езжу на ...
SX4 New, 2WD, CVT, Bizon Brown
У меня весной тоже накрылся передний датчик. Так и езжу с мигающим (правая половина) индикатором на приборке. Почитав эту ветку, заказал дат- чик тут (https://aliexpress.ru/item/40011067...9301&spm=a2g2w.productlist.0.0.16773f7cVu8mrp) И конечно, прежде чем заказать, провёл диагностику с помощью встроенного в смартфон микрофона (радиотехническое образование это, всё-таки вещь! ;) ). К заказанному Алишному датчику особых иллюзий не питаю: сразу настроен на перепайку. На мой взгляд, самое сложное - извлечь датчик из бампера...
Это как раз тот продавец, у которого я заказывал под перепайку, там только мой отзыв. Есть небольшая вероятность, что придет другой и заработает.
 
R

Rus306

Guest
Всем привет, стал обладателем желаемого авто, предыдущий владелец хоть и ездил на ней, что то смотрел, а что то нет, на ТО ни разу не был, ну да ладно, пришла зима и бортовик пищит на обслуживание и чистку датчиков партроников, ну вышел протёр, не хочет работать. Забил, откл. проехал 2 км думаю дай вкл. заработало. Спустя н дней, начал протирать и вдруг передний парктроники вывалился внутрь бампера, ну пришёл пиздец, спать по ночам не буду, так как надо решить проблему, и вот начал сам ковырять, палец лезет, а цепануть не могу, итого я не проктолог, но нолец до крови извел, достал, фото датчика есть он пробить насколько камнями но работает и ещё если постоянно вкл и откл парки, то начинают работать. Как то так.
 

Вложения